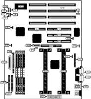
MOTHERBOARDS Pentium II (slot 1)

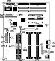
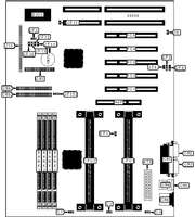
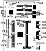
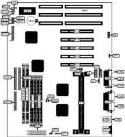
HEWLETT-PACKARD - ZIDA

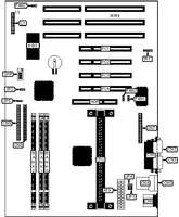
HEWLETT-PACKARD COMPANY
Pentium II
HP BRIO 80XX, 81XX, 83XX (VER. 1)
32-bit PCI slots (3), floppy drive interface, IDE interfaces (2), ATX power connector, AGP slot
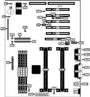
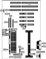
HEWLETT-PACKARD COMPANY
Pentium II
HP KAYAK XW, HP KAYAK XU
32-bit PCI slots (4), floppy drive interface, game/MIDI port, IDE interface, Ultra SCSI interface, Wide Ultra Wide SCSI interface, parallel port, PS/2 mouse port, serial ports (2), VRM connectors (2), USB connectors (2), ATX power connector, AGP slot,
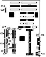
HEWLETT-PACKARD COMPANY
Pentium II
HP VECTRA VL6/XXX SERIES 6
Floppy drive interface, IDE interfaces (2), parallel port, PS/2 mouse port, serial ports (2), VGA feature connector, VGA port, riser slot, USB connectors (2)
IBM CORPORATION
Pentium II
APTIVA 2139 SL-A
32-bit PCI slots (3), floppy drive interface, game/MIDI port, IDE interfaces (2), parallel port, PS/2 mouse port, serial ports (2), VGA port, USB connectors (2), ATX power connector, line in, line out, microphone in, audio in – CD-ROM
IBM CORPORATION
Pentium II
APTIVA 2140 TYPE A-2
32-bit PCI slots (3), floppy drive interface, game/MIDI port, IDE interfaces (2), parallel port, PS/2 mouse port, serial port, VGA feature connector, VGA port, USB connectors (2), ATX power connector, line in, line out, microphone in, audio in – CD/DV
IBM CORPORATION
Pentium II
APTIVA 2142 TYPE A-2
32-bit PCI slots (3), floppy drive interface, game/MIDI port, IDE interfaces (2), parallel port, PS/2 mouse port, serial port, VGA feature connector, VGA port, USB connectors (2), ATX power connector, line in, line out, microphone in, audio in – CD/DV
IBM CORPORATION
Pentium II
INTELLISTATION (TYPE 6888)
Ethernet 10BaseT connector, floppy drive interface, IDE interfaces (2), parallel port, PS/2 mouse port, serial ports (2), VGA feature connector, VGA port, riser slot, IR connector, USB connectors (2), line out, line in, CD-ROM audio in, wavetable conn
IBM CORPORATION
Pentium II
INTELLISTATION (TYPE 6898)
32-bit PCI slots (4), Ethernet 10BaseT connector, floppy drive interface, IDE interfaces (2), SCSI interface, Ultra Wide SCSI interfaces (2), parallel port, PS/2 mouse port, serial ports (2), USB connectors (2), AGP slot, line in, line out, microphone
IBM CORPORATION
Pentium II
NETFINITY 3000 (TYPE 8476)
Ethernet 10/100BaseT connector, parallel port, PS/2 mouse port, serial ports (2), VGA port, USB connectors (2), AGP slot, line in, line out, microphone in
IBM CORPORATION
Pentium II/Pentium Pro
PC SERVER 325 (TYPE 8639) MODEL PBO, PTO, PTW, RBO
32-bit PCI slots (6), Ethernet 10BaseT connector, floppy drive interface, Wide SCSI interfaces (2), parallel port, PS/2 mouse port, serial port, USB connectors (2)
IBM CORPORATION
Pentium II
PC300 (TYPE 6588)
Ethernet 10BaseT connector, floppy drive interface, IDE interfaces (2), parallel port, PS/2 mouse port, serial port, VGA feature connector, VGA port, riser slot, IR connector, USB connectors (2), line in, line out, wavetable connector, audio in – CD-R
INTEL CORPORATION
Pentium II
AL440LX
32-bit PCI slots (4), floppy drive interface, game/MIDI port, green PC connector, IDE interfaces (2), parallel port, PS/2 mouse port, serial ports (2), IR connector, USB connectors (2), ATX power connector, AGP slot, line in (2), line out, microphone
INTEL CORPORATION
Pentium II
DB440FX
CD-ROM audio interface, floppy drive interface, green PC connector, IDE interfaces (2), parallel port, PS/2 mouse port, serial ports (2), VESA feature connector, VGA port, riser slot, CPU slot, IR connector, USB connectors (2), telephony connector, li
INTEL CORPORATION
Pentium II
DK440LX
32-bit PCI slots (4), Ethernet connector, floppy drive interface, game/MIDI interface, green PC connector, IDE interfaces (2), SCSI interface, Ultra SCSI Wide interfaces (2), parallel port, PS/2 mouse port, serial ports (2), IR connector, USB connecto
INTEL CORPORATION
Pentium II
JN440BX
Ethernet 10BaseT connector, parallel port, PS/2 mouse port, serial ports (2), VGA port, USB connector, AGP slot, line in, line out, microphone in, audio in – CD-ROM
INTEL CORPORATION
Pentium II
KU440EX
Ethernet 10BaseT connector, parallel port, PS/2 mouse port, serial ports (2), VGA port, USB connectors (2), audio in – CD-ROM, line in, microphone in
INTEL CORPORATION
Pentium II
LM440LX
Parallel port, PS/2 mouse port, serial ports (2), USB connectors (2), line out, microphone in
INTEL CORPORATION
Pentium II
MU440EX
32-bit PCI slots (2), floppy drive interface, game/MIDI port, IDE interfaces (2), parallel port, PS/2 mouse port, serial port, VGA port, IR connector, USB connectors (2), ATX power connector, line in, line out, microphone in, audio in – CD-ROM
INTEL CORPORATION
Pentium II
N440BX
32-bit PCI slots (4), Ethernet 10BaseT connector, floppy drive interface, IDE interfaces (2), SCSI interface, Wide Ultra SCSI interface, parallel port, PS/2 mouse port, serial ports (2), USB connector, ATX power connector, wake on LAN connector, VGA p
INTEL CORPORATION
Pentium II
NX440LX
Parallel port, PS/2 mouse port, serial ports (2), VGA port, USB connector, LAN connector, line in, line out, microphone in, AGP slot, Yamaha wavetable connector, CD-ROM connector
INTEL CORPORATION
Pentium II
PD440FX
32-bit PCI slots (4), CD-ROM audio interface, floppy drive interface, game/MIDI port, green PC connector, IDE interfaces (2), parallel port, PS/2 mouse port, serial ports (2), CPU slot, IR connector, USB connectors (2), ATX power connector, telephony
INTEL CORPORATION
Pentium II
SE440BX
32-bit PCI slots (4), floppy drive interface, game/MIDI port, green PC connector, IDE interfaces (2), parallel port, PS/2 mouse port, serial ports (2), IR connector, USB connectors (2), ATX power connector, AGP slot, line in, line out, microphone in,
IWILL CORPORATION
Pentium II
BD100
IWILL CORPORATION
Pentium II
BS100
32-bit PCI slots (4), floppy drive interface, IDE interfaces (2), SCSI interface, Wide Ultra SCSI interfaces (2), parallel port, PS/2 mouse port, serial ports (2), IR connector, USB connectors (2), ATX power connector, AGP slot, RAID slot
IWILL CORPORATION
Pentium II
DBL100
32-bit PCI slots (4), floppy drive interface, IDE interfaces (2), SCSI interface, Wide Ultra SCSI interfaces (2), parallel port, PS/2 mouse port, serial ports (2), IR connector, USB connectors (2), ATX power connector, AGP slot
IWILL CORPORATION
Pentium II
DBS100
32-bit PCI slots (4), floppy drive interface, IDE interfaces (2), SCSI interface, Wide Ultra SCSI interfaces (2), parallel port, PS/2 mouse port, serial ports (2), IR connector, USB connectors (2), ATX power connector, AGP slot, RAID slot
IWILL CORPORATION
Pentium II
DPIILS2
32-bit PCI slots (4), floppy drive interface, IDE interfaces (2), SCSI interface, Wide Ultra SCSI interfaces (2), parallel port, PS/2 mouse port, serial ports (2), IR connector, USB connectors (2), ATX power connector, AGP slot, RAID slot
IWILL CORPORATION
Pentium II
PIILD
32-bit PCI slots (4), floppy drive interface, IDE interfaces (2), parallel port, PS/2 mouse port, serial ports (2), IR connector, USB connectors (2), ATX power connector, AGP slot
IWILL CORPORATION
Pentium II
PIILE
32-bit PCI slots (5), floppy drive interface, IDE interfaces (2), parallel port, PS/2 mouse port, serial ports (2), IR connector, USB connectors (2), ATX power connector, AGP slot
IWILL CORPORATION
Pentium II
PIILS
32-bit PCI slots (4), floppy drive interface, IDE interfaces (2), SCSI interface, Wide SCSI interface, parallel port, PS/2 mouse port, serial ports (2), IR connector, USB connectors (2), ATX power connector, AGP slot, RAID slot
J-MARK COMPUTER CORPORATION
Pentium II
J-7LXA, J-7LXA/L
32-bit PCI slots (4), floppy drive interface, green PC connector, IDE interfaces (2), parallel port, PS/2 mouse port, serial ports (2), IR connector, USB connectors (2), ATX power connector, AGP slot
KADATCO CO, LTD.
Pentium II
AM-608FX
32-bit PCI slots (4), floppy drive interface, green PC interface, IDE interfaces (2), parallel port, PS/2 mouse port, serial ports (2), IR connector, USB connectors (2), ATX power connector
KADATCO CO., LTD.
Pentium II
AM-606LX
32-bit PCI slots (4), floppy drive interface, IDE interfaces (2), parallel port, PS/2 mouse port, serial ports (2), IR connector, USB connectors (2), ATX power connector, AGP slot
KADATCO CO., LTD.
Pentium II
AM-608LX
32-bit PCI slots (4), floppy drive interface, game/MIDI port, IDE interfaces (2), parallel port, PS/2 mouse port, serial ports (2), IR connector, USB connectors (2), ATX power connector, AGP slot, line in, line out, microphone in
KADATCO CO., LTD.
Pentium II
AM-609LX
32-bit PCI slots (4), floppy drive interface, green PC connector, IDE interfaces (2), parallel port, PS/2 mouse port, serial ports (2), IR connector, USB connectors (2), ATX power connector, AGP slot
LANNER ELECTRONICS, INC.
Pentium II
AP-686VF
Floppy drive interface, IDE interfaces (2), parallel port, PS/2 mouse port, serial ports (2), VGA port, IR connector, USB connector
LUCKY STAR TECHNOLOGY CO., LTD.
Pentium II
6ABX2 (JUMPER)
32-bit PCI slots (4), floppy drive interface, green PC connector, IDE interfaces (2), parallel port, PS/2 mouse port, serial ports (2), IR connector, USB connectors (2), ATX power connector, AGP slot, SB-link connector
LUCKY STAR TECHNOLOGY CO., LTD.
Pentium II
6ABX2 (SWITCH)
32-bit PCI slots (4), floppy drive interface, green PC connector, IDE interfaces (2), parallel port, PS/2 mouse port, serial ports (2), IR connector, USB connectors (2), ATX power connector, AGP slot, SB-link connector
LUCKY STAR TECHNOLOGY CO., LTD.
Pentium II/Celeron
6ABX2V
32-bit PCI slots (5), floppy drive interface, IDE interfaces (2), parallel port, PS/2 mouse port, serial ports (2), IR connector, USB connectors (2), ATX power connector, AGP slot, wake on LAN connector, SB-link connector
LUCKY STAR TECHNOLOGY CO., LTD.
Pentium II
6ALX2
32-bit PCI slots (4), floppy drive interface, green PC connector, IDE interfaces (2), parallel port, PS/2 mouse port, serial ports (2), IR connector, USB connectors (2), ATX power connector, AGP slot
LUCKY STAR TECHNOLOGY CO., LTD.
Pentium II/Celeron
6BX2
32-bit PCI slots (3), floppy drive interface, green PC connector, IDE interfaces (2), parallel port, PS/2 mouse interface, serial ports (2), IR connector, USB connector, ATX power connector, AGP slot, SB-link connector, wake on LAN connector
LUCKY STAR TECHNOLOGY CO., LTD.
Pentium II/Celeron
6BX2 (SOUND)
32-bit PCI slots (3), floppy drive interface, game interface, green PC connector, IDE interfaces (2), parallel port, PS/2 mouse interface, serial ports (2), IR connector, USB connector, ATX power connector, AGP slot, line in, line out, microphone in,
LUCKY STAR TECHNOLOGY CO., LTD.
Pentium II/Celeron
6EX2
32-bit PCI slots (3), floppy drive interface, green PC connector, IDE interfaces (2), parallel port, PS/2 mouse interface, serial ports (2), IR connector, USB connector, ATX power connector, AGP slot
LUCKY STAR TECHNOLOGY CO., LTD.
Pentium II
6IX-1
32-bit PCI slots (4), floppy drive interface, green PC connector, IDE interfaces (2), parallel port, PS/2 mouse port, serial ports (2), IR connector, USB connector, ATX power connector
LUCKY STAR TECHNOLOGY CO., LTD.
Pentium II
6IX-LXI
32-bit PCI slots (3), floppy drive interface, green PC connector, IDE interfaces (2), parallel port, PS/2 mouse port, serial ports (2), IR connector, USB connector, ATX power connector AGP slot,
LUCKY STAR TECHNOLOGY CO., LTD.
Pentium II
6LX2
32-bit PCI slots (3), floppy drive interface, green PC connector, IDE interfaces (2), parallel port, PS/2 mouse interface, serial ports (2), IR connector, USB connector, ATX power connector, AGP slot
LUCKY STAR TECHNOLOGY CO., LTD.
Pentium II/Celeron
6P2LX
32-bit PCI slots (4), floppy drive interface, IDE interfaces (2), parallel port, PS/2 mouse port, serial ports (2), IR connector, USB connectors (2), ATX power connector, AGP slot, SB-link connector
LUCKY STAR TECHNOLOGY CO., LTD.
Pentium II/Celeron
6VABX2
32-bit PCI slots (5), floppy drive interface, IDE interfaces (2), parallel port, PS/2 mouse port, serial ports (2), IR connector, USB connectors (2), ATX power connector, AGP slot, wake on LAN connector
LUCKY STAR TECHNOLOGY CO., LTD.
Pentium II/Celeron
6VBX2
32-bit PCI slots (3), floppy drive interface, game interface, green PC connector, IDE interfaces (2), parallel port, PS/2 mouse interface, serial ports (2), IR connector, USB connector, ATX power connector, AGP slot, SB-link connector, wake on LAN con
LUCKY STAR TECHNOLOGY CO., LTD.
Pentium II/Celeron
6VBX2 (SOUND)
32-bit PCI slots (3), floppy drive interface, game interface, green PC connector, IDE interfaces (2), parallel port, PS/2 mouse interface, serial ports (2), IR connector, USB connector, ATX power connector, AGP slot, line in, line out, microphone in,
M TECHNOLOGY, INC.
Pentium II
M628 STALLION AT
32-bit PCI slots (3), floppy drive interface, green PC connector, IDE interfaces (2), parallel port, PS/2 mouse interface, serial ports (2), IR connector, USB connector, ATX power connector, AGP slot
M TECHNOLOGY, INC.
Pentium II
M668 STALLION
32-bit PCI slots (3), floppy drive interface, IDE interfaces (2), parallel port, PS/2 mouse port, serial ports (2), IR connector, USB connectors (2), ATX power connector, AGP slot, RAID slot
M TECHNOLOGY, INC.
Pentium II
M668DS STALLION
32-bit PCI slots (3), floppy drive interface, IDE interfaces (2), Ultra SCSI interface, Ultra Wide SCSI interface, parallel port, PS/2 mouse port, serial ports (2), IR connector, USB connectors (2), ATX power connector, AGP slot, RAID slot
M TECHNOLOGY, INC.
Pentium II
R653 PHANTOM
32-bit PCI slots (4), floppy drive interface, green PC connector, IDE interfaces (2), parallel port, PS/2 mouse port, serial ports (2), IR connector, USB connectors (2), ATX power connector
MICRO-STAR INTERNATIONAL CO., LTD
Pentium II
MS-6125
32-bit PCI slots (2), Ethernet 10BaseT connector, floppy drive interface, game/MIDI interface, IDE interfaces (2), parallel port, PS/2 mouse port, serial ports (2), VGA port, IR connector, USB connectors (2), ATX power connector, line in, line out, mi
MICRO-STAR INTERNATIONAL CO., LTD.
Pentium II
MS-6108
32-bit PCI slots (4), floppy drive interface, green PC connector, IDE interfaces (2), parallel port, serial ports (2), IR connector, USB connector
MICRO-STAR INTERNATIONAL CO., LTD.
Pentium II
MS-6109
32-bit PCI slots (4), floppy drive interface, green PC connector, IDE interfaces (2), parallel port, PS/2 mouse port, serial ports (2), IR connector, USB connector, ATX power connector, CPU Slot 1
MICRO-STAR INTERNATIONAL CO., LTD.
Pentium II
MS-6110
32-bit PCI slots (5), floppy drive interface, green PC connector, IDE interfaces (2), parallel port, PS/2 mouse port, serial ports (2), IR connector, USB connectors (2), ATX power connector
MICRO-STAR INTERNATIONAL CO., LTD.
Pentium II
MS-6111
32-bit PCI slots (4), floppy drive interface, IDE interfaces (2), PS/2 mouse port, serial ports (2), parallel port, IR connector, USB connector, ATX power connector, AGP slot
MICRO-STAR INTERNATIONAL CO., LTD.
Pentium II
MS-6112
32-bit PCI slots (3), floppy drive interface, IDE interfaces (2), parallel port, PS/2 mouse port, serial ports (2), IR connector, USB connectors (2), ATX power connector, AGP slot
MICRO-STAR INTERNATIONAL CO., LTD.
Pentium II
MS-6113
Ethernet 10BaseT connector, game/MIDI port, parallel port, PS/2 mouse port, serial ports (2), USB connectors (2), AGP slot, line in, speaker out, microphone in, wavetable connector
MICRO-STAR INTERNATIONAL CO., LTD.
Pentium II
MS-6114
32-bit PCI slots (5), floppy drive interface, green PC connector, IDE interfaces (2), parallel port, PS/2 mouse port, serial ports (2), IR connector, USB connectors (2), ATX power connector, AGP slot
MICRO-STAR INTERNATIONAL CO., LTD.
Pentium II
MS-6116
32-bit PCI slots (4), floppy drive interfaceIDE interfaces (2), parallel port, PS/2 mouse port, serial ports (2), IR connector, USB connectors (2), ATX power connector, AGP slot
MICRO-STAR INTERNATIONAL CO., LTD.
Pentium II
MS-6117
32-bit PCI slots (5), floppy drive interface, green PC connector, IDE interfaces (2), parallel port, PS/2 mouse port, serial ports (2), IR connector, USB connectors (2), ATX power connector, AGP slot
MICRO-STAR INTERNATIONAL CO., LTD.
Pentium II
MS-6118
32-bit PCI slots (3), floppy drive interface, green PC connector, IDE interfaces (2), parallel port, PS/2 mouse port, serial ports (2), IR connector, USB connectors (2), ATX power connector, AGP slot, SB-link connector, wake on modem connector, wake o
MICRO-STAR INTERNATIONAL CO., LTD.
Pentium II
MS-6119
32-bit PCI slots (4), green PC connector, floppy drive interface, IDE interfaces (2), parallel port, PS/2 mouse port, serial ports (2), IR connector, USB connectors (2), ATX power connector, AGP slot, SB-link connector
MICRO-STAR INTERNATIONAL CO., LTD.
Pentium II
MS-6120
32-bit PCI slots (5), floppy drive interface, IDE interfaces (2), SCSI interface, Wide SCSI interface (2), parallel port, PS/2 mouse port, serial ports (2), IR connector, USB connectors (2), ATX power connector, AGP slot
MICRO-STAR INTERNATIONAL CO., LTD.
Pentium II
MS-6121
32-bit PCI slots (2), Ethernet 10BaseT connector, floppy drive interface, game/MIDI port, green PC connector, IDE interfaces (2), parallel port, PS/2 mouse port, serial ports (2), IR connector, USB connectors (2), ATX power connector, line in, line ou
MICRO-STAR INTERNATIONAL CO., LTD.
Pentium II
MS-6121 (VIDEO)
32-bit PCI slots (2), Ethernet 10BaseT connector, floppy drive interface, game/MIDI port, green PC connector, IDE interfaces (2), parallel port, PS/2 mouse port, serial ports (2), VGA port, IR connector, USB connectors (2), ATX power connector, line i
MICRO-STAR INTERNATIONAL CO., LTD.
Pentium II
MS-6122
32-bit PCI slots (3), floppy drive interface, IDE interfaces (2), parallel port, PS/2 mouse port, serial ports (2), IR connector, USB connectors (2), ATX power connector, AGP slot, line in, line out, speaker out, game/MIDI port
MICRO-STAR INTERNATIONAL CO., LTD.
Pentium II
MS-6123
32-bit PCI slots (2), floppy drive interfaceIDE interfaces (2), parallel port, PS/2 mouse port, serial ports (2), IR connector, USB connectors (2), ATX power connector, AGP slot
MICRO-STAR INTERNATIONAL CO., LTD.
Pentium II
MS-6126
32-bit PCI slots (2), floppy drive interface, game/MIDI port, IDE interfaces (2), parallel port, PS/2 mouse port, serial ports (2), VGA port, IR connector, USB connectors (2), ATX power connector, line in, line out, microphone in, audio in – CD-ROMs (
MICRO-STAR INTERNATIONAL CO., LTD.
Pentium II/Celeron
MS-6127
32-bit PCI slots (3), floppy drive interface, green PC connector, IDE interfaces (2), parallel port, PS/2 mouse port, serial ports (2), IR connector, USB connectors (2), ATX power connector, AGP slot, SB-link connector, wake on modem connector, wake o
MICRONICS COMPUTERS, INC.
Pentium II
DUAL FORTRESS
32-bit PCI slots (4), floppy drive interface, game/MIDI port, IDE interfaces (2), parallel port, PS/2 mouse port, serial ports (2), IR connector, VRM connector, USB connectors (2), ATX power connector, line in (2), line out (2), microphone in, audio i
MICRONICS COMPUTERS, INC.
Pentium II
HELIOS
32-bit PCI slots (5), floppy drive interface, game/MIDI port, IDE interfaces (2), parallel port, PS/2 mouse port, serial ports (2), USB connectors (2), ATX power connector, AGP slot, line in, line out, microphone in, audio in – CD-ROM
MICRONICS COMPUTERS, INC.
Pentium II
REDSTONE
32-bit PCI slots (4), floppy drive interface, game/MIDI port, IDE interfaces (2), parallel port, PS/2 mouse port, serial ports (2), USB connectors (2), ATX power connector, AGP slot, line in, line out, microphone in, audio in – CD-ROM
MICRONICS COMPUTERS, INC.
Pentium II
SPITFIRE EX
32-bit PCI slots (3), floppy drive interface, game/MIDI interface, IDE interfaces (2), SCSI interface, Wide SCSI interfaces (2), parallel port, PS/2 mouse port, serial ports (2), IR connector, USB connectors (2), ATX power connector, AGP slot, line in
MICRONICS COMPUTERS, INC.
Pentium II
STINGRAY
32-bit PCI slots (4), floppy drive interface, green PC connector, IDE interfaces (2), parallel port, PS/2 mouse port, serial ports (2), IR connector, USB connectors (2), ATX power connector, CPU slot 1
MICRONICS COMPUTERS, INC.
Pentium II
TIGERCAT
32-bit PCI slots (4), floppy drive interface, IDE interfaces (2), parallel port, PS/2 mouse port, serial ports (2), IR connector, USB connectors (2), ATX power connector, AGP slot, line in, line out, microphone in, audio in – CD-ROMs (2), game/MIDI po
MICRONICS COMPUTERS, INC.
Pentium II
TWISTER LX
32-bit PCI slots (4), floppy drive interface, IDE interfaces (2), parallel port, PS/2 mouse interface, serial ports (2), IR connector, USB connectors (2), ATX power connector, AGP slot
MITAC INTERNATIONAL CORPORATION
Pentium II/Celeron
6010EU/VA
32-bit PCI slots (3), floppy drive interface, game/MIDI port, green PC connector, IDE interfaces (2), parallel port, PS/2 mouse port, serial port, VGA port, USB connectors (2), line in, line out, microphone in, audio in – CD-ROMs (2)
MOTOROLA, INC.
Pentium II
ATXPII
32-bit PCI slots (4), Ethernet 10BaseT connector, floppy drive interface, IDE interfaces (2), parallel port, PS/2 mouse port, serial ports (2), IR connector, USB connectors (2), ATX power connector, AGP slot, line in, line out, microphone in, audio i
NETPOWER
Pentium II
SYMETRA3
32-bit PCI slots (4), Ethernet 10Base2 connector, floppy drive interface, IDE interface, Ultra Wide SCSI interfaces (2), parallel port, PS/2 mouse port, serial ports (2), USB connectors (2), AGP slot, line in, line out, microphone in
NIAGARA SMD TECHNOLOGY, INC.
Pentium II
NT928 P2BXD
32-bit system 32-bit PCI slots (5), floppy drive interface, IDE interfaces (2), parallel port, PS/2 mouse port, serial ports (2), IR connectors (2), USB connectors (2), ATX power connector, AGP slot
PC CHIPS MANUFACTURING LTD.
Pentium II
M717
32-bit PCI slots (3), floppy drive interface, IDE interfaces (2), parallel port, PS/2 mouse interface, serial ports (2), VGA port, ATX power connector, audio in – CD-ROMs (2), PS/2 mouse port
PC CHIPS MANUFACTURING, LTD.
Pentium II
M710
32-bit PCI slots (4), floppy drive interface, IDE interfaces (2), parallel port, PS/2 mouse port, serial ports (2), IR connector, USB connectors (2), ATX power connector, AGP slot
PC CHIPS MANUFACTURING, LTD.
Pentium II
M715
32-bit PCI slots (3), game/sound connector, Audio in - CD-ROM (2), floppy drive interface, IDE interfaces (2), parallel port, PS/2 mouse port, serial ports (2), AGP slot, ATX power connector, ATX form card connector, green PC connector
PC CHIPS MAUNFACTURING, LTD.
Pentium II
M725
32-bit PCI slots (3), floppy drive interface, IDE interfaces (2), parallel port, PS/2 mouse port, PS/2 mouse interface, serial ports (2), ATX power connector, AGP slot, audio in – CD-ROMs (2)
PC CHIPS MAUNFACTURING, LTD.
Pentium II/ Celeron
M726
32-bit PCI slots (3), floppy drive interface, IDE interfaces (2), parallel port, PS/2 mouse interface, serial ports (2), ATX power connector, AGP slot, audio in - CD-ROMs (2)
PC WAVE, INC.
Pentium II
M710
32-bit PCI slots (4), floppy drive interface, IDE interfaces (2), parallel port, PS/2 mouse port, serial ports (2), IR connector, USB connectors (2), ATX power connector, AGP slot, wake on LAN connector
PHILIPS CONSUMER ELECTRONICS, CO.
Pentium II
E873
32-bit PCI slots (4), floppy drive interface, green PC connector, IDE interfaces (2), parallel port, PS/2 mouse port, serial ports (2), IR connector, USB connector, ATX power connector
QDI COMPUTER, INC.
Pentium II
LEGEND-V
32-bit PCI slots (4), floppy drive interface, green PC connector, IDE interfaces (2), parallel port, PS/2 mouse port, serial ports (2), IR connector, USB connectors (2), ATX power connector, AGP slot
QDI COMPUTER, INC.
Pentium II
P6I440BX/B1
32-bit PCI slots (4), floppy drive interface, green PC connector, IDE interfaces (2), parallel port, PS/2 mouse port, serial ports (2), IR connector, USB connectors (2), ATX power connector, AGP slot, SB-link connector, wake on LAN connector, wake on
QDI COMPUTER, INC.
Pentium II
P6I440BX/D
32-bit PCI slots (4), floppy drive interface, green PC connector, IDE interfaces (2), parallel port, PS/2 mouse port, serial ports (2), IR connector, USB connectors (2), ATX power connector, AGP slot, RAID slot, wake on modem connector
QDI COMPUTER, INC.
Pentium II/Celeron
P6I440EX/ATX
32-bit PCI slots (3), floppy drive interface, green PC connector, IDE interfaces (2), parallel port, PS/2 mouse port, serial ports (2), IR connector, USB connectors (2), ATX power connector, AGP slot, SB-link connector, wake on LAN connector, wake on
QDI COMPUTER, INC.
Pentium II/Celeron
P6I440EX/MATX
32-bit PCI slots (2), floppy drive interface, green PC connector, IDE interfaces (2), parallel port, PS/2 mouse port, serial ports (2), IR connector, USB connectors (2), ATX power connector, AGP slot, wake on LAN connector, wake on modem connector
QDI COMPUTER, INC.
Pentium II
P6I440LX/ATX LEGEND-I
32-bit PCI slots (4), floppy drive interface, green PC connector, IDE interfaces (2), parallel port, PS/2 mouse port, serial ports (2), IR connector, USB connectors (2), ATX power connector, AGP slot
QDI COMPUTER, INC.
Pentium II
P6I440LX/AV LEGEND-III
32-bit PCI slots (4), floppy drive interface, game/MIDI port, green PC connector, IDE interfaces (2), parallel port, PS/2 mouse port, serial ports (2), VGA feature connector, VGA port, S-video port. C-video port, IR connector, USB connectors (2), ATX
QDI COMPUTER, INC.
Pentium II
P6I440LX/DP LEGEND-IV
32-bit PCI slots (4), Ethernet connector, floppy drive interface, green PC connector, IDE interfaces (2), Narrow SCSI interface, Wide SCSI interface, parallel port, PS/2 mouse port, serial ports (2), IR connector, USB connectors (2), ATX power connect
SEANIX TECHNOLOGY, INC.
Pentium II
FRASERLX (VER. 1.0)
32-bit PCI slots (4), floppy drive interface, game/MIDI port, green PC connector, IDE interfaces (2), parallel port, PS/2 mouse port, serial ports (2), IR connector, USB connectors (2), ATX power connector, AGP slot, audio line in (2), audio line out,
SEANIX TECHNOLOGY, INC.
Pentium II
KOOTENAY (SEA440LX)
32-bit PCI slots (4), floppy drive interface, IDE interface (2), parallel port, PS/2 mouse port, serial ports (2), IR connector, USB connectors (2), AGP slot, RJ-45 LAN connector, wake on LAN connector
SHUTTLE COMPUTER INTERNATIONAL, INC.
Pentium II
HOT-623
32-bit PCI slots (5), floppy drive interface, green PC connector, IDE interfaces (2), parallel port, PS/2 mouse port, serial ports (2), IR connector, USB connectors (2), ATX power connector
SHUTTLE COMPUTER INTERNATIONAL, INC.
Pentium II
HOT-631
32-bit PCI slots (4), floppy drive interface, IDE interfaces (2), parallel port, PS/2 mouse port, serial ports (2), IR connector, USB connectors (2), ATX power connector, AGP slot
SHUTTLE COMPUTER INTERNATIONAL, INC.
Pentium II
HOT-635
32-bit PCI slots (4), floppy drive interface, IDE interfaces (2), SCSI-2 interface, Ultra SCSI Wide interface, parallel port, PS/2 mouse port, serial ports (2), IR connector, USB connectors (2), ATX power connector, AGP slot
SHUTTLE COMPUTER INTERNATIONAL, INC.
Pentium II
HOT-637
32-bit PCI slots (4), floppy drive interface, IDE interfaces (2), parallel port, PS/2 mouse port, serial ports (2), IR connector, USB connectors (2), ATX power connector, AGP slot
SHUTTLE COMPUTER INTERNATIONAL, INC.
Pentium II/Celeron
HOT-641/P
32-bit PCI slots (4), floppy drive interface, IDE interfaces (2), parallel port, PS/2 mouse port, serial ports (2), IR connector, USB connectors (2), ATX power connector, AGP slot, wake on LAN connector
SHUTTLE COMPUTER INTERNATIONAL, INC.
Pentium II/Celeron
HOT-661/P
32-bit PCI slots (4), floppy drive interface, IDE interfaces (2), parallel port, PS/2 mouse port, serial ports (2), IR connector, USB connectors (2), ATX power connector, AGP slot, wake on LAN connector
SHUTTLE COMPUTER INTERNATIONAL, INC.
Pentium II/Celeron
HOT-671
32-bit PCI slots (3), floppy drive interface, game/MIDI port, IDE interfaces (2), parallel port, PS/2 mouse port, PS/2 mouse interface, serial ports (2), serial port, IR connector, USB connectors (2), ATX power connector, AGP slot, line in, line out,
SIEMENS NIXDORF
Pentium II
SYSTEM BOARD D1026
Ethernet 10BaseT connector, floppy drive interface, game/MIDI port, IDE interfaces (2), parallel port, PS/2 mouse port, serial ports (2), VGA port, riser slot, IR connector, USB connectors (3), ATX power connector, line in, line out, microphone in, au
SIEMENS NIXDORF
Pentium II
SYSTEM BOARD D1031
32-bit PCI slots (6), floppy drive interface, IDE interface, Wide Ultra SCSI interfaces (2), parallel port, PS/2 mouse port, serial ports (2), USB connectors (2), ATX power connector, AGP slot, wake on LAN connector
SIEMENS NIXDORF
Pentium II
SYSTEM BOARD D1064
32-bit PCI slots (5), floppy drive interface, IDE interfaces (2), parallel port, PS/2 mouse port, serial ports (2), IR connector, USB connectors (2), ATX power connector, AGP slot, wake on modem connector
SIEMENS NIXDORF
Pentium II/Celeron
SYSTEM BOARD D1081
32-bit PCI slots (3), floppy drive interface, IDE interfaces (2), parallel port, PS/2 mouse port, serial ports (2), VGA port, USB connectors (2), ATX power connector
SIEMENS NIXDORF
Pentium II
SYSTEM BOARD D1085
32-bit PCI slots (4), floppy drive interface, IDE interfaces (2), parallel port, PS/2 mouse port, serial ports (2), IR connector, USB connectors (2), ATX power connector, AGP slot
SIEMENS NIXDORF
Pentium II
SYSTEM BOARD D1097
32-bit PCI slots (4), Ethernet 10BaseT connector, floppy drive interface, green PC connector, IDE interfaces (2), Wide SCSI interface, parallel port, PS/2 mouse port, serial ports (2), VGA port, wake on LAN connector
SIEMENS NIXDORF
Pentium II
SYSTEM BOARD D992 (DUAL)
32-bit PCI slots (6), floppy drive interface, IDE interface, Wide Ultra SCSI interface, parallel port, PS/2 mouse port, serial ports (2), VGA port, VRM connectors (2), wake on modem connector
SIEMENS NIXDORF
Pentium II
SYSTEM BOARD D992 (SINGLE)
32-bit PCI slots (6), floppy drive interface, IDE interface, Wide Ultra SCSI interface, parallel port, PS/2 mouse port, serial ports (2), VGA port, VRM connector, wake on modem connector
SIEMENS NIXDORF
Pentium II
SYSTEM BOARD VL-601
32-bit PCI slots (5), floppy drive interface, green PC connector, IDE interfaces (2), parallel port, PS/2 mouse port, serial ports (2), USB connectors (3), ATX power connector, AGP slot
SIEMENS NIXDORF
Pentium II/Celeron
SYSTEM BOARD VL-603
32-bit PCI slots (2), floppy drive interface, game/MIDI port, green PC connector, IDE interfaces (2), parallel port, PS/2 mouse port, serial ports (2), USB connectors (2), ATX power connector, AGP slot, line in, line out, microphone in, audio in – CD-
SIEMENS-NIXDORF INFORMATIONSSYSTEME AG
Pentium II
SYSTEM BOARD D1005
32-bit PCI slots (4), floppy drive interface, game/MIDI port, green PC connector, IDE interfaces (2), parallel port, PS/2 mouse port, serial ports (2), IR connector, USB connectors (2), line in, line out, microphone in, wavetable connector, audio in –
SIEMENS-NIXDORF INFORMATIONSSYSTEME AG
Pentium II
SYSTEM BOARD D1060
32-bit PCI slots (4), Ethernet 10BaseT connector, floppy drive interface, game/MIDI interface, green PC connector, IDE interfaces (2), SCSI interface, Ultra Wide SCSI interfaces (2), parallel port, PS/2 mouse port, serial ports (3), line ins (2), line
SIEMENS-NIXDORF INFORMATIONSSYSTEME AG
Pentium II
SYSTEM BOARD D981
32-bit PCI slots (4), floppy drive interface, game/MIDI port, green PC connector, IDE interfaces (2), Ultra Wide SCSI interfaces (2), parallel port, PS/2 mouse port, serial ports (2), IR connector, USB connectors (3), ATX power connector, AGP slot, li
SILICON STAR INTERNATIONAL, INC.
Pentium II/Pentium Pro
AN6
32-bit PCI slots (4), floppy drive interface, green PC connector, IDE interfaces (2), parallel port, PS/2 mouse port, serial ports (2), IR connector, USB connectors (2), ATX power connector, CPU Slot 1
SOLTEK COMPUTER, INC.
Pentium II
SL-61B
32-bit PCI slots (3), floppy drive interface, IDE interfaces (2), parallel port, PS/2 mouse interface, serial ports (2), IR connector, USB connector (2), AGP slot, ATX power connector, green PC connector
SOLTEK COMPUTER, INC.
Pentium II/Celeron
SL-61C
32-bit PCI slots (3), floppy drive interface, IDE interfaces (2), parallel port, PS/2 mouse port, serial ports (2), AGP slot, USB connector, IR connector, green PC connector
SOLTEK COMPUTER, INC.
Pentium II
SL-66A (VER. 1.0)
32-bit PCI slots (4), floppy drive interface, IDE interface (2), parallel port, PS/2 mouse port, serial ports (2), USB connector (2), IR connector, AGP slot, green PC connector, ATX power connector
SOLTEK COMPUTER, INC.
Pentium II
SL-66A (VER. 2.0)
32-bit PCI slots (4), floppy drive interface, IDE interfaces (2), parallel port, PS/2 mouse port, serial ports (2), USB connector (2), IR connector, AGP slot, ATX power connector, green PC connector
SOLTEK COMPUTER, INC.
Pentium II
SL-66A-C (VER. 1.0)
32-bit PCI slots (4), floppy drive interface, IDE interface (2), SCSI connector, parallel port, PS/2 mouse port, serial ports (2), USB connector (2), IR connector, AGP slot, green PC connector, ATX power connector, SCSI connector, Wide Ultra SCSI con
SOLTEK COMPUTER, INC.
Pentium II
SL-66A-C (VER. 2.0)
32-bit PCI slots (4), floppy drive interface, IDE interfaces (2), parallel port, PS/2 mouse port, serial ports (2), USB connector (2), IR connector, AGP slot, ATX power connector, green PC connector, Ultra SCSI connector, Wide SCSI connector
SOLTEK COMPUTER, INC.
Pentium II
SL-66B
32-bit PCI slots (4), floppy drive interface, IDE interface (2), parallel port, PS/2 mouse port, serial ports (2), USB ports (2), IR connector, ATX power connector, AGP slot, green PC connector
SOLTEK COMPUTER, INC.
Pentium II/Celeron
SL-66D
32-bit PCI slots (4), floppy drive interface, IDE interfaces (2), parallel port, PS/2 mouse port, serial ports (2), AGP slot, USB ports (2), IR connector, green PC connector, ATX power connector
SOLTEK COMPUTER, INC.
Pentium II/Deschutes
SL-67A
32-bit PCI slots (4), floppy drive interface, IDE interfaces (2), parallel port, PS/2 mouse port, serial ports (2), green PC connector, USB connectors (2), AGP slot, RAID slot, IR connector, ATX power connector
SOLTEK COMPUTER, INC.
Pentium II/Deschutes
SL-67A-C
32-bit PCI slots (4), floppy drive interface, IDE interfaces (2), parallel port, PS/2 mouse port, serial ports (2), green PC connector, USB connectors (2), AGP slot, RAID slot, IR connector, ATX power connector, Wide Ultra SCSI connector, SCSI connec
SOLTEK, INC.
Pentium II
SL-61A
32-bit PCI slots (4), floppy drive interface, green PC connector, IDE interfaces (2), parallel port, PS/2 mouse interface, serial ports (2), IR connector, USB connector, ATX power connector
SOYO COMPUTER CO., LTD.
Pentium II
6KA2/A5
32-bit PCI slots (4), floppy drive interface, green PC connector, IDE interfaces (2), parallel port, PS/2 mouse port, serial ports (2), IR connector, VRM connector, USB connector, ATX power connector
SOYO COMPUTER CO., LTD.
Pentium II
6KB
32-bit PCI slots (4), floppy drive interface, IDE interfaces (2), parallel port, PS/2 mouse port, serial ports (2), IR connector, USB connectors (2), ATX power connector, AGP slot
SOYO COMPUTER CO., LTD.
Pentium II
6KD
32-bit PCI slots (5), floppy drive interface, IDE interfaces (2), parallel port, PS/2 mouse port, serial ports (2), IR connector, USB connectors (2), ATX power connector, AGP slot
SOYO COMPUTER CO., LTD.
Pentium II
SY-6BA
32-bit PCI slots (5), floppy drive interface, IDE interfaces (2), parallel port, PS/2 mouse port, serial ports (2), IR connector, USB connectors (2), ATX power connector, AGP slot, SB-link connector, wake on LAN connector
SOYO COMPUTER CO., LTD.
Pentium II
SY-6BB
32-bit PCI slots (3), floppy drive interface, IDE interfaces (2), parallel port, PS/2 mouse port, serial ports (2), IR connector, ATX power connector, AGP slot, SB-link connector, wake on LAN connector
SOYO COMPUTER CO., LTD.
Pentium II
SY-6KE
32-bit PCI slots (4), floppy drive interface, IDE interfaces (2), parallel port, PS/2 mouse port, serial ports (2), IR connector, USB connectors (2), ATX power connector, AGP slot, SB-link connector, wake on LAN connector
SOYO COMPUTER CO., LTD.
Pentium II
SY-6KE
32-bit PCI slots (4), floppy drive interface, IDE interfaces (2), parallel port, PS/2 mouse port, serial ports (2), IR connector, USB connectors (2), ATX power connector, AGP slot, SB-link connector, wake on LAN connector
SOYO COMPUTER CO., LTD.
Pentium II
SY-6KF
32-bit PCI slots (4), floppy drive interface, IDE interfaces (2), parallel port, PS/2 mouse port, serial ports (2), IR connector, USB connectors (2), ATX power connector, AGP slot, wake on LAN connector
SOYO COMPUTER CO., LTD.
Pentium II
SY-6KL
32-bit PCI slots (3), floppy drive interface, IDE interfaces (2), parallel port, PS/2 mouse port, serial ports (2), IR connector, USB connector, ATX power connector, AGP slot, SB-link connector, wake on LAN connector
SOYO COMPUTER CO., LTD.
Pentium II
SY-6KM
32-bit PCI slots (2), floppy drive interface, IDE interfaces (2), parallel port, PS/2 mouse port, serial ports (2), IR connector, USB connectors (2), ATX power connector, AGP slot, SB-link connector, wake on LAN connector
SUPER MICRO
Pentium II
P6DBE
32-bit PCI slots (5), floppy drive interface, IDE interfaces (2), parallel port, PS/2 mouse port, serial ports (2), IR connector, USB connectors (2), ATX power connector, AGP slot, SB link connector
SUPER MICRO
Pentium II
P6DBS
SUPER MICRO
Pentium II
P6DBU
32-bit PCI slots (4), floppy drive interface, IDE interfaces (2), Wide Ultra SCSI interface, Wide SCSI interface (2), parallel port, PS/2 mouse port, serial ports (2), IR connector, USB connectors (2), ATX power connector, AGP slot, SB link connecto
SUPER MICRO
Pentium II
P6DGE
SUPER MICRO
Pentium II
P6DGS
SUPER MICRO
Pentium II
P6DKE
32-bit PCI slots (4), floppy drive interface, IDE interfaces (2), parallel port, PS/2 mouse port, serial ports (2), IR connector, USB connector, ATX power connector
SUPER MICRO
Pentium II
P6DKF
32-bit PCI slots (5), floppy drive interface, IDE interfaces (2), parallel port, PS/2 mouse port, serial ports (2), IR connector, USB connectors (2), ATX power connector
SUPER MICRO
Pentium II
P6DKS
32-bit PCI slots (4), floppy drive interface, IDE interfaces (2), Ultra Wide SCSI interface, Ultra SCSI interface, parallel port, PS/2 mouse port, serial ports (2), IR connector, USB connector, ATX power connector
SUPER MICRO
Pentium II
P6DLE
32-bit PCI slots (4), floppy drive interface, IDE interfaces (2), parallel port, PS/2 mouse port, serial ports (2), IR connector, USB connectors (2), ATX power connector, AGP slot
SUPER MICRO
Pentium II
P6DLF
32-bit PCI slots (5), floppy drive interface, IDE interfaces (2), parallel port, PS/2 mouse port, serial ports (2), IR connector, USB connectors (2), ATX power connector, AGP slot
SUPER MICRO
Pentium II
P6DLH
32-bit PCI slots (9), floppy drive interface, IDE interfaces (2), parallel port, PS/2 mouse port, serial ports (2), IR connector, USB connectors (2), ATX power connector
SUPER MICRO
Pentium II
P6DLS, P6SLS
32-bit PCI slots (4), floppy drive interface, IDE interfaces (2), Ultra Wide SCSI interface, Ultra SCSI interface, parallel port, PS/2 mouse port, serial ports (2), IR connector, USB connectors (2), ATX power connector, AGP slot
SUPER MICRO
Pentium II
P6SBA
32-bit PCI slots (4), floppy drive interface, IDE interfaces (2), parallel port, PS/2 mouse port, serial ports (2), IR connector, USB connectors (2), ATX power connector, AGP slot
SUPER MICRO
Pentium II
P6SBS
32-bit PCI slots (4), floppy drive interface, IDE interfaces (2), Wide Ultra SCSI interface, Wide SCSI interface (2), parallel port, PS/2 mouse port, serial ports (2), IR connector, USB connectors (2), ATX power connector, AGP slot, SB link connecto
SUPER MICRO
Pentium II
P6SBU
32-bit PCI slots (4), floppy drive interface, IDE interfaces (2), Wide Ultra SCSI interface, Wide SCSI interface (2), parallel port, PS/2 mouse port, serial ports (2), IR connector, USB connectors (2), ATX power connector, AGP slot, SB link connecto
SUPER MICRO
Pentium II
P6SGU
SUPER MICRO
Pentium Pro/Pentium II
P6SKE
32-bit PCI slots (4), floppy drive interface, IDE interfaces (2), parallel port, PS/2 mouse port, serial ports (2), IR connector, USB connector, ATX power connector
SUPER MICRO
Pentium Pro/Pentium II
P6SKS
32-bit PCI slots (4), floppy drive interface, IDE interfaces (2), Ultra Wide SCSI interface, Ultra SCSI interface, parallel port, PS/2 mouse port, serial ports (2), IR connector, USB connector, ATX power connector
SUPER MICRO
Pentium II
P6SLA
32-bit PCI slots (4), floppy drive interface, IDE interfaces (2), parallel port, PS/2 mouse port, serial ports (2), IR connector, USB connectors (2), ATX power connector, AGP slot
SUPER MICRO
Pentium II
P6SLE
32-bit PCI slots (4), floppy drive interface, IDE interfaces (2), parallel port, PS/2 mouse port, serial ports (2), IR connector, USB connectors (2), ATX power connector, AGP slot
SUPER MICRO
Pentium II
S2DGR
32-bit PCI slots (5), floppy drive interface, IDE interfaces (2), SCSI interface, Ultra SCSI interface, Ultra Wide SCSI interfaces (2), parallel port, PS/2 mouse port, serial ports (2), IR connector, USB connectors (2), ATX power connector, AGP slot
SUPER MICRO
Pentium II
S2DGU
32-bit PCI slots (5), floppy drive interface, IDE interfaces (2), SCSI interface, Ultra SCSI interface, Ultra II SCSI interface, Ultra Wide SCSI interface, parallel port, PS/2 mouse port, serial ports (2), IR connector, USB connectors (2), ATX power
SUPER MICRO
Pentium II (2)
SUPER P6DGU
SUPERPOWER COMPUTER CO., LTD.
Pentium II
SP-6XS
32-bit PCI slots (4), floppy drive interface, green PC connector, IDE interfaces (2), parallel port, PS/2 mouse port, serial ports (2), IR connector, USB connectors (2), ATX power connector, AGP slot, SB-link connector, wake on LAN connector
SUPERPOWER COMPUTER CO., LTD.
Pentium II/Celeron
SP-P2BXA
32-bit PCI slots (4), floppy drive interface, IDE interfaces (2), parallel port, PS/2 mouse port, serial ports (2), IR connector, USB connectors (2), ATX power connector, AGP slot, SB-link connector
SUPERPOWER COMPUTER CO., LTD.
Pentium II/Celeron
SP-P2LXC
32-bit PCI slots (5), floppy drive interface, green PC connector, IDE interfaces (2), parallel port, PS/2 mouse port, serial ports (2), IR connector, USB connectors (2), ATX power connector, AGP slot, wake on LAN connector
SUPERPOWER COMPUTER CO., LTD.
Pentium II/Celeron
SP-P2LXD
32-bit PCI slots (4), floppy drive interface, green PC connector, IDE interfaces (2), parallel port, PS/2 mouse port, serial ports (2), IR connector, USB connectors (2), ATX power connector, AGP slot, SB-link connector, wake on LAN connector
SUPERPOWER COMPUTER CO., LTD.
Pentium II/Celeron
SP-P6XZ
32-bit PCI slots (4), floppy drive interface, IDE interfaces (2), parallel port, PS/2 mouse port, serial ports (2), IR connector, USB connectors (2), ATX power connector, AGP slot, SB-link connector
TAKEN CORPORATION
Pentium II/Pentium Pro
ATX-686
32-bit PCI slots (4), floppy drive interface, IDE interfaces (2), SCSI interface, Wide SCSI interface, parallel port, PS/2 mouse port, serial ports (2), IR connector, USB connector, RAID slot, CPU slot 1
TECHNOLAND, INC.
Pentium II
PEAK 620
Floppy drive interface, IDE interfaces (2), parallel port, PS/2 mouse port, serial ports (2), USB connector
TEKRAM TECHNOLOGY CO., LTD.
Pentium II/Celeron
P6B40-A4X
32-bit PCI slots (4), floppy drive interface, green PC connector, IDE interfaces (2), parallel port, PS/2 mouse port, serial ports (2), IR connector, USB connectors (2), ATX power connector, AGP slot, wake on LAN connector, SB-link connector
TEKRAM TECHNOLOGY CO., LTD.
Pentium II/Celeron
P6B40-A4Z
32-bit PCI slots (4), floppy drive interface, green PC connector, IDE interfaces (2), parallel port, PS/2 mouse port, serial ports (2), IR connector, USB connectors (2), ATX power connector, AGP slot, wake on LAN connector, SB-link connector
TEKRAM TECHNOLOGY CO., LTD.
Pentium II/Celeron
P6B40D-A5
32-bit PCI slots (5), floppy drive interface, green PC connector, IDE interfaces (2), parallel port, PS/2 mouse port, serial ports (2), IR connector, USB connectors (2), ATX power connector, AGP slot, wake on LAN connector
TEKRAM TECHNOLOGY CO., LTD.
Pentium II/Celeron
P6E40-MS3
32-bit PCI slots (3), floppy drive interface, green PC connector, IDE interfaces (2), parallel port, PS/2 mouse port, serial ports (2), IR connector, USB connectors (2), ATX power connector, AGP slot
TEKRAM TECHNOLOGY CO., LTD.
Pentium II/Celeron
P6E40-MS3 (SOUND)
32-bit PCI slots (3), floppy drive interface, green PC connector, IDE interfaces (2), parallel port, PS/2 mouse port, serial ports (2), IR connector, USB connectors (2), ATX power connector, AGP slot, line in, line out, microphone in, audio in – CD-R
TEKRAM TECHNOLOGY CO., LTD.
Pentium Pro/Pentium II
P6F40K-A5
32-bit PCI slots (5), floppy drive interface, green PC connector, IDE interfaces (2), parallel port, PS/2 mouse port, serial ports (2), IR connectors (2), USB connector, ATX power connector
TEKRAM TECHNOLOGY CO., LTD.
Pentium II
P6L40-A4(X)
32-bit PCI slots (4), floppy drive interface, green PC connector, IDE interfaces (2), parallel port, PS/2 mouse port, serial ports (2), IR connector, USB connectors (2), ATX power connector, AGP slot
TEKRAM TECHNOLOGY CO., LTD.
Pentium II
P6L40-A4E
32-bit PCI slots (4), floppy drive interface, green PC connector, IDE interfaces (2), parallel port, PS/2 mouse port, serial ports (2), IR connector, USB connectors (2), ATX power connector, AGP slot, wake on LAN connector
TEKRAM TECHNOLOGY CO., LTD.
Pentium II/Celeron
P6PRO-A5
32-bit PCI slots (5), floppy drive interface, green PC connector, IDE interfaces (2), parallel port, PS/2 mouse port, serial ports (2), IR connector, USB connectors (2), ATX power connector, AGP slot, SB-link connector, wake on LAN connector, wake o
TEXAS MICRO, INC.
Pentium II
P2000(D)FX (MKP) SBC
Floppy drive interface, IDE interface, SCSI interface, parallel port, PS/2 mouse port, serial ports (2), USB connectors (2)
TEXAS MICRO, INC.
Pentium II
P2000(D)FX (SP) SBC
Floppy drive interface, IDE interface, SCSI interface, parallel port, PS/2 mouse interface, serial ports (2), USB connectors (2)
TMC RESEARCH CORPORATION
Pentium II/Pentium Pro
AI6NFK/KP6 (VER. 1.0A)
32-bit PCI slots (4), floppy drive interface, green PC connector, IDE interfaces (2), parallel port, PS/2 mouse interface, serial ports (2), IR connector, USB connectors (2), ATX power connector, CPU Slot 1
TMC RESEARCH CORPORATION
Pentium Pro/Pentium II
AI6NL (VER. 1.0)
32-bit PCI slots (3), floppy drive interface, IDE interfaces (2), parallel port, PS/2 mouse interface, serial ports (2), IR connector, USB connectors (2), ATX power connector, AGP slot
TMC RESEARCH CORPORATION
Pentium II
CI6BM (VER. 1.0)
Ethernet 10/100BaseT connector, floppy drive interface, green PC connector, IDE interfaces (2), parallel port, PS/2 mouse port, serial ports (2), serial port, VGA port, IR connector, USB connectors (2), PC/104 connectors (2)
TMC RESEARCH CORPORATION
Pentium II
CI6BMN (VER. 1.0)
Ethernet 10/100BaseT connector, floppy drive interface, green PC connector, IDE interfaces (2), parallel port, PS/2 mouse port, serial ports (2), serial port, IR connector, USB connectors (2), PC/104 connectors (2)
TMC RESEARCH CORPORATION
Pentium II
CI6BMV (VER. 1.0)
Floppy drive interface, green PC connector, IDE interfaces (2), parallel port, PS/2 mouse port, serial ports (2), serial port, VGA port, IR connector, USB connectors (2), PC/104 connectors (2)
TMC RESEARCH CORPORATION
Pentium II
CI6BMX (VER. 1.0)
Floppy drive interface, green PC connector, IDE interfaces (2), parallel port, PS/2 mouse port, serial ports (2), serial port, IR connector, USB connectors (2), PC/104 connectors (2)
TMC RESEARCH CORPORATION
Pentium II
MI6NE (VER. 1.0)
32-bit PCI slots (3), floppy drive interface, IDE interfaces (2), parallel port, PS/2 mouse port, serial ports (2), IR connector, USB connectors (2), ATX power connector, AGP slot, line in, line out, microphone in, wavetable connector
TMC RESEARCH CORPORATION
Pentium II
TI6NB (VER. 1.0A)
32-bit PCI slots (5), floppy drive interface, IDE interfaces (2), parallel port, PS/2 mouse port, serial ports (2), IR connector, USB connectors (2), ATX power connector, AGP slot
TMC RESEARCH CORPORATION
Pentium II
TI6NLM (VER. 1.0A)
32-bit PCI slots (4), floppy drive interface, green PC connector, IDE interfaces (2), parallel port, PS/2 mouse port, serial ports (2), VGA feature connector, VGA port, IR connector, USB connectors (2), ATX power connector, line in, line out, microph
TOTEM TECHNOLOGY CO., LTD.
Pentium II
TM-P2BX
32-bit PCI slots (5), floppy drive interface, IDE interfaces (2), parallel port, PS/2 mouse port, serial ports (2), IR connectors (2), USB connectors (2), ATX power connector, AGP slot, SB-link connector
TOTEM TECHNOLOGY CO., LTD.
Pentium II
TM-P2BXAT
32-bit PCI slots (4), floppy drive interface, IDE interfaces (2), parallel port, PS/2 mouse interface, serial ports (2), IR connector, USB connector, ATX power connector, AGP slot, SB-link connector, wake on LAN connector
TOTEM TECHNOLOGY CO., LTD.
Pentium II
TM-P2BXATVA
32-bit PCI slots (4), floppy drive interface, IDE interfaces (2), parallel port, PS/2 mouse interface, serial ports (2), IR connector, USB connector, ATX power connector, AGP slot, SB-link connector, wake on LAN connector
TOTEM TECHNOLOGY CO., LTD.
Pentium II
TM-P2EX
32-bit PCI slots (3), floppy drive interface, IDE interfaces (2), parallel port, PS/2 mouse port, serial ports (2), IR connectors (2), USB connectors (2), ATX power connector, AGP slot, SB-link connector
TOTEM TECHNOLOGY CO., LTD.
Pentium II
TM-P2LX
32-bit PCI slots (4), floppy drive interface, IDE interfaces (2), parallel port, PS/2 mouse port, serial ports (2), IR connectors (2), USB connectors (2), ATX power connector, AGP slot
TRENTON TECHNOLOGY, INC.
Pentium II
TR-P2BX
Ethernet 10BaseT connector, floppy drive interface, IDE interfaces (2), Wide Ultra SCSI interface, parallel port, PS/2 mouse port, serial ports (2), VGA port, IR connector, USB connector
TRENTON TECHNOLOGY, INC.
Pentium II
TR-P2LX
Ethernet 10BaseT connector, floppy drive interface, IDE interfaces (2), Wide Ultra SCSI interface, parallel port, PS/2 mouse port, serial ports (2), VGA port, IR connector, USB connector
TRIGEM MICROSYSTEM, INC.
Pentium II
LN620
32-bit PCI slots (4), floppy drive interface, green PC connector, IDE interfaces (2), parallel port, PS/2 mouse port, serial ports (2), IR connector, USB connectors (2), ATX power connector, AGP slot
TRIGEM MICROSYSTEMS, INC.
Pentium II
DT650
32-bit PCI slots (4), floppy drive interface, green PC connector, IDE interfaces (2), parallel port, PS/2 mouse port, serial ports (2), IR connector, USB connectors (2), ATX power connector, AGP slot
TRIGEM MICROSYSTEMS, INC.
Pentium II
LN625
32-bit PCI slots (4), green PC connector, floppy drive interface, IDE interfaces (2), parallel port, PS/2 mouse port, serial ports (2), IR connector, USB connectors (2), ATX power connector, AGP slot
TYAN COMPUTER CORPORATION
Pentium Pro/Pentium II
S1680S
32-bit PCI slots (5), floppy drive interface, green PC connector, IDE interfaces (2), parallel port, PS/2 mouse interface, serial ports (2), IR connector, USB connectors (2), ATX power connector
TYAN COMPUTER CORPORATION
Pentium Pro/Pentium II
S1682D
32-bit PCI slots (5), floppy drive interface, IDE interfaces (2), parallel port, PS/2 mouse port, serial ports (2), IR connectors (2), USB connectors (2), ATX power connector
TYAN COMPUTER CORPORATION
Pentium Pro/Pentium II
S1684S
32-bit PCI slots (4), floppy drive interface, green PC connector, IDE interfaces (2), parallel port, PS/2 mouse port, serial ports (2), IR connector, USB connectors (2), ATX power connector
TYAN COMPUTER CORPORATION
Pentium Pro/Pentium II
S1684SA
32-bit PCI slots (4), floppy drive interface, game port, green PC connector, IDE interfaces (2), parallel port, PS/2 mouse port, serial ports (2), IR connector, USB connectors (2), ATX power connector, line in, line out, microphone in, wavetable conn
TYAN COMPUTER CORPORATION
Pentium Pro/Pentium II
S1686D
32-bit PCI slots (5), floppy drive interface, green PC connector, IDE interfaces (2), parallel port, PS/2 mouse port, serial ports (2), IR connectors (2), USB connectors (2), ATX power connector
TYAN COMPUTER CORPORATION
Pentium Pro/Pentium II
S1686S
32-bit PCI slots (5), floppy drive interface, green PC connector, IDE interfaces (2), parallel port, PS/2 mouse port, serial ports (2), IR connectors (2), USB connectors (2), ATX power connector
TYAN COMPUTER CORPORATION
Pentium II
S1692D
32-bit PCI slots (5), floppy drive interface, green PC connector, IDE interfaces (2), parallel port, PS/2 mouse port, serial ports (2), IR connector, USB connectors (2), ATX power connector, AGP slot
TYAN COMPUTER CORPORATION
Pentium II
S1692S
32-bit PCI slots (5), floppy drive interface, green PC connector, IDE interfaces (2), parallel port, PS/2 mouse port, serial ports (2), IR connector, USB connectors (2), ATX power connector, AGP slot
TYAN COMPUTER CORPORATION
Pentium II/Celeron
S1694L
32-bit PCI slots (2), floppy drive interface, green PC connector, IDE interfaces (2), parallel port, PS/2 mouse port, serial ports (2), IR connector, USB connectors (2), ATX power connector, AGP slot, wake on LAN connector
TYAN COMPUTER CORPORATION
Pentium II/Celeron
S1694SA
32-bit PCI slots (2), floppy drive interface, game/MIDI port, green PC connector, IDE interfaces (2), parallel port, PS/2 mouse port, serial ports (2), IR connector, USB connectors (2), ATX power connector, AGP slot, line in, line out, microphone in
TYAN COMPUTER CORPORATION
Pentium II
S1696DLUA
32-bit PCI slots (4), floppy drive interface, game port, green PC connector, IDE interfaces (2), SCSI interface, Wide Ultra SCSI interface, parallel port, PS/2 mouse port, serial ports (2), IR connector, USB connectors (2), ATX power connector, AGP s
TYAN COMPUTER CORPORATION
Pentium II/Celeron
S1830S, S1830SL
32-bit PCI slots (4), floppy drive interface, green PC connector, IDE interfaces (2), parallel port, PS/2 mouse interface, serial ports (2), IR connector, USB connector, ATX power connector, AGP slot, wake on LAN connector
TYAN COMPUTER CORPORATION
Pentium II/Celeron
S1832DL
32-bit PCI slots (5), floppy drive interface, green PC connector, IDE interfaces (2), parallel port, PS/2 mouse port, serial ports (2), IR connector, USB connectors (2), ATX power connector, AGP slot
TYAN COMPUTER CORPORATION
Pentium II/Celeron
S1836DLUAN
32-bit PCI slots (6), floppy drive interface, game/MIDI port, green PC connector, IDE interfaces (2), parallel port, PS/2 mouse port, serial ports (2), IR connector, USB connectors (2), ATX power connector, AGP slot, line in, line out, microphone in
TYAN COMPUTER CORPORATION
Pentium II/Celeron
S1846S
32-bit PCI slots (5), floppy drive interface, green PC connector, IDE interfaces (2), parallel port, PS/2 mouse port, serial ports (2), IR connector, USB connectors (2), ATX power connector, AGP slot
TYAN COMPUTER CORPORATION
Pentium II/Celeron
S1846S (LA)
32-bit PCI slots (5), floppy drive interface, game/MIDI port, green PC connector, IDE interfaces (2), parallel port, PS/2 mouse port, serial ports (2), IR connector, USB connectors (2), ATX power connector, AGP slot, line in, line out, microphone in
TYAN COMPUTER CORPORATION
Pentium II/Celeron
S1894SLA (BX)
32-bit PCI slots (3), floppy drive interface, game/MIDI port, green PC connector, IDE interfaces (2), parallel port, PS/2 mouse port, serial ports (2), IR connector, USB connectors (2), ATX power connector, AGP slot, line in, line out, microphone in
TYAN COMPUTER CORPORATION
Pentium II/Celeron
S1894SLA (ZX)
32-bit PCI slots (3), floppy drive interface, game/MIDI port, green PC connector, IDE interfaces (2), parallel port, PS/2 mouse port, serial ports (2), IR connector, USB connectors (2), ATX power connector, AGP slot, line in, line out, microphone in
TYAN COMPUTER CORPORATION
Pentium II
S1952DLU
32-bit PCI slots (6), floppy drive interface, IDE interfaces (2), SCSI interface, Wide Ultra SCSI interfaces (2), parallel port, PS/2 mouse port, serial ports (2), IR connector, USB connectors (2), ATX power connector, AGP slot, RAID slot, wake on LA
UNIVERSAL SCIENTIFIC INDUSTRIES CO., LTD.
Pentium II
PRO-273
32-bit PCI slots (4), floppy drive interface, IDE interfaces (2), parallel port, PS/2 mouse port, serial port, IR connector, USB connectors (2), ATX power connector
VEXTREC
Pentium II
GMB-P6LIAK (VER. 1.04)
32-bit PCI slots (4), floppy drive interface, IDE interface, parallel port, PS/2 mouse port, serial ports (2)
VEXTREC COMPUTER, INC.
Pentium II
GMB-P6BIAK (VER. 3.00)
32-bit PCI slots (4), floppy drive interface, IDE interface, parallel port, PS/2 mouse port, serial ports (2), USB connectors (2), IR connector
VEXTREC COMPUTER, INC.
Pentium II
GMB-P6EIMG (VER. 1.00)
32-bit PCI slots (2), floppy drive interface, game/MIDI port, IDE interfaces (2), parallel port, PS/2 mouse port, serial ports (2), IR connector, USB connectors (2), ATX power connector, AGP slot, line in, line out, microphone in, audio in – CD-ROMs
VEXTREC COMPUTER, INC.
Pentium II
GMB-P6EIMG (VER. 1.01)
32-bit PCI slots (2), floppy drive interface, game/MIDI port, IDE interfaces (2), parallel port, PS/2 mouse port, serial ports (2), IR connector, USB connectors (2), ATX power connector, AGP slot, line in, line out, microphone in, audio in – CD-ROMs
VEXTREC COMPUTER, INC.
Pentium II
GMB-P6EIMG (VER. 1.02)
32-bit PCI slots (2), floppy drive interface, game/MIDI port, IDE interfaces (2), parallel port, PS/2 mouse port, serial ports (2), IR connector, USB connectors (2), ATX power connector, AGP slot, line in, line out, microphone in, audio in – CD-ROMs
VEXTREC TECHNOLOGY, INC.
Pentium II
GMB-P6BIAK (VER. 1.00)
32-bit PCI slots (4), floppy drive interface, green PC connector, IDE interface, parallel port, PS/2 mouse port, serial ports (2),
VEXTREC TECHNOLOGY, INC.
Pentium II
GMB-P6IAK (VER. 1.02)
32-bit PCI slots (5), floppy drive interface, green PC connector, IDE interface (2), parallel port, PS/2 mouse port, serial ports (2), IR connector, USB connector (2), ATX power connector
VEXTREC TECHNOLOGY, INC.
Pentium II
GMB-P6LIAK (VER. 1.00)
32-bit PCI slots (4), floppy drive interface, IDE interfaceS (2), parallel port, PS/2 mouse port, serial ports (2), IR connector, USB connectors (2), AGP slot, ATX power connector
VEXTREC TECHNOLOGY, INC.
Pentium II
GMB-P6LIDK (VER. 1.00)
32-bit PCI slots (4), floppy drive interface, IDE interfaces (2), parallel port, PS/2 mouse port, serial ports (2), USB ports (2), SCSI connector, SCSI UltraWide connector, AGP slot, RAID slot
ZIDA TECHNOLOGIES INC.
Pentium II/Celeron
CREATELX/LXE-ATX (VER. 1.40)
32-bit PCI slots (5), floppy drive interface, green PC connector, IDE interfaces (2), parallel port, PS/2 mouse port, serial ports (2), ATX power connector, AGP slot, IR, connector, USB connectors (2), PS/2 mouse interface, audio in - CD-ROMs (2), SB
ZIDA TECHNOLOGIES, INC.
Pentium II/Celeron
6ABX (VER. 1.10), 6ALX (VER. 1.10)
32-bit PCI slots (5), floppy drive interface, green PC connector, IDE interfaces (2), parallel port, PS/2 mouse port, serial ports (2), IR connector, USB connectors (2), ATX power connector, AGP slot
ZIDA TECHNOLOGIES, INC.
Pentium II/Celeron
6DLX (VER. 1.40)
32-bit PCI slots (4), floppy drive interface, green PC connector, IDE interfaces (2), parallel port, PS/2 mouse interface, serial ports (2), IR connector, USB connectors (2), ATX power connector, AGP slot
ZIDA TECHNOLOGIES, INC.
Pentium II
6MFX (VER. 1.00)
32-bit PCI slots (5), floppy drive interface, game/MIDI port, green PC connector, IDE interfaces (2), parallel port, PS/2 mouse port, serial ports (2), IR connector, USB connectors (2), ATX power connector, line in, line out, microphone in, audio in
ZIDA TECHNOLOGIES, INC.
Pentium II/Celeron
CREATELX/LXE-AT (VER. 1.40)
32-bit PCI slots (4), floppy drive interface, green PC connector, IDE interfaces (2), parallel port, PS/2 mouse port, serial ports (2), ATX power connector, AGP slot, IR, connector, USB connectors (2), PS/2 mouse interface, audio in – CD-ROMs (2), SB
ZIDA TECHNOLOGIES, INC.
Pentium II/Celeron
EX98 (VER. 1.40)
32-bit PCI slots (3), floppy drive interface, green PC connector, IDE interfaces (2), parallel port, PS/2 mouse interface, serial ports (2), IR connector, USB connectors (2), ATX power connector, AGP slot
ZIDA TECHNOLOGIES, LTD.
Pentium II
6MLX (VER. 1.10)
32-bit PCI slots (4), floppy drive interface, green PC connector, IDE interfaces (2), parallel port, PS/2 mouse port, serial ports (2), IR connector, USB connectors (2), ATX power connector, AGP slot