MICRONICS COMPUTERS, INC.

HELIOS

Device Type

Mainboard

Processor

Pentium II

Processor Speed

233/266/300/333/350/400MHz

Chip Set

Intel

Video Chip Set

None

Maximum Onboard Memory

1GB (EDO & SDRAM supported)

Maximum Video Memory

None

Cache

256/512KB (located on Pentium II CPU)

BIOS

Phoenix

Dimensions

305mm x 244mm

I/O Options

32-bit PCI slots (5), floppy drive interface, game/MIDI port, IDE interfaces (2), parallel port, PS/2 mouse port, serial ports (2), USB connectors (2), ATX power connector, AGP slot, line in, line out, microphone in, audio in – CD-ROM

NPU Options

None

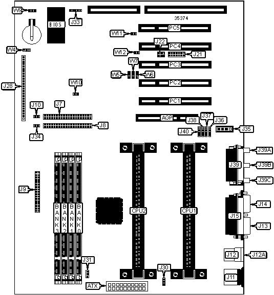
CONNECTIONS

Purpose

Location

Purpose

Location

AGP slot

AGP

Reset switch

J28/pins 22 & 23

ATX power connector

ATX

Speaker

J28/pins 24 - 27

IDE interface 1

J7

CPU fan power 1

J30

IDE interface 2

J8

CPU fan power 2

J31

Floppy drive interface

J9

Chassis fan power

J32

IDE interface LED

J10

I2C connector

J33

PS/2 mouse port

J11

Chassis intrusion alarm

J34

USB connector 1

J12

Audio in – CD-ROM

J35

USB connector 2

J12A

Video audio input

J36

Serial port 1

J13

Audio auxiliary input

J37

Serial port 2

J14

Telephony connector

J38

Parallel port

J15

Game/MIDI port

J39

PCI sideband connector

J21

Microphone in

J39A

PCI sideband connector

J22

Line in

J39B

Soft off power supply

J28/pins 1 & 2

Line out

J39C

IDE interface LED

J28/pins 13 - 16

Audio line in

J40

Power LED

J28/pins 18 – 20

32-bit PCI slots

PC1 – PC5

USER CONFIGURABLE SETTINGS

Function

Label

Position

»

Flash BIOS write protect enabled

W4

Pins 1 & 2 closed

 

Flash BIOS write protect disabled

W4

Pins 2 & 3 closed

»

CMOS memory normal operation

W9

Pins 1 & 2 closed

 

CMOS memory clear

W9

Pins 2 & 3 closed

»

Soft off power supply enabled

W10

Open

 

Soft off power supply disabled

W10

Closed

»

Sound enabled/disabled through BIOS

W11

Closed

 

Sound disabled through hardware

W11

Open

»

CPU speed select from BIOS disabled

W12

Open

 

CPU speed select from BIOS enabled

W12

Closed

DIMM CONFIGURATION

Size

Bank 0

Bank 1

Bank 2

Bank 3

8MB

(1) 1M x 64

None

None

None

16MB

(1) 2M x 64

None

None

None

16MB

(1) 1M x 64

(1) 1M x 64

None

None

24MB

(1) 2M x 64

(1) 1M x 64

None

None

24MB

(1) 1M x 64

(1) 1M x 64

(1) 1M x 64

None

32MB

(1) 4M x 64

None

None

None

32MB

(1) 2M x 64

(1) 2M x 64

None

None

32MB

(1) 1M x 64

(1) 1M x 64

(1) 1M x 64

(1) 1M x 64

40MB

(1) 4M x 64

(1) 1M x 64

None

None

48MB

(1) 4M x 64

(1) 2M x 64

None

None

48MB

(1) 2M x 64

(1) 2M x 64

(1) 2M x 64

None

64MB

(1) 2M x 64

(1) 2M x 64

(1) 2M x 64

(1) 2M x 64

64MB

(1) 8M x 64

None

None

None

64MB

(1) 4M x 64

(1) 4M x 64

None

None

72MB

(1) 8M x 64

(1) 1M x 64

None

None

80MB

(1) 8M x 64

(1) 2M x 64

None

None

96MB

(1) 8M x 64

(1) 4M x 64

None

None

96MB

(1) 4M x 64

(1) 4M x 64

(1) 4M x 64

None

128MB

(1) 16M x 64

None

None

None

128MB

(1) 8M x 64

(1) 8M x 64

None

None

128MB

(1) 4M x 64

(1) 4M x 64

(1) 4M x 64

(1) 4M x 64

136MB

(1) 16M x 64

(1) 1M x 64

None

None

144MB

(1) 16M x 64

(1) 2M x 64

None

None

152MB

(1) 16M x 64

(1) 1M x 64

(1) 1M x 64

(1) 1M x 64

160MB

(1) 16M x 64

(1) 4M x 64

None

None

176MB

(1) 16M x 64

(1) 2M x 64

(1) 2M x 64

(1) 2M x 64

192MB

(1) 16M x 64

(1) 8M x 64

None

None

192MB

(1) 8M x 64

(1) 8M x 64

(1) 8M x 64

None

224MB

(1) 16M x 64

(1) 4M x 64

(1) 4M x 64

(1) 4M x 64

256MB

(1) 32M x 64

None

None

None

256MB

(1) 16M x 64

(1) 16M x 64

None

None

256MB

(1) 8M x 64

(1) 8M x 64

(1) 8M x 64

(1) 8M x 64

272MB

(1) 16M x 64

(1) 16M x 64

(1) 1M x 64

(1) 1M x 64

280MB

(1) 32M x 64

(1) 1M x 64

(1) 1M x 64

(1) 1M x 64

288MB

(1) 16M x 64

(1) 16M x 64

(1) 2M x 64

(1) 2M x 64

304MB

(1) 32M x 64

(1) 2M x 64

(1) 2M x 64

(1) 2M x 64

DIMM CONFIGURATION (CON’T)

Size

Bank 0

Bank 1

Bank 2

Bank 3

320MB

(1) 16M x 64

(1) 16M x 64

(1) 4M x 64

(1) 4M x 64

320MB

(1) 16M x 64

(1) 8M x 64

(1) 8M x 64

(1) 8M x 64

352MB

(1) 32M x 64

(1) 4M x 64

(1) 4M x 64

(1) 4M x 64

384MB

(1) 16M x 64

(1) 16M x 64

(1) 16M x 64

None

448MB

(1) 32M x 64

(1) 8M x 64

(1) 8M x 64

(1) 8M x 64

512MB

(1) 32M x 64

(1) 32M x 64

None

None

512MB

(1) 16M x 64

(1) 16M x 64

(1) 16M x 64

(1) 16M x 64

640MB

(1) 32M x 64

(1) 16M x 64

(1) 16M x 64

(1) 16M x 64

768MB

(1) 32M x 64

(1) 32M x 64

(1) 32M x 64

None

1024MB

(1) 32M x 64

(1) 32M x 64

(1) 32M x 64

(1) 32M x 64

Note: Board accepts EDO & SDRAM memory.

CACHE CONFIGURATION

Note: 256KB/512KB cache is located on the Pentium II CPU.

USB SELECTION

Setting

W5

W6

W7

»

USB 1 routed to J12

Pins 2 & 3 closed

Pins 2 & 3 closed

Pins 2 & 3 closed

 

USB 1 routed to J1

Pins 1 & 2 closed

Pins 1 & 2 closed

Pins 1 & 2 closed