TEKRAM TECHNOLOGY CO., LTD.

P6PRO-A5

Device Type

Mainboard

Processor

Pentium II/Celeron

Processor Speed

233/266/300/333/350/366/400/450/500/550MHz

Chip Set

VIA Apollo

Maximum Onboard Memory

384MB (EDO & SDRAM supported)

Cache

0/128/256/512KB (located on the CPU)

BIOS

Award

Dimensions

305mm x 175mm

I/O Options

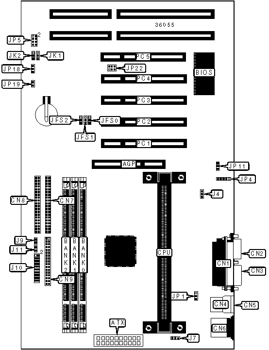
32-bit PCI slots (5), floppy drive interface, green PC connector, IDE interfaces (2), parallel port, PS/2 mouse port, serial ports (2), IR connector, USB connectors (2), ATX power connector, AGP slot, SB-link connector, wake on LAN connector, wake on modem connector

CONNECTIONS

Purpose

Location

Purpose

Location

AGP slot

AGP

Soft off power supply

J9

ATX power connector

ATX

Power LED & keylock

J10/pins 2/4/6/8/10

Parallel port

CN1

Turbo LED

J10/pins 3 & 5

Serial port 2

CN2

Green PC connector

J10/pins 7 & 9

Serial port 1

CN3

Speaker

J10/pins 14/16/18/20

USB connector 1

CN4

Reset switch

J10/pins 17 & 19

USB connector 2

CN5

IDE interface LED

J11

PS/2 mouse port

CN6

IR connector

JP4

IDE interface 2

CN7

Wake on modem connector

JP11

IDE interface 1

CN8

Chassis fan power

JP18

Floppy drive interface

CN9

SB-link connector

JP22

Wake on LAN connector

J4

32-bit PCI slots

PC1 - PC5

Chassis fan power

J7

   

USER CONFIGURABLE SETTINGS

Function

Label

Position

 

DIMM clock select CPU CLK

JK2

Pins 2 & 3 closed

 

DIMM clock select AGP CLK

JK2

Pins 1 & 2 closed

 

Keyboard power on enabled

JP1

Pins 1 & 2 closed

 

Keyboard power on disabled

JP1

Pins 2 & 3 closed

 

Power state function enabled

JP19

Closed

 

Power state function disabled

JP19

Open

DIMM CONFIGURATION

Size

Bank 0

Bank 1

Bank 2

8MB

(1) 1M x 64

None

None

16MB

(1) 2M x 64

None

None

16MB

(1) 1M x 64

(1) 1M x 64

None

24MB

(1) 2M x 64

(1) 1M x 64

None

24MB

(1) 1M x 64

(1) 1M x 64

(1) 1M x 64

32MB

(1) 4M x 64

None

None

32MB

(1) 2M x 64

(1) 1M x 64

(1) 1M x 64

32MB

(1) 2M x 64

(1) 2M x 64

None

40MB

(1) 4M x 64

(1) 1M x 64

None

40MB

(1) 2M x 64

(1) 2M x 64

(1) 1M x 64

48MB

(1) 4M x 64

(1) 1M x 64

(1) 1M x 64

48MB

(1) 4M x 64

(1) 2M x 64

None

48MB

(1) 2M x 64

(1) 2M x 64

(1) 2M x 64

56MB

(1) 4M x 64

(1) 2M x 64

(1) 1M x 64

64MB

(1) 8M x 64

None

None

64MB

(1) 4M x 64

(1) 2M x 64

(1) 2M x 64

64MB

(1) 4M x 64

(1) 4M x 64

None

72MB

(1) 8M x 64

(1) 1M x 64

None

DIMM CONFIGURATION (CON'T)

Size

Bank 0

Bank 1

Bank 2

72MB

(1) 4M x 64

(1) 4M x 64

(1) 1M x 64

80MB

(1) 8M x 64

(1) 1M x 64

(1) 1M x 64

80MB

(1) 8M x 64

(1) 2M x 64

None

80MB

(1) 4M x 64

(1) 4M x 64

(1) 2M x 64

88MB

(1) 8M x 64

(1) 2M x 64

(1) 1M x 64

96MB

(1) 8M x 64

(1) 2M x 64

(1) 2M x 64

96MB

(1) 8M x 64

(1) 4M x 64

None

96MB

(1) 4M x 64

(1) 4M x 64

(1) 4M x 64

104MB

(1) 8M x 64

(1) 4M x 64

(1) 1M x 64

112MB

(1) 8M x 64

(1) 4M x 64

(1) 2M x 64

128MB

(1) 16M x 64

None

None

128MB

(1) 8M x 64

(1) 4M x 64

(1) 4M x 64

128MB

(1) 8M x 64

(1) 8M x 64

None

136MB

(1) 16M x 64

(1) 1M x 64

None

136MB

(1) 8M x 64

(1) 8M x 64

(1) 1M x 64

144MB

(1) 16M x 64

(1) 1M x 64

(1) 1M x 64

144MB

(1) 16M x 64

(1) 2M x 64

None

144MB

(1) 8M x 64

(1) 8M x 64

(1) 2M x 64

152MB

(1) 16M x 64

(1) 2M x 64

(1) 1M x 64

160MB

(1) 16M x 64

(1) 2M x 64

(1) 2M x 64

160MB

(1) 16M x 64

(1) 4M x 64

None

160MB

(1) 8M x 64

(1) 8M x 64

(1) 4M x 64

168MB

(1) 16M x 64

(1) 4M x 64

(1) 1M x 64

176MB

(1) 16M x 64

(1) 4M x 64

(1) 2M x 64

192MB

(1) 16M x 64

(1) 4M x 64

(1) 4M x 64

192MB

(1) 16M x 64

(1) 8M x 64

None

192MB

(1) 8M x 64

(1) 8M x 64

(1) 8M x 64

200MB

(1) 16M x 64

(1) 8M x 64

(1) 1M x 64

208MB

(1) 16M x 64

(1) 8M x 64

(1) 2M x 64

224MB

(1) 16M x 64

(1) 8M x 64

(1) 4M x 64

256MB

(1) 16M x 64

(1) 8M x 64

(1) 8M x 64

384MB

(1) 16M x 64

(1) 16M x 64

(1) 16M x 64

Note: Board accepts SDRAM memory.

CACHE CONFIGURATION

Note: 256KB/512KB cache is located on the Pentium II CPU. 128KB cache is located on the Celeron 300A & 333 CPU.

CPU SPEED SELECTION

CPU speed

Clock speed

Multiplier

JFS0

JFS1

JFS2

233MHz

66MHz

3.5x

2 & 3

2 & 3

1 & 2

266MHz

66MHz

4x

2 & 3

2 & 3

1 & 2

300MHz

66MHz

4.5x

2 & 3

2 & 3

1 & 2

333MHz

66MHz

5x

2 & 3

2 & 3

1 & 2

366MHz

66MHz

5.5x

2 & 3

2 & 3

1 & 2

350MHz

100MHz

3.5x

1 & 2

1 & 2

1 & 2

400MHz

100MHz

4x

1 & 2

1 & 2

1 & 2

450MHz

100MHz

4.5x

1 & 2

1 & 2

1 & 2

500MHz

100MHz

5x

1 & 2

1 & 2

1 & 2

550MHz

100MHz

5.5x

1 & 2

1 & 2

1 & 2

Note: Pins designated should be in the closed position.

CPU SPEED SELECTION (CON'T)

CPU speed

Clock speed

Multiplier

JK1

JP5

233MHz

66MHz

3.5x

2 & 3

1 & 2, 7 & 8

266MHz

66MHz

4x

2 & 3

1 & 2, 3 & 4, 5 & 6

300MHz

66MHz

4.5x

2 & 3

1 & 2, 5 & 6

333MHz

66MHz

5x

2 & 3

1 & 2, 3 & 4

366MHz

66MHz

5.5x

2 & 3

1 & 2

350MHz

100MHz

3.5x

1 & 2

1 & 2, 7 & 8

400MHz

100MHz

4x

1 & 2

1 & 2, 3 & 4, 5 & 6

450MHz

100MHz

4.5x

1 & 2

1 & 2, 5 & 6

500MHz

100MHz

5x

1 & 2

1 & 2, 3 & 4

550MHz

100MHz

5.5x

1 & 2

1 & 2

Note: Pins designated should be in the closed position.