SIEMENS NIXDORF

SYSTEM BOARD D992 (DUAL)

Device Type

Mainboard

Processor

Pentium II

Processor Speed

266/300/333MHz

Chip Set

Intel 440FX

Video Chip Set

Cirrus Logic

Maximum Onboard Memory

512MB

Maximum Video Memory

2MB

Cache

256/512KB (located on Pentium II CPU)

BIOS

Unidentified

Dimensions

305mm x 244mm

I/O Options

32-bit PCI slots (6), floppy drive interface, IDE interface, Wide Ultra SCSI interface, parallel port, PS/2 mouse port, serial ports (2), VGA port, VRM connectors (2), wake on modem connector

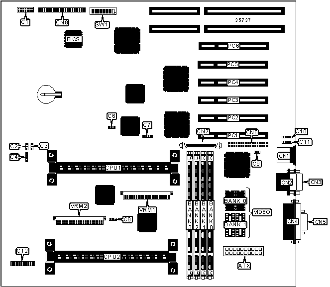
CONNECTIONS

Purpose

Location

Purpose

Location

ATX power connector

ATX

Front panel connector

C12

SMM connector

C1

PS/2 mouse port

CN1

Chassis fan power

C2

Serial port 2

CN2

Chassis fan power

C3

Serial port 1

CN3

Speaker

C4

Parallel port

CN4

Control panel connector

C5

VGA port

CN5

Temperature sensor 1

C6

Floppy drive interface

CN6

SCSI interface LED

C7

Ultra Wide SCSI interface

CN7

Temperature sensor 2

C8

IDE interface

CN8

Wake on modem connector

C9

32-bit PCI slots

PC1 – PC6

Can bus control connector 1

C10

VRM connector

VRM1

Can bus control connector 2

C11

VRM connector

VRM2

USER CONFIGURABLE SETTINGS

Function

Label

Position

»

Flash BIOS normal operation

SW1/1

Off

 

Flash BIOS recovery mode

SW1/1

On

»

Factory configured - do not alter

SW1/2

Off

»

Flash BIOS write protect disabled

SW1/3

Off

 

Flash BIOS write protect enabled

SW1/3

On

»

Floppy drive write protect disabled

SW1/4

Off

 

Floppy drive write protect enabled

SW1/4

On

DIMM CONFIGURATION

Size

Bank 0

Bank 1

Bank 2

Bank 3

64MB

(1) 2M x 64

(1) 2M x 64

(1) 2M x 64

(1) 2M x 64

64MB

(1) 8M x 64

None

None

None

64MB

(1) 4M x 64

(1) 4M x 64

None

None

72MB

(1) 8M x 64

(1) 1M x 64

None

None

80MB

(1) 8M x 64

(1) 2M x 64

None

None

96MB

(1) 8M x 64

(1) 4M x 64

None

None

96MB

(1) 4M x 64

(1) 4M x 64

(1) 4M x 64

None

128MB

(1) 16M x 64

None

None

None

128MB

(1) 8M x 64

(1) 8M x 64

None

None

128MB

(1) 4M x 64

(1) 4M x 64

(1) 4M x 64

(1) 4M x 64

DIMM CONFIGURATION (CON’T)

Size

Bank 0

Bank 1

Bank 2

Bank 3

136MB

(1) 16M x 64

(1) 1M x 64

None

None

144MB

(1) 16M x 64

(1) 2M x 64

None

None

152MB

(1) 16M x 64

(1) 1M x 64

(1) 1M x 64

(1) 1M x 64

160MB

(1) 16M x 64

(1) 4M x 64

None

None

176MB

(1) 16M x 64

(1) 2M x 64

(1) 2M x 64

(1) 2M x 64

192MB

(1) 16M x 64

(1) 8M x 64

None

None

192MB

(1) 8M x 64

(1) 8M x 64

(1) 8M x 64

None

224MB

(1) 16M x 64

(1) 4M x 64

(1) 4M x 64

(1) 4M x 64

256MB

(1) 16M x 64

(1) 16M x 64

None

None

256MB

(1) 8M x 64

(1) 8M x 64

(1) 8M x 64

(1) 8M x 64

272MB

(1) 16M x 64

(1) 16M x 64

(1) 1M x 64

(1) 1M x 64

288MB

(1) 16M x 64

(1) 16M x 64

(1) 2M x 64

(1) 2M x 64

320MB

(1) 16M x 64

(1) 16M x 64

(1) 4M x 64

(1) 4M x 64

320MB

(1) 16M x 64

(1) 8M x 64

(1) 8M x 64

(1) 8M x 64

384MB

(1) 16M x 64

(1) 16M x 64

(1) 16M x 64

None

448MB

(1) 32M x 64

(1) 8M x 64

(1) 8M x 64

(1) 8M x 64

512MB

(1) 16M x 64

(1) 16M x 64

(1) 16M x 64

(1) 16M x 64

CACHE CONFIGURATION

Note: 256KB/512KB cache is located on the Pentium II CPU.

VIDEO MEMORY CONFIGURATION

Size

Bank 0

Bank 1

1MB

(2) 256K x 16

None

2MB

(2) 256K x 16

(2) 256K x 16

CPU SPEED SELECTION

CPU speed

Clock speed

Multiplier

SW1/5

SW1/6

SW1/7

SW1/8

266MHz

66MHz

4x

On

On

On

Off

300MHz

66MHz

4.5x

On

Off

On

Off

333MHz

66MHz

5x

On

On

Off

Off