MICRO-STAR INTERNATIONAL CO., LTD.

MS-6111

Processor

Pentium II

Processor Speed

200/233/266/300/333MHz

Chip Set

Intel

Video Chip Set

None

Maximum Onboard Memory

1GB (EDO supported)

Maximum Video Memory

None

Cache

256/512KB (located on Pentium II CPU)

BIOS

Unidentified

Dimensions

300mm x 230mm

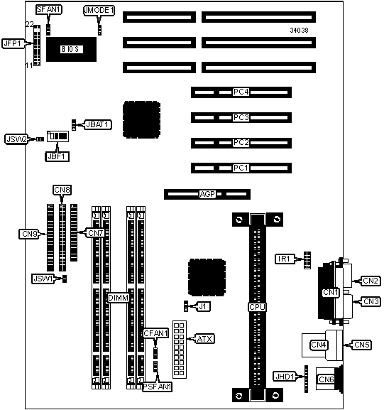
I/O Options

32-bit PCI slots (4), floppy drive interface, IDE interfaces (2), PS/2 mouse port, serial ports (2), parallel port, IR connector, USB connector, ATX power connector, AGP slot

NPU Options

None

CONNECTIONS

Purpose

Location

Purpose

Location

AGP slot

AGP

IR connector

IR1

ATX power connector

ATX

Power LED & keylock

JFP1/pins 1 - 5

Parallel port

CN1

Speaker

JFP1/pins 7 - 10

Serial port 1

CN2

Turbo LED

JFP1/pins 12 & 13

Serial port 2

CN3

Reset switch

JFP1/pins 19 & 20

USB connector 1

CN4

IDE interface LED

JFP1/pins 21 & 22

USB connector 2

CN5

Soft off power supply

JSW1

PS/2 mouse port

CN6

Soft off power supply

JSW2

Floppy drive interface

CN7

32-bit PCI slots

PC1 – PC4

IDE interface 2

CN8

Power supply fan

PSFAN1

IDE interface 1

CN9

Chassis fan power

SFAN1

CPU fan

CFAN1

   

USER CONFIGURABLE SETTINGS

Function

Label

Position

»

Factory configured - do not alter

J1

Unidentified

»

CMOS memory normal operation

JBAT1

Pins 1 & 2 closed

 

CMOS memory clear

JBAT1

Pins 2 & 3 closed

»

Factory configured - do not alter

JHD1

Unidentified

»

Flash BIOS voltage select 5v

JMODE1

Pins 2 & 3 closed

 

Flash BIOS voltage select 12v

JMODE1

Pins 1 & 2 closed

DIMM CONFIGURATION

Size

Bank 0

Bank 1

Bank 2

Bank 3

8MB

(1) 1M x 64

None

None

None

16MB

(1) 2M x 64

None

None

None

16MB

(1) 1M x 64

(1) 1M x 64

None

None

24MB

(1) 2M x 64

(1) 1M x 64

None

None

24MB

(1) 1M x 64

(1) 1M x 64

(1) 1M x 64

None

32MB

(1) 4M x 64

None

None

None

32MB

(1) 2M x 64

(1) 2M x 64

None

None

32MB

(1) 1M x 64

(1) 1M x 64

(1) 1M x 64

(1) 1M x 64

40MB

(1) 4M x 64

(1) 1M x 64

None

None

48MB

(1) 4M x 64

(1) 2M x 64

None

None

48MB

(1) 2M x 64

(1) 2M x 64

(1) 2M x 64

None

64MB

(1) 8M x 64

None

None

None

64MB

(1) 4M x 64

(1) 4M x 64

None

None

64MB

(1) 2M x 64

(1) 2M x 64

(1) 2M x 64

(1) 2M x 64

72MB

(1) 8M x 64

(1) 1M x 64

None

None

80MB

(1) 8M x 64

(1) 2M x 64

None

None

96MB

(1) 8M x 64

(1) 4M x 64

None

None

DIMM CONFIGURATION (CON’T)

Size

Bank 0

Bank 1

Bank 2

Bank 3

96MB

(1) 4M x 64

(1) 4M x 64

(1) 4M x 64

None

128MB

(1) 8M x 64

(1) 8M x 64

None

None

128MB

(1) 4M x 64

(1) 4M x 64

(1) 4M x 64

(1) 4M x 64

128MB

(1) 16M x 64

None

None

None

192MB

(1) 8M x 64

(1) 8M x 64

(1) 8M x 64

None

256MB

(1) 8M x 64

(1) 8M x 64

(1) 8M x 64

(1) 8M x 64

256MB

(1) 16M x 64

(1) 16M x 64

None

None

256MB

(1) 32M x 64

None

None

None

384MB

(1) 16M x 64

(1) 16M x 64

(1) 16M x 64

None

512MB

(1) 16M x 64

(1) 16M x 64

(1) 16M x 64

(1) 16M x 64

512MB

(1) 32M x 64

(1) 32M x 64

None

None

768MB

(1) 32M x 64

(1) 32M x 64

(1) 32M x 64

None

1GB

(1) 32M x 64

(1) 32M x 64

(1) 32M x 64

(1) 32M x 64

Note: If SDRAM are used the maximum memory is 512MB. If EDO is used the maximum memory is 1GB.

CACHE CONFIGURATION

Note: 256KB/512KB cache is located on the Pentium II CPU.

CPU SPEED SELECTION

Speed

JBF1/1

JBF1/2

JBF1/3

JBF1/4

200MHz

On

Off

On

On

233MHz

On

Off

Off

On

266MHz

Off

On

On

On

300MHz

Off

On

Off

On

333MHz

Off

Off

On

On