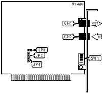
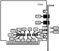
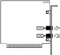
Modem. 8-bit ISA