WISECOM, INC.

DATA/FAX MODEM 28.8 V.34

Card Type

Fax, Modem (asynchronous)

Chip Set

Unidentified

Maximum Data Rate

28.8Kbps

Maximum Fax Rate

14.4Kbps

Data Bus

8-bit ISA

Fax Class

Class I & II

Data Modulation Protocol

Bell 103A/212A

ITU-T V.21, V.22, V.22bis, V.32, V.32bis, V.34

Rockwell V.FC

Fax Modulation Protocol

ITU-T V.17, V.21CH2, V.27ter, V.29

Error Correction/Compression

MNP5, V.42, V.42bis

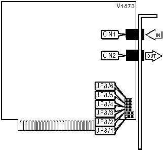
CONNECTIONS

Function

Label

Function

Label

Line in

CN1

Line out

CN2

SERIAL PORT ADDRESS

Setting

JP8/1

JP8/2

COM1 (3F8h)

Pins 1 & 2 closed

Pins 1 & 2 closed

COM2 (2F8h)

Pins 2 & 3 closed

Pins 1 & 2 closed

COM3 (3E8h)

Pins 1 & 2 closed

Pins 2 & 3 closed

í COM4 (2E8h)

Pins 2 & 3 closed

Pins 2 & 3 closed

INTERRUPT

Setting

JP8/3

JP8/4

JP8/5

JP8/6

2

Closed

Open

Open

Open

í 3

Open

Closed

Open

Open

4

Open

Open

Closed

Open

5

Open

Open

Open

Closed

Proprietary AT Command Set

AUTO-RETRAIN - FALLBACK/FALLFORWARD

Type:

Configuration

Format:

AT [cmds] %En [cmds]

Description:

Controls auto-retrain mode and fallback/fall forward

Command

Function

%E0

Auto-retrain disabled

%E1

Auto-retrain enabled

í %E2

Fallback/fall forward enabled

BIT MAPPED REGISTERS

Register

Default

S14

Unidentified

S16

0

S21

Unidentified

S22

Unidentified

S23

Unidentified

S27

Unidentified

S31

Unidentified

S39

3

S40

105

S41

3

BREAK SEND

Type:

Configuration

Format:

AT [cmds] \Bn [cmds]

Default:

3

Range:

0-9

Unit:

.1 second

Description:

Sends break to modem

BREAK TYPE

Type

Configuration

Format

AT [cmds] \Kn [cmds]

Default

5

Range

0-5

Description

Configures action of break signal

COMPRESSION

Type:

Configuration

Format:

AT [cmds] %Cn [cmds]

Description:

Selects data compression

Command

Function

%C0

Data compression disabled

%C1

MNP5 enabled

%C2

V.42bis enabled

í %C3

MNP5 and V.42bis enabled

CONNECT MODE

Type:

Configuration

Format:

AT [cmds] \Nn [cmds]

Description:

Sets connect mode

Command

Function

\N0

Normal mode enabled

\N1

Direct mode only enabled

\N2

V.42 and MNP mode enabled

í \N3

V.42, MNP, or Normal mode enabled

\N4

V.42 mode only enabled

\N5

MNP mode only enabled

DISPLAYS LINE SIGNAL LEVEL

Type:

Immediate

Format:

AT [cmds] %L [cmds]

Description:

Displays received line signal level

DISPLAYS LINE SIGNAL QUALITY

Type:

Immediate

Format:

AT [cmds] %Q [cmds]

Description:

Displays line signal quality

FAX TRANSMIT LEVEL

Type:

Register

Format:

AT [cmds] S92=n [cmds]

Default:

10

Range:

0-15

Unit:

-1dBm

Description:

Controls fax transmission level

FLASH DIAL MODIFIER TIME

Type:

Register

Format

AT [cmds] S29=n [cmds]

Default:

0

Range:

0-255

Unit:

.01 seconds

Description:

Time the modem will go on-hook upon receiving the ! dial modifier in dial string.

FLOW CONTROL

Type:

Configuration

Format:

AT [cmds] \Gn [cmds]

Description:

Selects modem port flow control

Command

Function

í \G0

Flow control disabled

\G1

Flow control enabled

FLOW CONTROL CHARACTER - XOFF

Type:

Register

Format:

AT [cmds] S33=n [cmds]

Default:

19

Range:

0-255

Unit:

ASCII

Description:

Sets the character used to represent XOFF

FLOW CONTROL CHARACTER - XON

Type:

Register

Format:

AT [cmds] S32=n [cmds]

Default:

17

Range:

0-255

Unit:

ASCII

Description:

Sets the character used to represent XON

MAXIMUM BLOCK SIZE FOR TRANSMISSION

Type:

Configuration

Format:

AT [cmds] \An [cmds]

Description:

Sets the maximum transmittable block size

Command

Function

\A0

MNP block size is 64 characters

\A1

MNP block size is 128 characters

\A2

MNP block size is 192 characters

í \A3

MNP block size is 256 characters

MODULATION SELECTION

Type:

Configuration

Format:

AT [cmds] +MS=xx,y,zzz,aaa [cmds]

Description:

Sets options for active protocol. The transfer rates specified by z and a must be valid for the protocol selected.

Command

Function

x=0

V.21

x=1

V.22

x=2

V.22bis

x=3

V.23

x=9

V.32

x=10

V.32bis

í x=11

V.34

x=64

Bell 103A

x=69

Bell 212A

x=74

V.FC

y=0

Automode disabled

í y=1

Automode enabled with V.8 or V.32

z, a=300

Set minimum or maximum transfer rate at 300bps, respectively.

z, a=1200

Set minimum or maximum transfer rate at 1200bps, respectively.

z, a=2400

Set minimum or maximum transfer rate at 2400bps, respectively.

z, a=4800

Set minimum or maximum transfer rate at 4800bps, respectively.

z, a=7200

Set minimum or maximum transfer rate at 7200bps, respectively.

z, a=9600

Set minimum or maximum transfer rate at 9600bps, respectively.

z, a=12000

Set minimum or maximum transfer rate at 12000bps, respectively.

z, a=14400

Set minimum or maximum transfer rate at 14400bps, respectively.

z, a=16800

Set minimum or maximum transfer rate at 16800bps, respectively.

z, a=19200

Set minimum or maximum transfer rate at 19200bps, respectively.

z, a=21600

Set minimum or maximum transfer rate at 21600bps, respectively.

z, a=24000

Set minimum or maximum transfer rate at 24000bps, respectively.

z, a=26400

Set minimum or maximum transfer rate at 26400bps, respectively.

z, a=28800

Set minimum or maximum transfer rate at 28800bps, respectively.

MODULATION SELECTION DISPLAY

Type:

Immediate

Format:

AT [cmds] +MS? [cmds]

Description:

Displays modulation, automode, minimum rate and maximum rate settings

SLEEP TIMER

Type:

Register

Format

AT [cmds] S24=n [cmds]

Default:

0

Range:

0-255

Unit:

1 second

Description:

Maximum duration of DTE and DCE inactivity allowed prior to initiating low-power sleep mode.

TRANSMIT ATTENUATION LEVEL

Type:

Register

Format:

AT [cmds] S91=n [cmds]

Default:

10

Range:

0-15

Unit:

-1dBm

Description:

Controls transmission attenuation level