DIGITAN

DS24M

Modem Type

Data

Maximum Data Rate

2400 bps

Maximum Fax Rate

N/A

Data Bus

8-bit ISA

Fax Class

N/A

Data Modulation Protocol

Unidentified

Fax Modulation Protocol

N/A

Error Correction/Compression

Unidentified

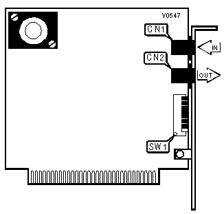
CONNECTIONS

Purpose

Location

Purpose

Location

Line in

CN1

Line out

CN2

COM PORT SETTINGS

COM

SW1/1

SW1/2

SW1/3

SW1/4

í COM2

Off

On

On

Off

COM1

On

Off

On

Off

COM3

On

Off

Off

On

COM4

Off

On

Off

On

INTERRUPT SELECT

IRQ

SW1/5

SW1/6

SW1/7

SW1/8

í IRQ3

Off

On

Off

Off

IRQ2

On

Off

Off

Off

IRQ4

Off

Off

On

Off

IRQ5

Off

Off

Off

On