WISECOM, INC.

WS-1414IM4

Card Type

Modem (asynchronous)

Chipset

UMC

Maximum Data Rate

14.4Kbps

Maximum Fax Rate

14.4Kbps

Data Bus

8-bit ISA

Fax Class

Class I & II

Data Modulation

Bell 212A

ITU-T V.22, V.22bis, V.23, V.32, V.32bis

Fax Modulation

ITU-T V.17, V.21CH2, V.27ter, V.29

Error Correction/Compression

MNP5, V.42, V.42bis

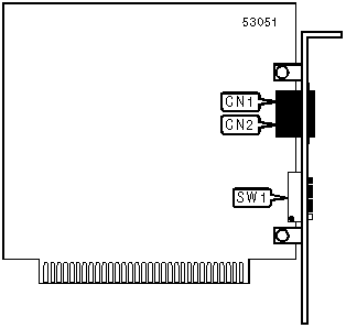
CONNECTIONS

Function

Label

Function

Label

Line in

CN1

Line out

CN2

SERIAL PORT ADDRESS SELECTION

Setting

SW1/1

SW1/2

3F8h (COM1:)

On

On

2F8h (COM2:)

Off

On

3E8h (COM3:)

On

Off

2E8h (COM4:)

Off

Off

INTERRUPT SELECTION

Setting

SW1/3

SW1/4

SW1/5

SW1/6

IRQ2

On

Off

Off

Off

IRQ3

Off

On

Off

Off

IRQ4

Off

Off

On

Off

IRQ5

Off

Off

Off

On

SUPPORTED STANDARD COMMANDS

Basic AT Commands

+++, ‘comma’, A/

A, D, E, H, L, M, N, O, P, Q, T, V, X, Y, Z

&C, &D, &F, &G, &K, &L, &P, &S, &T, &V, &W, &Y, &Z

Extended AT Commands

\A, \B, \C, \G, \J, \K, \N, \Q, \T, \X

%A, %B, %C, %D, %E, %N, %Q

S-Registers

S0, S1, S2, S3, S4, S5, S6, S7, S8, S9, S10, S11, S12, S14, S16, S18, S21, S22, S23, S25, S26

S27, S30, S91

Note: See MHI documentation for complete information.

UNIDENTIFIED COMMANDS

Command

Default

S15

83

S17

75

S19

3

S20

0

S24

72

S28

16

Proprietary AT Command Set

AUTO-RELIABLE FALLBACK CHARACTER

Type:

Register

Format:

AT [cmds] S29=n [cmds]

Default:

0

Range:

Unidentified

Unit:

1 ASCII character

Description:

Sets the character used as the auto-reliable fallback character.

COMMUNICATION PROTOCOLS

Type:

Configuration

Format:

AT [cmds] Bn [cmds]

Description:

Selects the communication protocol for low-speed data calls.

Command

Protocol

B0

Modem will use ITU-T V.22 at 1200bps.

í B1

Modem will use Bell 212A at 1200bps.

B2

Modem will use ITU-T V.23 at 1200bps.

DISPLAY INFORMATION

Type:

Immediate

Format:

AT [cmds] In [cmds]

Description:

Displays information requested about the modem.

Command

Function

I0

Displays product identification code.

I1

Displays ROM checksum.

I2

Tests and displays ROM checksum.

I3

Displays firmware revision and model ID.

I5

Displays country code.

EXTENDED RESULT CODES

Type:

Configuration

Format:

AT [cmds] \Vn [cmds]

Description:

Selects error correction and compression extended result codes.

Command

Function

\V0

Error correction and compression extended result codes disabled.

\V1

\REL added to reliable mode connections.

í \V2

All error correction and compression extended result codes enabled.

SLEEP TIMER

Type:

Register

Format:

AT [cmds] S13=n [cmds]

Default:

6

Range:

0 - 255

Unit:

1 second

Description:

The function of this register is unidentified.