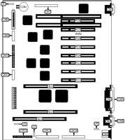
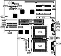
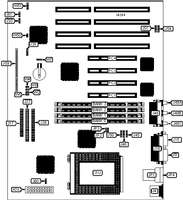
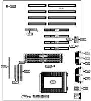
Motherboards. Pentium Pro (socket 8)