SUPER MICRO

P6SNA

Processor

Pentium Pro

Processor Speed

150/166/180/200MHz

Chip Set

Intel

Video Chip Set

None

Maximum Onboard Memory

512MB (EDO supported)

Maximum Video Memory

None

Cache

256/512KB (located on Pentium Pro CPU)

BIOS

AMI

Dimensions

305mm x 249mm

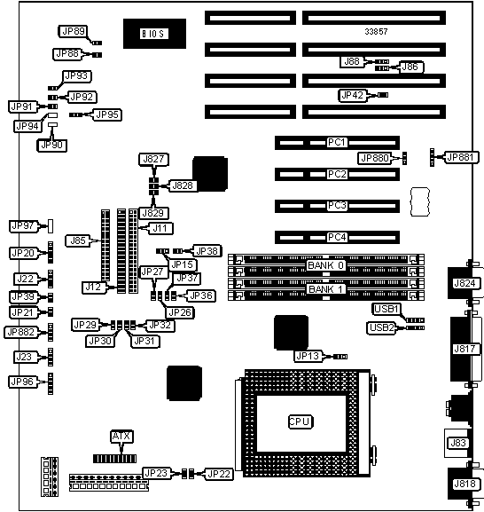
I/O Options

32-bit PCI slots (4), floppy drive interface, green PC connector, IDE interfaces (2), parallel port, PS/2 mouse port, serial ports (2), IR connector, USB connectors (2), ATX power connector, power on connector

NPU Options

None

CONNECTIONS

Purpose

Location

Purpose

Location

ATX power connector

ATX

Green PC connector

JP39

IDE interface 1

J11

Buzzer

JP89

IDE interface 2

J12

Chassis fan power

JP91

Speaker

J22

Chassis fan power

JP92

IDE interface LED

J23

Chassis fan power

JP93

PS/2 mouse port

J83

IR connector

JP96

Floppy drive interface

J85

External battery

JP881

Parallel port

J817

Power on connector

JP882

Serial port 1

J818

32-bit PCI slots

PC1- PC4

Serial port 2

J824

USB connector 1

USB1

Power LED & keylock

JP20

USB connector 2

USB2

Reset switch

JP21

   

USER CONFIGURABLE SETTINGS

Function

Label

Position

»

Factory configured - do not alter

J86

Pins 1 & 2 closed

»

Factory configured - do not alter

J88

Pins 1 & 2 closed

»

Factory configured - do not alter

J827

Closed

»

Factory configured - do not alter

J828

Closed

»

Factory configured - do not alter

J829

Closed

»

Factory configured - do not alter

JP13

Pins 2 & 3 closed

»

Factory configured - do not alter

JP15

Pins 2 & 3 closed

»

Factory configured - do not alter

JP22

Open

»

Factory configured - do not alter

JP23

Open

»

Factory configured - do not alter

JP26

Open

»

Factory configured - do not alter

JP27

Closed

»

Factory configured - do not alter

JP38

Open

»

Factory configured - do not alter

JP88

Open

 

ISA CLK = PCI CLK/4

JP42

Closed

 

ISA CLK = PCI CLK/3

JP42

Open

»

Factory configured - do not alter

JP90

Unidentified

»

Factory configured - do not alter

JP94

Unidentified

»

Factory configured - do not alter

JP97

Unidentified

»

CMOS memory normal operation

JP880

Pins 1 & 2 closed

 

CMOS memory clear

JP880

Pins 2 & 3 closed

DRAM CONFIGURATION

Size

Bank 0

Bank 1

8MB

(2) 1M x 36

None

16MB

(2) 2M x 36

None

16MB

(2) 1M x 36

(2) 1M x 36

24MB

(2) 2M x 36

(2) 1M x 36

DRAM CONFIGURATION (CON’T)

Size

Bank 0

Bank 1

32MB

(2) 4M x 36

None

32MB

(2) 2M x 36

(2) 2M x 36

40MB

(2) 4M x 36

(2) 1M x 36

48MB

(2) 2M x 36

(2) 4M x 36

64MB

(2) 8M x 36

None

64MB

(2) 4M x 36

(2) 4M x 36

72MB

(2) 8M x 36

(2) 1M x 36

80MB

(2) 2M x 36

(2) 8M x 36

96MB

(2) 8M x 36

(2) 4M x 36

128MB

(2) 16M x 36

None

128MB

(2) 8M x 36

(2) 8M x 36

136MB

(2) 16M x 36

(2) 1M x 36

144MB

(2) 16M x 36

(2) 2M x 36

160MB

(2) 16M x 36

(2) 4M x 36

192MB

(2) 16M x 36

(2) 8M x 36

256MB

(2) 32M x 36

None

256MB

(2) 16M x 36

(2) 16M x 36

264MB

(2) 32M x 36

(2) 1M x 36

272MB

(2) 32M x 36

(2) 2M x 36

288MB

(2) 32M x 36

(2) 4M x 36

320MB

(2) 32M x 36

(2) 8M x 36

384MB

(2) 32M x 36

(2) 16M x 36

512MB

(2) 32M x 36

(2) 32M x 36

Note: Board accepts EDO memory. Board also accepts x 32 SIMMs. Banks are interchangeable.

CACHE CONFIGURATION

Note: 256KB/512KB cache is located on the Pentium Pro CPU.

CPU SPEED SELECTION

Speed

JP29

JP30

JP31

JP32

JP36

JP37

150MHz

Open

Closed

Closed

Closed

Closed

Open

166MHz

Open

Closed

Closed

Closed

Open

Closed

180MHz

Closed

Open

Closed

Closed

Closed

Open

200MHz

Closed

Open

Closed

Closed

Open

Closed

THERMAL CONTROL SELECTION

Turn on

Shut down

JP95

 

55

37

Pins 1 & 2 closed

 

64

50

Pins 2 & 3 closed

»

72

43

Open

Note: Temperature is in Celsius.