Release Notes | |
Safety Measures | |
0. | Introduction |
1. | System description |
2. | Disassembly / Assembly |
3. | System test |
4. | Fault diagnosis and repair |
5. | Parts list |
6. | Test equipment |
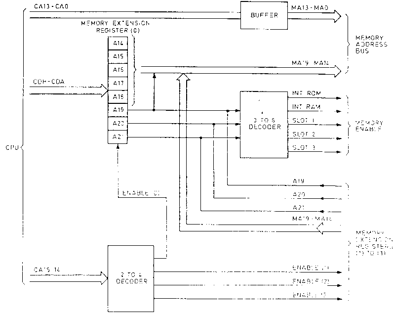
1.1 | Memory addressing |
1.2 | LCD interface timing |
1.3 | Keyboard matrix interconnections |
1.4 | Z88 Block diagram - Part 1 |
1.5 | Z88 Block diagram - Part 2 |
1.6 | Z88 Circuit diagram |
1.7 | Memory card circuit diagram |
3.1 | Test fixture connections |
4.1 | JEDEC Modification Solder Side of Board |
4.2 | JEDEC Modification Component Side of Board |
5.8 | Printed Circuit Board (Issue 3) Component Layout |
5.9 | Printed Circuit Board (Issue 4) Component Layout |
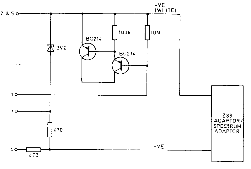
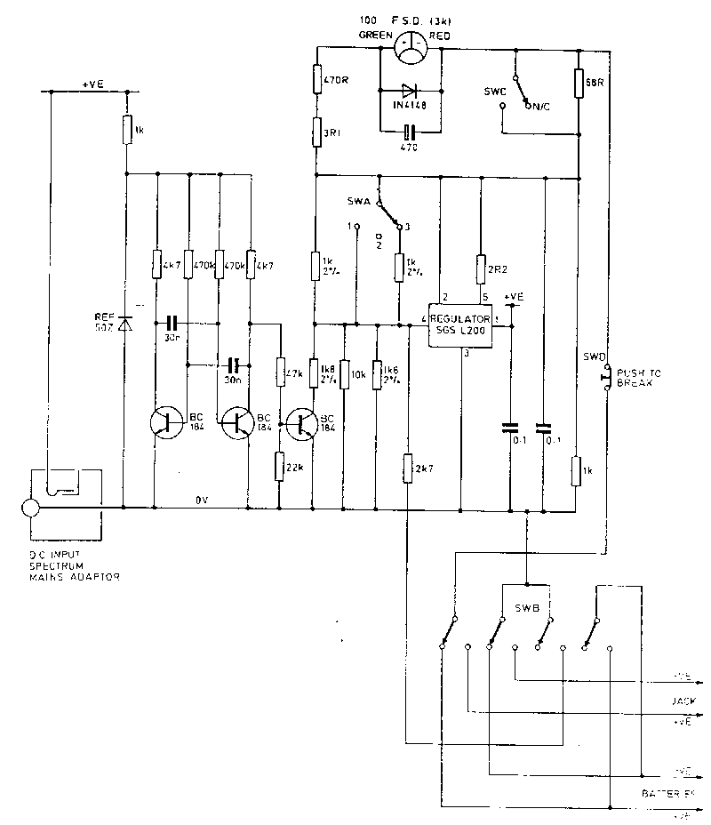
A.1 | PSU for test fixture |
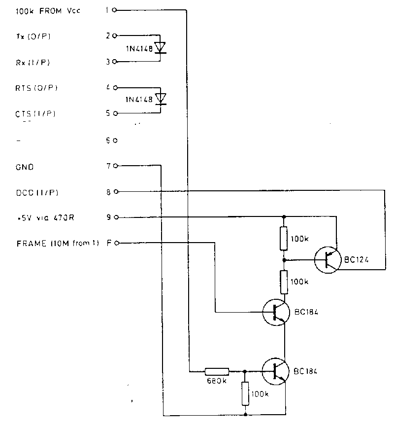
A.2 | RS232 loopback test plug |
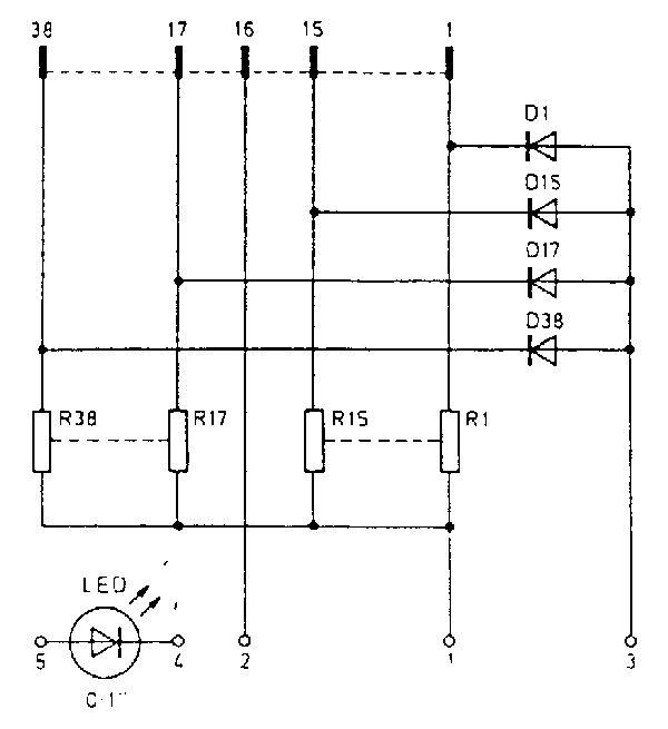
A.3 | Card Tester Circuit for Slot Connectors and Bus Extension Connector |
A.4 | Slot tester test head circuit |
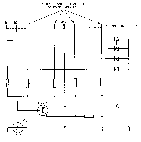
A.5 | Bus Extension Tester Test Head Circuit Diagram |