WESTERMO TELEINDUSTRI AB

TD-23 AC

Card Type

Modem

Chip Set

Unidentified

I/O Options

9-pin serial port (RS-232), terminal blocks (3)

Data Modulation Protocol

ITU-T V.11, V.23, V.24/V.28

Wiring Type

Unshielded twisted pair

Maximum Transfer Rate

1200bps

Data Bus

External

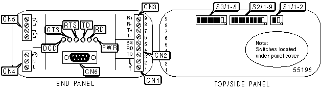
CONNECTIONS

Function

Label

Function

Label

Relay connector (screws 1 & 2)

CN1

AC power connector (3 pole terminal block)

CN4

RS-232-C/V.24 interface (screws 3 - 5)

CN2

Line connector (4 pole terminal block)

CN5

RS-422/485 interface (screws 6 - 9)

CN3

9-pin serial port

CN6

Note: CN1, CN2, & CN3 are separate interfaces on a 9 pole terminal block

USER CONFIGURABLE SETTINGS

Setting

Label

Position

í 2-wire mode enabled (line side)

S2/6

On

4-wire mode enabled enabled (line side)

S2/6

Off

í 23ms RTS/CTS delay enabled

S2/9

Off

60ms RTS/CTS delay enabled

S2/9

On

í Activity timer disabled

S3/7

Off

1min activity timer enabled

S3/7

On

í Filter enabled; receive data is buffered for 6ms

S3/8

On

Filter disabled

S3/8

Off

LINE TERMINATION

Setting

S1/1

S1/2

í Line termination disabled

Off

Off

Line termination enabled

On

On

TRANSMISSION LEVEL

Setting

S2/1

S2/2

S2/3

3dBm

Off

Off

Off

-3dBm

On

Off

Off

-6dBm

Off

On

Off

í -9dBm

On

On

Off

-10dBm

Off

Off

On

-12dBm

On

Off

On

-13dBm

Off

On

On

-15dBm

On

On

On

DCD DETECTION LEVEL

Setting

S2/4

S2/5

í 3dBm

Off

On

10dBm

On

On

-3dBm

On

Off

-15dBm

Off

Off

CARRIER CONTROL

Setting

S2/7

S2/8

í Carrier controlled by RTS

On

On

Transmitter activated by incoming data; data is buffered while carrier is established

Off

On

Permanent carrier established

On

Off

2-WIRE/4-WIRE MODE SELECTION (RS-422/485 SIDE)

Setting

S3/1

S3/2

í 2-wire mode enabled

On

Off

4-wire mode enabled enabled

Off

On

RS-422/485 TERMINATION

Setting

S3/3

S3/4

S3/5

S3/6

í RS-422/485 termination disabled

Off

Off

Off

Off

2-wire termination enabled (RS-485)

On

On

Off

Off

4-wire termination enabled (RS-422)

Off

Off

On

On

DIAGNOSTIC LED(S)

LED

Color

Status

Condition

PWR

Unidentified

On

Power is on

PWR

Unidentified

Off

Power is off

RD

Unidentified

On

Modem is receiving data

RD

Unidentified

Off

Modem is not receiving data

TD

Unidentified

On

Modem is transmitting data

TD

Unidentified

Off

Modem is not transmitting data

RTS

Unidentified

On

RTS signal is high

RTS

Unidentified

Off

RTS signal is low

CTS

Unidentified

On

CTS signal is high. Device ready to send data

CTS

Unidentified

Off

CTS signal is low

DCD

Unidentified

On

Data carrier present

DCD

Unidentified

Off

Data carrier not present. Connection not established