STOLLMANN GMBH

TA-DD

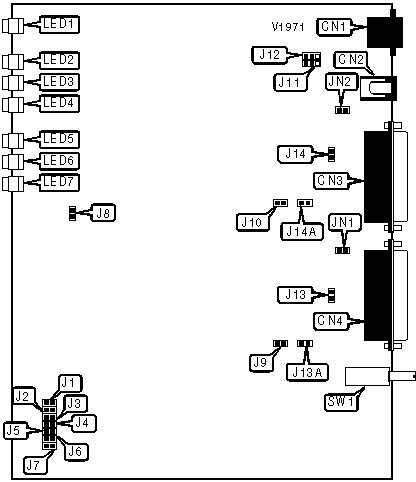
Card Type

ISDN TA

Chip Set

Unidentified

Maximum Data Rate

64Kbps x 2

Data Bus

External

ISDN Modulation Protocol

V.110, 1TR6, DSS1, X.30

CONNECTIONS

Function

Label

Function

Label

Line out

CN1

V.24 or X.21 port 1

CN4

DC power

CN2

Reset button

SW1

V.24 or X.21 port 2

CN3

   

Note: X.21 functionality is provided by an included adapter cable.

USER CONFIGURABLE SETTINGS

Setting

Label

Position

í Editor debug mode disabled

J3

Open

Editor debug mode enabled

J3

Closed

í TA will use saved profile

J4

Open

TA will use default profile only

J4

Closed

í Remote configuration enabled

J6

Open

Remote configuration disabled

J6

Closed

í Port 1 is in V.24 mode

J9

Open

Port 1 is in X.21 mode

J9

Closed

í Port 2 is in V.24 mode

J10

Open

Port 2 is in X.21 mode

J10

Closed

í Port 1 is in DCE mode

J13

Closed

Port 1 is in DTE mode

J13

Open

í Pin 25 of port 1 is not connected

J13A

Open

Pin 25 of port 1 is +9V DC

J13A

Closed

í Port 2 is in DCE mode

J14

Closed

Port 2 is in DTE mode

J14

Open

í Pin 25 of port 2 is not connected

J14A

Open

Pin 25 of port 2 is +9V DC

J14A

Closed

í Pin 1 of port 1 is capacitive ground

JN1

Open

Pin 1 of port 1 is galvanic ground

JN1

Closed

í Pin 1 of port 2 is capacitive ground

JN2

Open

Pin 1 of port 2 is galvanic ground

JN2

Closed

í Factory configured - do not alter

J5

Unidentified

í Factory configured - do not alter

J7

Unidentified

í Factory configured - do not alter

J8

Unidentified

ISDN INTERFACE TYPE

Setting

J11

J12

S-interface

Pins 1 & 2 closed

Pins 1 & 2 closed

U-interface

Pins 2 & 3 closed

Pins 2 & 3 closed

LINE TYPE

Setting

J1

J2

Public ISDN

Open

Open

ISDN PBX

Closed

Open

ISDN PBX with LLC

Open

Closed

DIAGNOSTIC LED(S)

LED1 Status

Condition

On

Power is on

Off

Power is off

Blinking

ISDN failed

LED2 Status

LED3 Status

LED4 Status

Condition

Off

Off

Off

Normal operation for channel 1

On

Off

Off

ISDN connection established on channel 1

Alternating

Alternating

Off

Hotline call repetition in progress on channel 1

Blinking

Blinking

Off

Hotline call repetition error on channel 1

Blinking

Off

Off

Hotline active without connection on channel 1

On

Off

Off

Profile editor in use locally on channel 1

On

On

On

Profile editor password being entered on channel 1

On

Blinking

Blinking

Profile editor in use remotely on channel 1

Off

Off

On

Unable to determine correct connection rate on channel 1

Off

On

Off

Buffer has overflowed on channel 1

Alternating

Blinking

Alternating

Checksum error has been detected on channel 1

LED5 Status

LED6 Status

LED7 Status

Condition

Off

Off

Off

Normal operation for channel 2

On

Off

Off

ISDN connection established on channel 2

Alternating

Alternating

Off

Hotline call repetition in progress on channel 2

Blinking

Blinking

Off

Hotline call repetition error on channel 2

Blinking

Off

Off

Hotline active without connection on channel 2

On

Off

Off

Profile editor in use locally on channel 2

On

On

On

Profile editor password being entered on channel 2

On

Blinking

Blinking

Profile editor in use remotely on channel 2

Off

Off

On

Unable to determine correct connection rate on channel 2

Off

On

Off

Buffer has overflowed on channel 2

Alternating

Blinking

Alternating

Checksum error has been detected on channel 2

LED2

LED3

LED4

LED5

LED6

LED7

Condition

Blink

Off

Off

Blink

Off

Off

TA is resetting

Proprietary AT Command Set

AUTO-ANSWER TIME

Type:

Register

Format:

AT [cmds] S0=n [cmds]

Default:

Unidentified

Range:

0-24

Unit:

5 seconds

Description:

Sets the amount of time that will elapse before the TA will answer an incoming call. When this value is set to 0 the TA will not automatically answer calls. A value of 1 will answer immediately. Values greater than 1 set the time to (n-1) * 5 seconds.

CTS SIGNAL

Type:

Configuration

Format:

AT [cmds] &Rn [cmds]

Description:

Controls the operation of the Clear to Send signal.

Command

Function

&R0

CTS follows RTS.

&R1

CTS forced high.

&R2

CTS follows V.110 flow control.

FLOW CONTROL MODE

Type:

Configuration

Format:

AT [cmds] &Kn [cmds]

Description:

Sets the type of flow control used.

Command

Function

&K0

Flow control disabled.

&K3

CTS/RTS flow control enabled.

&K4

XON/XOFF flow control enabled.

&K5

Flow control disabled.

RESULT CODES

Type:

Register

Format:

AT [cmds] S15=n [cmds]

Description:

Enables caller ID information and extended result codes.

Command

Function

S15=0

Caller ID information and extended result codes disabled.

S15=1

Caller ID information enabled.

S15=3

Caller ID information and extended result codes enabled.

BIT-MAPPED REGISTER S14

Format:

AT [cmds] S14=n [cmds]

Default:

Unidentified

Range:

0-14

Description:

Controls echo mode and result codes.

Bit

Value

Function

0

0

Not used.

1

0

1

Command echo disabled.

Command echo enabled.

2

0

1

Result codes enabled.

Result codes disabled.

3

0

1

Numerical result codes enabled.

Verbose result codes enabled.

Proprietary Command Set

COMMAND ECHOING

Type:

Configuration

Format:

Jn

Description:

Selects whether commands will be echoed back to the DTE.

Command

Function

J0

Command echoing disabled.

í J1

Command echoing enabled.

CONNECTION SPEED

Type:

Configuration

Format:

Hn

Description:

Sets the speed of the remote connection.

Command

Function

H1

Set speed to 300bps.

H2

Set speed to 600bps.

H3

Set speed to 1200bps.

H4

Set speed to 2400bps.

H5

Set speed to 4800bps.

í H6

Set speed to 9600bps.

H7

Set speed to 19.2Kbps.

H8

Set speed to 38.4Kbps.

CHANGE PROFILE CHANNEL

Type:

Configuration

Format:

PROn

Description:

Selects which channel’s profile is being edited.

Command

Function

PRO1

Edit profile for channel 1.

PRO2

Edit profile for channel 2.

CTS SIGNAL - NO CONNECTION

Type:

Configuration

Format:

NCTS 0xhh

Description:

Controls the behaviour of the CTS signal when there is no ISDN connection.

Command

Function

NCTS 0x01

CTS is forced low.

NCTS 0x02

CTS is forced high.

NCTS 0x04

CTS follows DTR.

NCTS 0x08

CTS follows RTS.

NCTS 0x10

CTS is forced high during connection and negotiation only.

NCTS 0x20

CTS follows remote DTR.

NCTS 0x40

CTS follows remote RTS.

NCTS 0x80

CTS follows V.110 flow control.

CTS SIGNAL - NEGOTIATION

Type:

Configuration

Format:

WCTS 0xhh

Description:

Controls the behaviour of the CTS signal while dialing and negotiating a connection.

Command

Function

WCTS 0x01

CTS is forced low.

WCTS 0x02

CTS is forced high.

WCTS 0x04

CTS follows DTR.

WCTS 0x08

CTS follows RTS.

WCTS 0x10

CTS is forced high during connection and synchronization only.

WCTS 0x20

CTS follows remote DTR.

WCTS 0x40

CTS follows remote RTS.

WCTS 0x80

CTS follows V.110 flow control.

CTS SIGNAL - CONNECTION

Type:

Configuration

Format:

CCTS 0xhh

Description:

Controls the behaviour of the CTS signal while connected.

Command

Function

CCTS 0x01

CTS is forced low.

CCTS 0x02

CTS is forced high.

CCTS 0x04

CTS follows DTR.

CCTS 0x08

CTS follows RTS.

CCTS 0x10

CTS is forced high during connection and synchronization only.

CCTS 0x20

CTS follows remote DTR.

CCTS 0x40

CTS follows remote RTS.

CCTS 0x80

CTS follows V.110 flow control.

DATA LENGTH

Type:

Configuration

Format:

Ln

Description:

Selects how many data bits will be transmitted.

Command

Function

í L0

Synchronous mode.

L7

7 data bits.

L8

8 data bits.

DATA PARITY

Type:

Configuration

Format:

Mn

Description:

Selects how many parity bits will be transmitted.

Command

Function

í M0

No parity.

M1

Odd parity.

M2

Even parity.

DATA STOP

Type:

Configuration

Format:

Nn

Description:

Selects how many stop bits will be transmitted.

Command

Function

í M1

1 stop bit.

M2

2 stop bits.

DCD SIGNAL - NO CONNECTION

Type:

Configuration

Format:

NDCD 0xhh

Description:

Controls the behavior of the DCD signal when there is no ISDN connection.

Command

Function

NDCD 0x01

DCD is forced low.

NDCD 0x02

DCD is forced high.

NDCD 0x04

DCD follows DTR.

NDCD 0x08

DCD follows RTS.

NDCD 0x10

DCD is forced high during connection and negotiation only.

NDCD 0x20

DCD follows remote DTR.

NDCD 0x40

DCD follows remote RTS.

NDCD 0x80

DCD follows V.110 flow control.

DCD SIGNAL - NEGOTIATION

Type:

Configuration

Format:

WDCD 0xhh

Description:

Controls the behavior of the DCD signal while dialing and negotiating a connection.

Command

Function

WDCD 0x01

DCD is forced low.

WDCD 0x02

DCD is forced high.

WDCD 0x04

DCD follows DTR.

WDCD 0x08

DCD follows RTS.

WDCD 0x10

DCD is forced high during connection and synchronization only.

WDCD 0x20

DCD follows remote DTR.

WDCD 0x40

DCD follows remote RTS.

WDCD 0x80

DCD follows V.110 flow control.

DCD SIGNAL - CONNECTION

Type:

Configuration

Format:

CDCD 0xhh

Description:

Controls the behaviour of the DCD signal while connected.

Command

Function

CDCD 0x01

DCD is forced low.

CDCD 0x02

DCD is forced high.

CDCD 0x04

DCD follows DTR.

CDCD 0x08

DCD follows RTS.

CDCD 0x10

DCD is forced high during connection and synchronization only.

CDCD 0x20

DCD follows remote DTR.

CDCD 0x40

DCD follows remote RTS.

CDCD 0x80

DCD follows V.110 flow control.

DEBUG PROFILE

Type:

Immediate

Format:

TEST

Description:

Displays the profile editor debug page.

DIAL MODE

Type:

Configuration

Format:

En

Description:

Selects the dial mode the TA will use.

Command

Function

í E1

Manual dialing only; prompt for number will be displayed.

E2

Asynchronous V.25bis dial mode.

E3

Hotline dial mode; DTR is used for call signalling.

E4

Hotline dial mode; RTS is used for call signalling.

E5

Hotline dial mode; automatic dial attempt.

E6

Incoming calls only.

E7

Hayes dialing mode.

E8

Synchronous V.25bis dial mode.

DSR SIGNAL - NO CONNECTION

Type:

Configuration

Format:

NDSR 0xhh

Description:

Controls the behaviour of the DSR signal when there is no ISDN connection.

Command

Function

NDSR 0x01

DSR is forced low.

NDSR 0x02

DSR is forced high.

NDSR 0x04

DSR follows DTR.

NDSR 0x08

DSR follows RTS.

NDSR 0x10

DSR is forced high during connection and negotiation only.

NDSR 0x20

DSR follows remote DTR.

NDSR 0x40

DSR follows remote RTS.

NDSR 0x80

DSR follows V.110 flow control.

DSR SIGNAL - NEGOTIATION

Type:

Configuration

Format:

WDSR 0xhh

Description:

Controls the behaviour of the DSR signal while dialing and negotiating a connection.

Command

Function

WDSR 0x01

DSR is forced low.

WDSR 0x02

DSR is forced high.

WDSR 0x04

DSR follows DTR.

WDSR 0x08

DSR follows RTS.

WDSR 0x10

DSR is forced high during connection and synchronization only.

WDSR 0x20

DSR follows remote DTR.

WDSR 0x40

DSR follows remote RTS.

WDSR 0x80

DSR follows V.110 flow control.

DSR SIGNAL - CONNECTION

Type:

Configuration

Format:

CDSR 0xhh

Description:

Controls the behaviour of the DSR signal while connected.

Command

Function

CDSR 0x01

DSR is forced low.

CDSR 0x02

DSR is forced high.

CDSR 0x04

DSR follows DTR.

CDSR 0x08

DSR follows RTS.

CDSR 0x10

DSR is forced high during connection and synchronization only.

CDSR 0x20

DSR follows remote DTR.

CDSR 0x40

DSR follows remote RTS.

CDSR 0x80

DSR follows V.110 flow control.

DTE/DCE MODE

Type:

Configuration

Format:

Sn

Description:

Sets whether the TA will operate as a DTE or a DCE device.

Command

Function

í S0

TA will operate as DCE.

S1

TA will operate as DTE.

DTR SIGNAL

Type:

Configuration

Format:

Dn

Description:

Controls the operation of the Data Terminal Ready signal.

Command

Function

D0

Incoming calls accepted regardless of DTR state; low DTR does not disconnect.

í D1

Incoming calls accepted only if DTR is high; DTR or RTS transition to high will initiate a hotline call if in hotline mode; low DTR disconnects.

D2

Incoming calls accepted only if DTR is high; high DTR or RTS will initiate a hotline call if in hotline mode; low DTR disconnects.

D3

Incoming calls accepted regardless of DTR state; DTR or RTS transition to high will initiate a hotline call if in hotline mode; low DTR disconnects.

D4

Incoming calls accepted regardless of DTR state; high DTR or RTS will initiate a hotline call if in hotline mode; low DTR disconnects.

D5

Incoming calls accepted only if DTR is high; DTR or RTS transition to high will initiate a hotline call if in hotline mode; low DTR does not disconnect.

D6

Incoming calls accepted only if DTR is high; high DTR or RTS will initiate a hotline call if in hotline mode; low DTR does not disconnect.

EAZ

Type:

Configuration

Format:

An

Description:

Sets which incoming calls are answered.

Command

Function

A0

All incoming calls are answered; all channels are notified of the call.

A1 - A8

Only calls with a matching EAZ are answered.

A9

All incoming calls are answered; only the channel matching the EAZ is notified of the call.

EAZ - EDITOR

Type:

Configuration

Format:

Tn

Description:

Sets which incoming calls should be routed for remote configuration.

Command

Function

T0

Only calls ending in "e" are routed to the editor.

T1 - T8

Only calls with a matching EAZ are answered.

T9

Calls matching the EAZ or ending in "e" are routed to the editor.

ENTER PROFILE EDITOR

Type:

Immediate

Description:

Enters the profile editor so that changes may be made.

Mode

Command

Manual dial

<CR><ESC>

V.25bis dial

<CR><ESC>

Hayes dial

AT<CR><ESC>

All other modes

Push reset button, then <CR><CR><ESC><ESC>

EXIT PROFILE EDITOR

Type:

Immediate

Format:

EXIT

<ESC>

Description:

Quits the editor without saving changes.

FLOW CONTROL MODE - DCE

Type:

Configuration

Format:

Bn

Description:

Sets the type of flow control used.

Command

Function

B0

Flow control disabled.

í B1

XON/XOFF flow control enabled.

B2

CTS flow control enabled.

FLOW CONTROL MODE - DTE

Type:

Configuration

Format:

Cn

Description:

Sets the type of flow control used.

Command

Function

C0

Flow control disabled.

í C1

XON/XOFF flow control enabled.

C2

RTS flow control enabled.

C3

DTR flow control enabled.

HOTLINE NUMBER

Type:

Configuration

Format:

HOT <#>

Description:

Sets the number for hotline calling. If no number is given, hotline calling will not be allowed.

INACTIVITY TIMER

Type:

Configuration

Format:

Fn

Default:

0

Range:

0 - 60

Unit:

1 minute

Description:

Sets the amount of time that there must be no activity on the ISDN line before the TA disconnects.

INCOMING CALL NUMBER

Type:

Configuration

Format:

RUFn <#>

Description:

Sets the number in position n of allowed incoming calls.

LANGUAGE

Type:

Configuration

Format:

Kn

Description:

Selects the language the TA will display messages in.

Command

Function

K0

Messages will be displayed in English.

í K1

Messages will be displayed in German.

LINE TYPE

Type:

Configuration

Format:

Rn

Description:

Sets the type of line the TA will be operating on.

Command

Function

í R0

ISDN with BRI service.

R1

Group 3 leased line service with 1TR6.

R2

Group 2 leased line, 2B+D or B+D.

R3

Group 0 leased line, single B channel only.

R4

Point-to-point switched line.

R5

Point-to-point group 3 leased line with 1TR6.

LLC - INCOMING

Type:

Configuration

Format:

Pn

Description:

Sets the use of LLC for incoming DSS1 calls.

Command

Function

P1

Only calls with matching LLC will be answered.

í P2

Ignore LLC when answering calls.

P3

All data calls will be answered.

P4

All calls will be answered.

LLC - OUTGOING

Type:

Configuration

Format:

On

Description:

Sets the use of LLC for outgoing DSS1 calls.

Command

Function

O1

Standard LLC enabled.

í O2

LLC disabled.

O3

User-defined LLC enabled.

LLC - USER-DEFINED DATA OCTET

Type:

Configuration

Format:

LLC=hh hh hh..

Description:

Sets the user-defined LLC octets in hexadecimal.

LOCAL SERIAL PORT SPEED

Type:

Configuration

Format:

Gn

Description:

Sets the speed of the serial port.

Command

Function

G1

Set speed to 300bps.

G2

Set speed to 600bps.

G3

Set speed to 1200bps.

G4

Set speed to 2400bps.

G5

Set speed to 4800bps.

í G6

Set speed to 9600bps.

G7

Set speed to 19.2Kbps.

G8

Set speed to 38.4Kbps.

LOCK SERIAL PORT SPEED

Type:

Configuration

Format:

In

Description:

Selects whether the serial port speed will be adjusted to the DTE speed.

Command

Function

I0

Serial port speed locked.

í I1

Serial port speed will match DTE speed.

MSN

Type:

Configuration

Format:

MALL <#>*n

Description:

Sets the MSN and subaddress for both channels of the TA and the editor.

MSN - TA

Type:

Configuration

Format:

MTAX <#>*n

Description:

Sets the MSN and subaddress for both channels of the TA.

MSN - EDITOR

Type:

Configuration

Format:

MEDX <#>*n

Description:

Sets the MSN and subaddress for both channels of the editor.

MSN - EDITOR CHANNEL 1

Type:

Configuration

Format:

MED1 <#>*n

Description:

Sets the MSN and subaddress for channel 1 of the editor.

MSN - EDITOR CHANNEL 2

Type:

Configuration

Format:

MED2 <#>*n

Description:

Sets the MSN and subaddress for channel 2 of the editor.

MSN - TA CHANNEL 1

Type:

Configuration

Format:

MTA1 <#>*n

Description:

Sets the MSN and subaddress for channel 1 of the TA.

MSN - TA CHANNEL 2

Type:

Configuration

Format:

MTA2 <#>*n

Description:

Sets the MSN and subaddress for channel 2 of the TA.

NEXT PAGE

Type:

Immediate

Format:

NEXT

Description:

Shows the next page of values.

PREVIOUS PAGE

Type:

Immediate

Format:

PREV

Description:

Shows the previous page of values.

REMOTE CONFIGURATION PASSWORD

Type:

Configuration

Format:

PWD xxxx

Description:

Sets the password for remote configuration. If no password is given, no password will be required.

RESET TO FACTORY DEFAULTS

Type:

Immediate

Format:

DEFA

Description:

Resets all settings to their factory defaults.

SAVE PROFILE

Type:

Immediate

Format:

SAVE

Description:

Saves the current settings into the profile and quits the editor.

SERVICE INDICATOR

Type:

Configuration

Format:

Pn

Description:

Sets the 1TR6 Service Indicator.

Command

Function

í P0

Service Indicator reports standard line.

P1

Service Indicator reports Private SI.

P2

Service Indicator reports Private 2.

SERVICE INDICATOR DETAILS

Type:

Configuration

Format:

On

Description:

Sets the details for the 1TR6 Service Indicator.

Pn Setting

Command

Function

P0

í O1

Service Indicator reports 1TR6.

 

O2

Service Indicator reports X.21.

 

O3

Service Indicator reports AOI synch/asynch mode.

P1

í O1

Service Indicator reports V.24 asynch.

 

O2

Service Indicator reports 64Kbps asynch.

 

O3

Service Indicator reports V.24 BTX.

 

O4

Service Indicator reports V.24 Text.

 

O5

Service Indicator reports 64Kbps PC-Net.

P2

í O1

Service Indicator reports Private 2 LLC with the data octet equal to 0.

 

O2

Service Indicator reports Private 2 LLC with the data octet not equal to 0.

 

O3

Service Indicator reports Private 2 with the data octet equal to 0.

SYNCHRONOUS SPEED

Type:

Configuration

Format:

Qn

Description:

Selects what data rate the TA will operate in when in synchronous mode.

Command

Function

Q0

Use V.24 asynchronous mode.

Q1

Use data rate set with Gn and Hn.

í Q2

Use 64Kbps data rate.

Q3

Use 56Kbps data rate.

Q4

Use 48Kbps data rate.

UPDATE PROFILE

Type:

Immediate

Format:

UPDA

Description:

Saves the current settings into the profile.