RAD DATA COMMUNICATIONS
FOM-T1
|
Modem Type |
Data (synchronous/asynchronous) |
|
Maximum Data Rate |
2.048Mbps |
|
Data Bus |
External |
|
Data Modulation Protocol |
Proprietary |

|
CONNECTIONS | |||
|
Purpose |
Location |
Purpose |
Location |
|
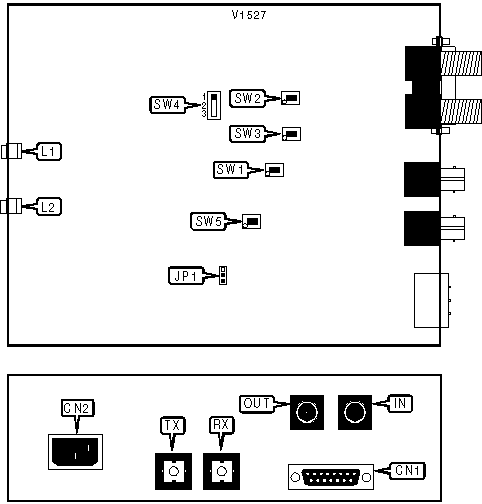
DB-15 |
CN1 |
Receive fiber |
RX |
|
AC power |
CN2 |
Coaxial connector out |
OUT |
|
Transmit fiber |
TX |
Coaxial connector in |
IN |
|
CHASSIS TO ELECTRICAL GROUND | |
| Setting |
JP1 |
| » Connected |
Pins 1 & 2 closed |
| Disconnected |
Pins 2 & 3 closed |
|
INPUT | |
| Setting |
SW2 |
| Grounded |
Off |
| » Floating |
On |
|
INTERFACE | |
| Setting |
SW4 |
| » 100 Omhs-(DB-15) T1 |
Position 1 on |
| » 120 Omhs-(DB-15) E1 |
Position 2 on |
| 75 Omhs-(BNC) E1 |
Position 3 on |
|
OPTICAL AIS SIGNAL | |
| Setting |
SW5 |
| » Off |
Off |
| On |
On |
|
OUTPUT | |
| Setting |
SW3 |
| Grounded |
Off |
| » Floating |
On |
|
RANGE | |
| Setting |
SW1 |
| » Short |
Off |
| Long |
On |
|
DIAGNOSTIC LED(S) | |||
|
LED |
Color |
Status |
Condition |
|
L1 |
Red |
On |
Power is on |
|
L1 |
Red |
Off |
Power is off |
|
L2 |
Red |
On |
Optical signal below -43dBm |
|
L2 |
Red |
Off |
All link equipment operating |