MOTOROLA, INC.

212AT/D

Card Type

Modem (synchronous/asynchronous)

Chip Set

Unidentified

Maximum Data Rate

1200bps

Data Bus

External

Data Modulation Protocol

Bell 212A

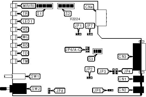
CONNECTIONS

Function

Label

Function

Label

Line out

CN1

AC power in

CN4

Line in

CN2

Talk/data switch

SW1

RS-232/422

CN3

300/1200bps switch

SW2

USER CONFIGURABLE SETTINGS

Setting

Label

Position

í Transmit level set to -9 (permissive)

JP2

Pins 2 & 3 closed

Transmit level set to programmable

JP2

Pins 1 & 2 closed

í Factory configured - do not alter

JP5

Pins 1 & 2 closed

í Audio circuit enabled

JP8

Pins 1 & 2 closed

Audio circuit disabled

JP8

Pins 2 & 3 closed

í Modem operates in answer mode when forced to manual

S1/1

On

Modem operates in originate mode when forced to manual

S1/1

Off

í Modem auto-detects answer/originate mode

S1/2

Off

Manual answer/originate mode

S1/2

On

í Line will not be set busy during test modes

S1/3

Off

Line will be set busy during test modes

S1/3

On

í Disconnect after 150ms loss of carrier

S1/4

On

Disconnect after 10s loss of carrier

S1/4

Off

í Auto-answer disabled

S1/5

Off

Auto-answer enabled

S1/5

On

í Load profile indicated by &Y command on startup

S1/6

Off

Load profile 0 on startup

S1/6

On

í Disconnect modem on receipt of long space if indicated by Y command

S1/7

Off

Disconnect modem on receipt of long space

S1/7

On

í Switched-line mode

S1/8

Off

Leased-line mode

S1/8

On

í DTR normal

S2/1

Off

DTR used for off/on hook in manual answer/originate

S2/1

On

í DCD normal

S2/2

Off

DCD forced high

S2/2

On

í CTS normal

S2/3

Off

CTS forced high

S2/3

On

í AT command set enabled

S2/4

On

AT command set disabled

S2/4

Off

í Result code format set by V command

S2/5

Off

Numeric result codes

S2/5

On

í DSR normal

S2/6

Off

DSR forced high

S2/6

On

í Dumb mode uses 10-bit characters

S2/7

Off

Dumb mode uses 11-bit characters

S2/7

On

í Sync/async mode set by &M command

S2/8

Off

Synchronous mode

S2/8

On

í DTR normal

S3/1

Off

DTR forced high

S3/1

On

í Pin 23 of RS-232 port ignored

S3/2

Off

Speed set to 1200bps when pin 23 of RS-232 port is high

S3/2

On

í Pin 12 of RS-232 port has no function

S3/3

Off

Pin 12 of RS-232 port high indicates speed set to 1200bps

S3/3

On

í Analog loopback test performed when pin 25 of RS-232 port is high

S3/4

On

Pin 25 of RS-232 port ignored

S3/4

Off

CHASSIS GROUND

Setting

JP1

JP7

í Disconnected

Pins 2 & 3 closed

Pins 2 & 3 closed

Connected

Pins 1 & 2 closed

Pins 1 & 2 closed

HANDSET POLARITY

Setting

JP3

JP4

í Normal

Pins 2 & 3 closed

Pins 2 & 3 closed

Reversed

Pins 1 & 2 closed

Pins 1 & 2 closed

CLOCK SOURCE

Setting

JP6/A

JP6/B

JP6/C

Slave

Open

Open

Closed

Internal

Open

Closed

Open

External

Closed

Open

Open

DIAGNOSTIC LED(S)

LED

Color

Status

Condition

MR/RI

Red

On

Power is on

MR/RI

Red

Off

Power is off

MR/RI

Red

Blinking

Phone is ringing

TR

Red

On

DTR signal is high

TR

Red

Off

DTR signal is low

HS

Red

On

Modem is operating at 1200bps

HS

Red

Off

Modem is operating at 300bps

RD

Red

On

Modem is receiving data

RD

Red

Off

Modem is not receiving data

TD

Red

On

Modem is transmitting data

TD

Red

Off

Modem is not transmitting data

TM

Red

On

Modem is in test mode

TM

Red

Off

Modem is not in test mode

Note: The functions of MC and LED1 are unidentified.