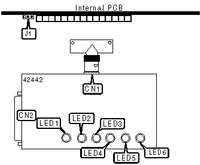
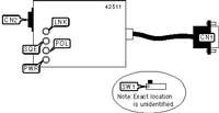
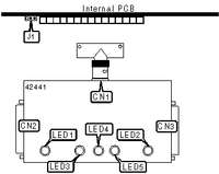
Network Ethernet. External devices