WESTERN DIGITAL CORPORATION

ETHERCARD PLUS10T

NIC Type

Ethernet

Network Transfer Rate

10Mbps

Data Bus

8-bit ISA

Topology

Linear Bus, Star

Wiring Type

Unshielded twisted pair

AUI transceiver via DB-15 port

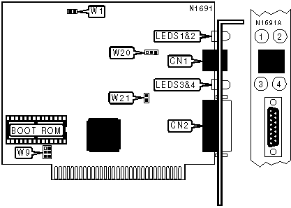
Boot ROM

Available

CONNECTIONS

Function

Label

Function

Label

Unshielded twisted pair port

CN1

AUI transceiver via DB-15 port

CN2

USER CONFIGURABLE SETTINGS

Function

Label

Position

»

Clear configuration disabled

W1

Open

 

Clear configuration enabled

W1

Closed

»

Automatic polarity correction enabled

W20

Pins 1 & 2 closed

 

Automatic polarity correction disabled

W20

Pins 2 & 3 closed

»

Link integrity test enabled

W21

Open

 

Link integrity test disabled

W21

Closed

ROM SIZE SELECTION

Size

W9

»

16KB

Pins 1 & 2, 4 & 5 closed

 

32KB

Pins 2 & 3, 4 & 5 closed

 

64KB

Pins 2& 3, 5 & 6 closed

DIAGNOSTIC LED(S)

LED

Color

Status

Condition

LED1

Green

On

Polarity is good on 10Base-T

LED1

Green

Off

Polarity is broken on 10Base-T

LED2

Green

On

10Base-T Link Integrity mode is selected

LED2

Green

Off

10Base-T Link integrity mode is not selected

LED3

Yellow

On

Data is being transmitted

LED3

Yellow

Off

Data is not being transmitted

LED4

Green

On

Data is being received

LED4

Green

Off

Data is not being received