STANDARD MICROSYSTEMS CORPORATION

WD8003EB

NIC Type

Ethernet

Transfer Rate

10Mbps

Data Bus

8-bit ISA

Topology

Linear bus

Wiring Type

RG-58A/U 50ohm coaxial

AUI transceiver via DB-15 port

Boot ROM

Available

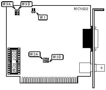
NIC CMOS RESET

Setting

W1

»

Normal operation

Open

 

Reset

Closed

Note: To reset the NIC's settings you must: close W1, turn on the computer, run the setup utility included with the card, turn off the computer, open W1, and then reapply power to the card.

When the card is reset the I/O base address will be set to 280h.

CABLE TYPE

Type

W3A & W3B

»

RG-58A/U 50ohm coaxial

Pins 2 & 3 closed

 

AUI transceiver via DB-15 port

Pins 1 & 2 closed

BOOT ROM SIZE

Size

W9A

W9B

»

16KB

Pins 1 & 2 closed

Pins 1 & 2 closed

 

32KB

Pins 2 & 3 closed

Pins 1 & 2 closed

 

64KB

Pins 2 & 3 closed

Pins 2 & 3 closed

MISCELLANEOUS NOTES

IRQ and Base I/O are set using the utility included with the card.