LANTECH COMPUTER COMPANY

PCI-NET/32

Card Type

Network Interface Card

NIC Type

Ethernet

Maximum Onboard Memory

Unidentified

Boot ROM

Available

Network Transfer Rate

10Mbps (20Mbps full duplex)

Topology

Linear Bus, Star

Wiring Type

Unshielded twisted pair

RG-58A/U 50ohm coaxial

Data Bus

32-bit PCI

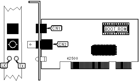
CONNECTIONS

Function

Label

Function

Label

RJ-45 UTP connector

CN1

RG-58A/U BNC connector

CN2

DIAGNOSTIC LED(S)

LED

Color

Status

Condition

TX

Unidentified

Blinking

Data is being transmitted

TX

Unidentified

Off

Data is not being transmitted

LK

Unidentified

On

Data is either being received or a link-integrity pulse has been detected

LK

Unidentified

Off

Data is not being received