ACCTON TECHNOLOGY CORPORATION
ETHERPOCKET-SP (EN2209)
|
NIC Type |
Ethernet |
|
Network Transfer Rate |
10Mbps |
|
Data Bus |
Parallel |
|
Topology |
Linear Bus, Star |
|
Wiring Type |
Unshielded twisted pair RG-58A/U 50ohm coaxial |
|
Boot ROM |
Not available |
|
CONNECTIONS | |||
|
Function |
Label |
Function |
Label |
|
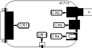
Parallel port |
CN1 |
Unshielded twisted pair port |
CN3 |
|
RG-58A/U 50ohm coaxial port |
CN2 |
DC power port |
CN4 |
|
CABLE TYPE SELECTION | |
|
Type |
SW1 |
|
RG-58A/U 50ohm coaxial |
Position 2 (Right) |
|
Unshielded twisted pair |
Position 1 (Left) |
|
DIAGNOSTIC LED(S) | |||
|
LED |
Color |
Status |
Condition |
|
LED1 |
Green |
On |
Power is on |
|
LED1 |
Green |
Off |
Power is off |
|
LED2 |
Green |
Blinking |
Data is being transmitted/received |
|
LED2 |
Green |
Off |
Data is not being transmitted/received |
|
LED3 |
Green |
On |
10Base-T network connection is good |
|
LED3 |
Green |
Off |
10Base-T network connection is broken |
|
LED4 |
Green |
On |
10-Base2 network connection is good |
|
LED4 |
Green |
Off |
10-Base2 network connection is broken |
|
Note: The location of the LED’s are unidentified. | |||