TOTEM TECHNOLOGY CO., LTD.

TM-586VA

Device Type

Mainboard

Processor

CX 6X86/CX 686MX/AM 5K86/AM K5/AM K6/Pentium/Pentium MMX

Processor Speed

75/90/100/120/133/150/166/200/233/266/300MHz

Chip Set

VIA Apollo

Maximum Onboard Memory

512MB (EDO & SDRAM supported)

Cache

512KB

BIOS

Award

Dimensions

220mm x 190mm

I/O Options

32-bit PCI slots (3), floppy drive interface, IDE interfaces (2), parallel port, PS/2 mouse interface, serial ports (2), IR connector, USB connector, ATX power connector

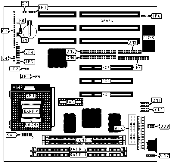
CONNECTIONS

Purpose

Location

Purpose

Location

ATX power connector

ATX

Reset switch

C1/pins 12 & 13

Serial port 1

CN1

Turbo LED

C1/pins 15 & 16

Serial port 2

CN2

Turbo switch

C1/pins 18 & 19

Parallel port

CN3

IDE interface LED

C1/pins 20 & 21

Floppy drive interface

CN4

Green PC connector

C2

IDE interface 2

CN5

Soft off power supply

C3

IDE interface 1

CN6

Chassis fan power

C4

PS/2 mouse interface

CN7

IR connector

IR1

Power LED & keylock

C1/pins 1 – 5

32-bit PCI slots

PC1 – PC3

Speaker

C1/pins 7 - 10

USB connector

USB

USER CONFIGURABLE SETTINGS

Function

Label

Position

»

Factory configured - do not alter

JP3

Unidentified

»

CMOS memory normal operation

JP5

Pins 1 & 2 closed

 

CMOS memory clear

JP5

Pins 2 & 3 closed

»

Factory configured - do not alter

JP6

Unidentified

SIMM CONFIGURATION

Size

Bank 0

8MB

(2) 1M x 36

16MB

(2) 2M x 36

32MB

(2) 4M x 36

64MB

(2) 8M x 36

128MB

(2) 16M x 36

256MB

(2) 32M x 36

512MB

(2) 64M x 36

Note: Board accepts EDO memory.

DIMM CONFIGURATION

Size

Bank 1

Bank 2

8MB

(1) 1M x 64

None

16MB

(1) 2M x 64

None

16MB

(1) 1M x 64

(1) 1M x 64

24MB

(1) 2M x 64

(1) 1M x 64

32MB

(1) 4M x 64

None

32MB

(1) 2M x 64

(1) 2M x 64

40MB

(1) 4M x 64

(1) 1M x 64

48MB

(1) 4M x 64

(1) 2M x 64

64MB

(1) 8M x 64

None

64MB

(1) 4M x 64

(1) 4M x 64

72MB

(1) 8M x 64

(1) 1M x 64

DIMM CONFIGURATION

Size

Bank 1

Bank 2

80MB

(1) 8M x 64

(1) 2M x 64

96MB

(1) 8M x 64

(1) 4M x 64

128MB

(1) 16M x 64

None

128MB

(1) 8M x 64

(1) 8M x 64

136MB

(1) 16M x 64

(1) 1M x 64

144MB

(1) 16M x 64

(1) 2M x 64

160MB

(1) 16M x 64

(1) 4M x 64

192MB

(1) 16M x 64

(1) 8M x 64

256MB

(1) 16M x 64

(1) 16M x 64

256MB

(1) 32M x 64

None

264MB

(1) 32M x 64

(1) 1M x 64

272MB

(1) 32M x 64

(1) 2M x 64

288MB

(1) 32M x 64

(1) 4M x 64

320MB

(1) 32M x 64

(1) 8M x 64

384MB

(1) 32M x 64

(1) 16M x 64

512MB

(1) 32M x 64

(1) 32M x 64

Note: Board accepts SDRAM memory.

CACHE CONFIGURATION

Size

Bank 0

TAG

512KB

(1) 64K x 64

Unidentified

CPU SPEED SELECTION (CX 6X86)

CPU speed

Clock speed

Multiplier

SW1/

pins

1 & 2

SW1/

pins

3 & 4

SW1/

pins

5 & 6

SW1/

pins

7 & 8

SW1/

pins

9 & 10

SW1/

pins

11 & 12

120MHz

50MHz

2x

Open

Open

Closed

Closed

Closed

Closed

133MHz

55MHz

2x

Open

Open

Closed

Open

Closed

Closed

150MHz

60MHz

2x

Open

Open

Closed

Open

Closed

Closed

166MHz

66MHz

2x

Open

Open

Closed

Closed

Open

Closed

200MHz

75MHz

2x

Open

Open

Closed

Open

Closed

Open

CPU SPEED SELECTION (CX 6X86MX)

CPU speed

Clock speed

Multiplier

SW1/

pins

1 & 2

SW1/

pins

3 & 4

SW1/

pins

5 & 6

SW1/

pins

7 & 8

SW1/

pins

9 & 10

SW1/

pins

11 & 12

166MHz

60MHz

2.5x

Open

Closed

Closed

Open

Closed

Closed

200MHz

66MHz

2.5x

Open

Closed

Closed

Closed

Open

Closed

233MHz

66MHz

3x

Open

Closed

Open

Closed

Open

Closed

266MHz

66MHz

3.5x

Open

Open

Open

Closed

Open

Closed

CPU SPEED SELECTION (AM 5K86)

CPU speed

Clock speed

Multiplier

SW1/

pins

1 & 2

SW1/

pins

3 & 4

SW1/

pins

5 & 6

SW1/

pins

7 & 8

SW1/

pins

9 & 10

SW1/

pins

11 & 12

75MHz

50MHz

1.5x

Open

Open

Open

Closed

Closed

Closed

90MHz

60MHz

1.5x

Open

Open

Open

Open

Closed

Closed

CPU SPEED SELECTION (AM K5)

CPU speed

Clock speed

Multiplier

SW1/

pins

1 & 2

SW1/

pins

3 & 4

SW1/

pins

5 & 6

SW1/

pins

7 & 8

SW1/

pins

9 & 10

SW1/

pins

11 & 12

75MHz

50MHz

1.5x

Open

Open

Open

Closed

Closed

Closed

90MHz

60MHz

1.5x

Open

Open

Open

Open

Closed

Closed

100MHz

66MHz

1.5x

Open

Open

Open

Closed

Open

Closed

120MHz

60MHz

1.5x

Open

Open

Open

Open

Closed

Closed

133MHz

66MHz

1.5x

Open

Open

Open

Closed

Open

Closed

166MHz

66MHz

1.75x

Open

Closed

Closed

Closed

Open

Closed

CPU SPEED SELECTION (AM K6)

CPU speed

Clock speed

Multiplier

SW1/

pins

1 & 2

SW1/

pins

3 & 4

SW1/

pins

5 & 6

SW1/

pins

7 & 8

SW1/

pins

9 & 10

SW1/

pins

11 & 12

166MHz

66MHz

2.5x

Open

Closed

Closed

Closed

Open

Closed

200MHz

66MHz

3x

Open

Closed

Open

Closed

Open

Closed

233MHz

66MHz

3.5x

Open

Open

Open

Closed

Open

Closed

266MHz

66MHz

4x

Closed

Open

Closed

Closed

Open

Closed

300MHz

66MHz

4.5x

Closed

Closed

Closed

Closed

Open

Closed

CPU SPEED SELECTION (INTEL)

CPU speed

Clock speed

Multiplier

SW1/

pins

1 & 2

SW1/

pins

3 & 4

SW1/

pins

5 & 6

SW1/

pins

7 & 8

SW1/

pins

9 & 10

SW1/

pins

11 & 12

75MHz

50MHz

1.5x

Open

Open

Open

Closed

Closed

Closed

90MHz

60MHz

1.5x

Open

Open

Open

Open

Closed

Closed

100MHz

66MHz

1.5x

Open

Open

Open

Closed

Open

Closed

120MHz

60MHz

2x

Open

Open

Closed

Open

Closed

Closed

133MHz

66MHz

2x

Open

Open

Closed

Closed

Open

Closed

150MHz

60MHz

2.5x

Open

Closed

Closed

Open

Closed

Closed

CPU SPEED SELECTION (INTEL MMX)

CPU speed

Clock speed

Multiplier

SW1/

pins

1 & 2

SW1/

pins

3 & 4

SW1/

pins

5 & 6

SW1/

pins

7 & 8

SW1/

pins

9 & 10

SW1/

pins

11 & 12

166MHz

66MHz

2.5x

Open

Closed

Closed

Closed

Open

Closed

200MHz

66MHz

3x

Open

Closed

Open

Closed

Open

Closed

233MHz

66MHz

3.5x

Open

Open

Open

Closed

Open

Closed

266MHz

66MHz

4x

Closed

Open

Closed

Closed

Open

Closed

CPU VOLTAGE SELECTION (SINGLE)

Voltage

JP1

JP2

JP4

3.38v

Closed

Open

Pins 3 & 4 closed

3.52v

Closed

Open

Pins 1 & 2 closed

CPU VOLTAGE SELECTION (DUAL)

Voltage

JP1

JP2

JP4

2.2v

Open

Closed

Pins 13 & 14 closed

2.8v

Open

Closed

Pins 9 & 10 closed

2.9v

Open

Closed

Pins 7 & 8 closed

3.2v

Open

Closed

Pins 5 & 6 closed