TMC RESEARCH CORPORATION

TI5VG+ 100MHZ (VER. 1.0B)

Device Type

Mainboard

Processor

CX 6X86/CX 6X86L/CX 686MX/IDT C6/IDT WinChip/AM K5/

AM K6/Pentium/Pentium MMX

Processor Speed

90/100/120/133/150/166/180/200/233/266/300/333/350/366/400MHz

Chip Set

VIA MVP3

Video Chip Set

None

Maximum Onboard Memory

384MB (EDO & SDRAM supported)

Maximum Video Memory

None

Cache

512/1024KB

BIOS

Award

Dimensions

305mm x 180mm

I/O Options

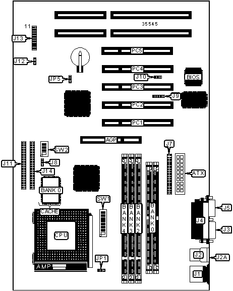
32-bit PCI slots (5), floppy drive interface, IDE interfaces (2), parallel port, PS/2 mouse port, serial ports (2), IR connector, USB connectors (2), ATX power connector, AGP slot

CONNECTIONS

Purpose

Location

Purpose

Location

AGP slot

AGP

Wake in LAN conenctor

J10

ATX power connector

ATX

IDE interface 1

J11

PS/2 mouse port

J1

Chassis fan power

J12

USB connector 1

J2

Speaker

J13/pins 1 - 4

USB connector 2

J2A

Soft off power supply

J13/pins 7 & 17

Serial port 1

J3

Turbo LED

J13/pins 8 & 18

Parallel port

J4

Reset switch

J13/pins 9 & 19

Serial port 2

J5

IDE interface LED

J13/pins 10 & 20

Floppy drive interface

J7

Power LED & keylock

J13/pins 11 - 15

CPU fan power

J8

IDE interface 2

J14

IR connector

J9

32-bit PCI slots

PC1 – PC5

USER CONFIGURABLE SETTINGS

Function

Label

Position

»

CMOS memory normal operation

JP5

Pins 1 & 2 closed

 

CMOS memory clear

JP5

Pins 2 & 3 closed

SIMM CONFIGURATION

Size

Bank 0

8MB

(2) 1M x 36

16MB

(2) 2M x 36

32MB

(2) 4M x 36

64MB

(2) 8M x 36

128MB

(2) 16M x 36

256MB

(2) 32M x 36

Note: Board accepts EDO memory.

DIMM CONFIGURATION

Size

Bank 0

Bank 1

Bank 2

8MB

(1) 1M x 64

None

None

16MB

(1) 2M x 64

None

None

16MB

(1) 1M x 64

(1) 1M x 64

None

24MB

(1) 2M x 64

(1) 1M x 64

None

24MB

(1) 1M x 64

(1) 1M x 64

(1) 1M x 64

32MB

(1) 4M x 64

None

None

DIMM CONFIGURATION (CON’T)

Size

Bank 0

Bank 1

Bank 2

32MB

(1) 2M x 64

(1) 1M x 64

(1) 1M x 64

32MB

(1) 2M x 64

(1) 2M x 64

None

40MB

(1) 4M x 64

(1) 1M x 64

None

40MB

(1) 2M x 64

(1) 2M x 64

(1) 1M x 64

48MB

(1) 4M x 64

(1) 1M x 64

(1) 1M x 64

48MB

(1) 4M x 64

(1) 2M x 64

None

48MB

(1) 2M x 64

(1) 2M x 64

(1) 2M x 64

56MB

(1) 4M x 64

(1) 2M x 64

(1) 1M x 64

64MB

(1) 8M x 64

None

None

64MB

(1) 4M x 64

(1) 2M x 64

(1) 2M x 64

64MB

(1) 4M x 64

(1) 4M x 64

None

72MB

(1) 8M x 64

(1) 1M x 64

None

72MB

(1) 4M x 64

(1) 4M x 64

(1) 1M x 64

80MB

(1) 8M x 64

(1) 1M x 64

(1) 1M x 64

80MB

(1) 8M x 64

(1) 2M x 64

None

80MB

(1) 4M x 64

(1) 4M x 64

(1) 2M x 64

88MB

(1) 8M x 64

(1) 2M x 64

(1) 1M x 64

96MB

(1) 8M x 64

(1) 2M x 64

(1) 2M x 64

96MB

(1) 8M x 64

(1) 4M x 64

None

96MB

(1) 4M x 64

(1) 4M x 64

(1) 4M x 64

104MB

(1) 8M x 64

(1) 4M x 64

(1) 1M x 64

112MB

(1) 8M x 64

(1) 4M x 64

(1) 2M x 64

128MB

(1) 16M x 64

None

None

128MB

(1) 8M x 64

(1) 4M x 64

(1) 4M x 64

128MB

(1) 8M x 64

(1) 8M x 64

None

136MB

(1) 16M x 64

(1) 1M x 64

None

136MB

(1) 8M x 64

(1) 8M x 64

(1) 1M x 64

144MB

(1) 16M x 64

(1) 1M x 64

(1) 1M x 64

144MB

(1) 16M x 64

(1) 2M x 64

None

144MB

(1) 8M x 64

(1) 8M x 64

(1) 2M x 64

152MB

(1) 16M x 64

(1) 2M x 64

(1) 1M x 64

160MB

(1) 16M x 64

(1) 2M x 64

(1) 2M x 64

160MB

(1) 16M x 64

(1) 4M x 64

None

DIMM CONFIGURATION (CON’T)

Size

Bank 0

Bank 1

Bank 2

160MB

(1) 8M x 64

(1) 8M x 64

(1) 4M x 64

168MB

(1) 16M x 64

(1) 4M x 64

(1) 1M x 64

176MB

(1) 16M x 64

(1) 4M x 64

(1) 2M x 64

192MB

(1) 16M x 64

(1) 4M x 64

(1) 4M x 64

192MB

(1) 16M x 64

(1) 8M x 64

None

192MB

(1) 8M x 64

(1) 8M x 64

(1) 8M x 64

200MB

(1) 16M x 64

(1) 8M x 64

(1) 1M x 64

208MB

(1) 16M x 64

(1) 8M x 64

(1) 2M x 64

224MB

(1) 16M x 64

(1) 8M x 64

(1) 4M x 64

256MB

(1) 16M x 64

(1) 8M x 64

(1) 8M x 64

384MB

(1) 16M x 64

(1) 16M x 64

(1) 16M x 64

Note: Board accepts EDO & SDRAM memory.

DIMM FREQUENCY CONFIGURATION

Setting

JP1

Run CPU clock

Pins 1 & 2 closed

Run AGP clock

Pins 2 & 3 closed

CACHE CONFIGURATION

Size

Bank 0

512KB

(1) 64K x 64

1MB

(1) 128K x 64

CPU SPEED SELECTION (CX 6X86)

CPU speed

Clock speed

Multiplier

SW1/1

SW1/2

SW1/3

SW1/4

166MHz

66MHz

2x

Off

On

On

Off

200MHz

75MHz

2x

Off

Off

On

Off

CPU SPEED SELECTION (CX 6X86, CON’T)

CPU speed

Clock speed

Multiplier

SW1/5

SW1/6

SW1/7

SW1/8

166MHz

66MHz

2x

On

Off

Off

On

200MHz

75MHz

2x

On

Off

Off

On

CPU SPEED SELECTION (CX 6X86L)

CPU speed

Clock speed

Multiplier

SW1/1

SW1/2

SW1/3

SW1/4

166MHz

66MHz

2x

Off

On

On

Off

200MHz

75MHz

2x

Off

Off

On

Off

CPU SPEED SELECTION (CX 6X86L, CON’T)

CPU speed

Clock speed

Multiplier

SW1/5

SW1/6

SW1/7

SW1/8

166MHz

66MHz

2x

On

Off

Off

On

200MHz

75MHz

2x

On

Off

Off

On

CPU SPEED SELECTION (CX 6X86MX)

CPU speed

Clock speed

Multiplier

SW1/1

SW1/2

SW1/3

SW1/4

200MHz

66MHz

2.5x

Off

On

On

Off

233MHz

66MHz

3x

Off

On

On

Off

266MHz

66MHz

3.5x

Off

On

On

Off

233MHz

75MHz

2.5x

Off

Off

On

Off

266MHz

83MHz

2.5x

Off

On

Off

Off

300MHz

83MHz

3x

Off

On

Off

Off

333MHz

100MHz

2.5x

Off

Off

Off

On

366MHz

100MHz

3x

Off

Off

Off

On

CPU SPEED SELECTION (CX 6X86MX, CON’T)

CPU speed

Clock speed

Multiplier

SW1/5

SW1/6

SW1/7

SW1/8

200MHz

66MHz

2.5x

On

On

Off

On

233MHz

66MHz

3x

Off

On

Off

On

266MHz

66MHz

3.5x

Off

Off

Off

On

233MHz

75MHz

2.5x

On

On

Off

On

266MHz

83MHz

2.5x

On

On

Off

Off

300MHz

83MHz

3x

Off

On

Off

Off

333MHz

100MHz

2.5x

On

On

Off

Off

366MHz

100MHz

3x

Off

On

Off

Off

CPU SPEED SELECTION (IDT C6)

CPU speed

Clock speed

Multiplier

SW1/1

SW1/2

SW1/3

SW1/4

180MHz

60MHz

3x

On

On

On

Off

200MHz

66MHz

3x

Off

On

On

Off

CPU SPEED SELECTION (IDT C6, CON’T)

CPU speed

Clock speed

Multiplier

SW1/5

SW1/6

SW1/7

SW1/8

180MHz

60MHz

3x

Off

On

Off

On

200MHz

66MHz

3x

Off

On

Off

On

CPU SPEED SELECTION (IDT WINCHIP)

CPU speed

Clock speed

Multiplier

SW1/1

SW1/2

SW1/3

SW1/4

200MHz

66MHz

3x

Off

On

On

Off

225MHz

75MHz

3x

Off

Off

On

Off

266MHz

66MHz

4x

Off

On

On

Off

CPU SPEED SELECTION (IDT WINCHIP, CON’T)

CPU speed

Clock speed

Multiplier

SW1/5

SW1/6

SW1/7

SW1/8

200MHz

66MHz

3x

Off

On

Off

On

225MHz

75MHz

3x

Off

On

On

On

266MHz

66MHz

4x

On

Off

On

On

CPU SPEED SELECTION (AM K5)

CPU speed

Clock speed

Multiplier

SW1/1

SW1/2

SW1/3

SW1/4

90MHz

60MHz

1.5x

On

On

On

Off

100MHz

66MHz

1.5x

Off

On

On

Off

133MHz

66MHz

2x

Off

On

On

Off

166MHz

66MHz

2.5x

Off

On

On

Off

CPU SPEED SELECTION (AM K5, CON’T)

CPU speed

Clock speed

Multiplier

SW1/5

SW1/6

SW1/7

SW1/8

90MHz

60MHz

1.5x

Off

Off

Off

On

100MHz

66MHz

1.5x

Off

Off

Off

On

133MHz

66MHz

2x

On

Off

Off

On

166MHz

66MHz

2.5x

On

On

Off

On

CPU SPEED SELECTION (AM K6)

CPU speed

Clock speed

Multiplier

SW1/1

SW1/2

SW1/3

SW1/4

166MHz

66MHz

2.5x

Off

On

On

Off

200MHz

66MHz

3x

Off

On

On

Off

233MHz

66MHz

3.5x

Off

On

On

Off

266MHz

66MHz

4x

Off

On

On

Off

300MHz

66MHz

4.5x

Off

On

On

Off

CPU SPEED SELECTION (AM K6, CON’T)

CPU speed

Clock speed

Multiplier

SW1/5

SW1/6

SW1/7

SW1/8

166MHz

66MHz

2.5x

On

On

Off

On

200MHz

66MHz

3x

Off

On

Off

On

233MHz

66MHz

3.5x

Off

Off

Off

On

266MHz

66MHz

4x

On

Off

On

On

300MHz

66MHz

4.5x

On

On

On

On

CPU SPEED SELECTION (AM K6-2)

CPU speed

Clock speed

Multiplier

SW1/1

SW1/2

SW1/3

SW1/4

300MHz

100MHz

3x

Off

Off

Off

On

333MHz

95MHz

3.5x

On

Off

Off

On

350MHz

100MHz

3.5x

Off

Off

Off

On

400MHz

100MHz

4x

Off

Off

Off

On

CPU SPEED SELECTION (AM K6-2, CON’T)

CPU speed

Clock speed

Multiplier

SW1/5

SW1/6

SW1/7

SW1/8

300MHz

100MHz

3x

Off

On

Off

Off

333MHz

95MHz

3.5x

Off

Off

Off

Off

350MHz

100MHz

3.5x

Off

Off

Off

Off

400MHz

100MHz

4x

On

Off

On

Off

CPU SPEED SELECTION (INTEL)

CPU speed

Clock speed

Multiplier

SW1/1

SW1/2

SW1/3

SW1/4

90MHz

60MHz

1.5x

On

On

On

Off

100MHz

66MHz

1.5x

Off

On

On

Off

120MHz

60MHz

2x

On

On

On

Off

133MHz

66MHz

2x

Off

On

On

Off

150MHz

60MHz

2.5x

On

On

On

Off

166MHz

66MHz

2.5x

Off

On

On

Off

200MHz

66MHz

3x

Off

On

On

Off

CPU SPEED SELECTION (INTEL, CON’T)

CPU speed

Clock speed

Multiplier

SW1/5

SW1/6

SW1/7

SW1/8

90MHz

60MHz

1.5x

Off

Off

Off

On

100MHz

66MHz

1.5x

Off

Off

Off

On

120MHz

60MHz

2x

On

Off

Off

On

133MHz

66MHz

2x

On

Off

Off

On

150MHz

60MHz

2.5x

On

On

Off

On

166MHz

66MHz

2.5x

On

On

Off

On

200MHz

66MHz

3x

Off

On

Off

On

CPU SPEED SELECTION (INTEL MMX)

CPU speed

Clock speed

Multiplier

SW1/1

SW1/2

SW1/3

SW1/4

166MHz

66MHz

2.5x

Off

On

On

Off

200MHz

66MHz

3x

Off

On

On

Off

233MHz

66MHz

3.5x

Off

On

On

Off

CPU SPEED SELECTION (INTEL MMX, CON’T)

CPU speed

Clock speed

Multiplier

SW1/5

SW1/6

SW1/7

SW1/8

166MHz

66MHz

2.5x

On

On

Off

Off

200MHz

66MHz

3x

Off

On

Off

Off

233MHz

66MHz

3.5x

Off

Off

Off

Off

CPU VOLTAGE SELECTION (SINGLE)

Voltage

SW2/1

SW2/2

SW2/3

SW2/4

3.5v

On

On

On

On

CPU VOLTAGE SELECTION

Voltage I/O

V core

SW2/1

SW2/2

SW2/3

SW2/4

3.3v

2.3v

On

On

Off

Off

3.3v

2.4v

Off

Off

On

Off

3.3v

2.5v

On

Off

On

Off

3.3v

2.6v

Off

On

On

Off

3.3v

2.7v

On

On

On

Off

3.3v

2.8v

Off

Off

Off

On

3.3v

2.9v

On

Off

Off

On

3.3v

3.0v

Off

On

Off

On

3.3v

3.1v

On

On

Off

On

3.3v

3.2v

Off

Off

On

On

3.3v

3.3v

On

Off

On

On

3.3v

3.4v

Off

On

On

On

3.3v

3.5v

On

On

On

On