SEANIX TECHNOLOGY, INC.

YUKON TX

Device Type

Mainboard

Processor

Pentium/Pentium MMX

Processor Speed

75/90/100/120/133/150/166/200MHz

Chip Set

Intel 430TX

Maximum Onboard Memory

512MB (EDO & SDRAM supported)

Cache

256/512KB

BIOS

AMI

Dimensions

220mm x 260mm

I/O Options

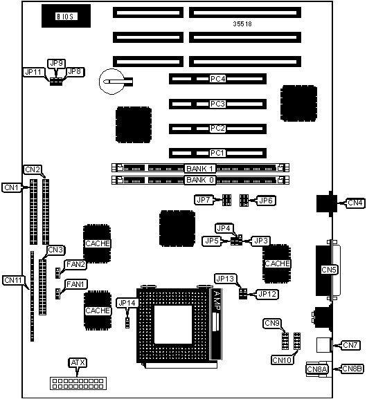
32-bit PCI slots (4), floppy drive interface, IDE interface, parallel port, PS/2 mouse port, serial ports (2), 10 Base-T/100 Base-TX LAN connector

CONNECTIONS

Purpose

Location

Purpose

Location

ATX power connector

ATX

IR connector

CN11/pins 1 - 6

IDE interface 1

CN1

Green-PC connector

CN11/pins 8 & 9

IDE interface 2

CN2

Reset switch

CN11/pins 10 & 11

Floppy drive interface

CN3

IDE interface LED

CN11/pins 12 & 15

10 Base-T/100 Base-TX connector

CN4

Power LED

CN11/pins 17 & 19

Parallel port

CN5

Speaker

CN11/pins 23 - 26

PS/2 mouse port

CN7

Chassis/CPU fan power

J4

USB connector 1

CN8A

Chassis/CPU fan power

J7

USB connector 2

CN8B

Wake on LAN connector

JP9

Serial port 2

CN9

32-bit PCI slots

PC1 - PC4

Serial port 1

CN10

 

 

DRAM CONFIGURATION

Size

Bank 0

Bank 1

8MB

(2) 1M x 36

None

16MB

(2) 2M x 36

None

16MB

(2) 1M x 36

(2) 1M x 36

24MB

(2) 2M x 36

(2) 1M x 36

32MB

(2) 4M x 36

None

32MB

(2) 2M x 36

(2) 2M x 36

40MB

(2) 1M x 36

(2) 4M x 36

48MB

(2) 4M x 36

(2) 2M x 36

64MB

(2) 8M x 36

None

64MB

(2) 4M x 36

(2) 4M x 36

72MB

(2) 8M x 36

(2) 1M x 36

80MB

(2) 8M x 36

(2) 2M x 36

96MB

(2) 8M x 36

(2) 4M x 36

128MB

(2) 16M x 36

None

128MB

(2) 8M x 36

(2) 8M x 36

136MB

(2) 16M x 36

(2) 1M x 36

144MB

(2) 16M x 36

(2) 2M x 36

160MB

(2) 16M x 36

(2) 4M x 36

192MB

(2) 16M x 36

(2) 8M x 36

256MB

(2) 16M x 36

(2) 16M x 36

256MB

(2) 16M x 36

None

512MB

(2) 16M x 36

(2) 16M x 36

Note: Board accepts EDO memory.

DIMM VOLTAGE SELECTION

Voltage

JP6

JP7

5v

Closed

Open

3.3v

Open

Closed

CPU TYPE SELECTION

CPU

JP12

JP13

JP14

Pentium MMX

Pins 2 & 3 closed

Pins 2 & 3 closed

Pins 2 & 3 closed

Pentium

Pins 1 & 2 closed

Pins 1 & 2 closed

Pins 1 & 2 closed

CPU SPEED SELECTION (INTEL)

Speed

Bus Speed

Multiplier

JP3

JP4

JP5

JP8

JP9

JP11

133MHz

66MHz

2x

2 & 3

Open

Open

Open

Closed

Open

150MHz

60MHz

2.5x

2 & 3

Closed

Closed

Closed

Open

Open

166MHz

66MHz

2.5x

2 & 3

Closed

Open

Open

Closed

Open

180MHz

60MHz

3x

1 & 2

Closed

Closed

Closed

Open

Open

200MHz

66MHz

3x

1 & 2

Closed

Open

Open

Closed

Closed

Note: Pins designated are in the closed position.

CPU SPEED SELECTION (INTEL MMX)

Speed

Bus Speed

Multiplier

JP3

JP4

JP5

JP8

JP9

JP11

166MHz

66MHz

2.5x

2 & 3

Closed

Open

Open

Closed

Open

200MHz

66MHz

3x

1 & 2

Closed

Open

Open

Closed

Closed

233MHz

66MHz

3.5x

1 & 2

Open

Open

Open

Closed

Open

Note: Pins designated are in the closed position.

ONBOARD LAN SELECTION

Setting

JP18

JP20

Onboard LAN enabled

Closed

Closed

Onboard LAN disabled

Open

Open