LUCKY STAR TECHNOLOGY CO., LTD.

6LX (SOUND)

Device Type

Mainboard

Processor

Celeron

Processor Speed

266/300/333/366/400/433/466MHz

Chip Set

Intel 440LX

Maximum Onboard Memory

768MB (EDO & SDRAM supported)

Cache

128KB (located on Celeron CPU)

BIOS

Award

Dimensions

254mm x 218mm

I/O Options

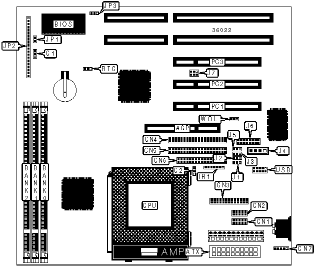
32-bit PCI slots (3), floppy drive interface, game interface, green PC connector, IDE interfaces (2), parallel port, PS/2 mouse interface, serial ports (2), IR connector, USB connector, ATX power connector, AGP slot, line in, line out, microphone in, audio in - CD-ROM, SB-link connector, wake on LAN connector

CONNECTIONS

Purpose

Location

Purpose

Location

AGP slot

AGP

Audio in - CD-ROM

J4

ATX power connector

ATX

Microphone in

J5

Chassis fan power

C1

Game interface

J6

Chassis fan power

C2

SB-link connector

J7

Serial port 1

CN1

Soft off power supply

JP1

Serial port 2

CN2

Power LED & keylock

JP2/pins 1 - 5

Parallel port

CN3

Speaker

JP2/pins 7 - 10

IDE interface 2

CN4

Reset switch

JP2/pins 12 & 13

IDE interface 1

CN5

IDE interface LED

JP2/pins 15 & 16

Floppy drive interface

CN6

Turbo LED

JP2/pins 18 & 19

PS/2 mouse interface

CN7

Green PC connector

JP2/pins 21 & 22

IR connector

IR1

32-bit PCI slots

PC1 - PC3

Speaker in

J1

USB connector

USB

Line out

J2

Wake on LAN connector

WOL

Line in

J3

 

 

USER CONFIGURABLE SETTINGS

Function

Label

Position

 

Flash BIOS voltage select 12v

JP3

Pins 2 & 3 closed

 

Flash BIOS voltage select 5v

JP3

Pins 1 & 2 closed

»

CMOS memory normal operation

RTC

Pins 1 & 2 closed

 

CMOS memory clear

RTC

Pins 2 & 3 closed

DIMM CONFIGURATION

Size

Bank 0

Bank 1

Bank 2

16MB

(1) 2M x 64

None

None

32MB

(1) 4M x 64

None

None

32MB

(1) 2M x 64

(1) 2M x 64

None

40MB

(1) 4M x 64

(1) 1M x 64

None

48MB

(1) 4M x 64

(1) 2M x 64

None

48MB

(1) 2M x 64

(1) 2M x 64

(1) 2M x 64

64MB

(1) 8M x 64

None

None

64MB

(1) 4M x 64

(1) 2M x 64

(1) 2M x 64

64MB

(1) 4M x 64

(1) 4M x 64

None

80MB

(1) 8M x 64

(1) 2M x 64

None

80MB

(1) 4M x 64

(1) 4M x 64

(1) 2M x 64

96MB

(1) 8M x 64

(1) 2M x 64

(1) 2M x 64

96MB

(1) 8M x 64

(1) 4M x 64

None

96MB

(1) 4M x 64

(1) 4M x 64

(1) 4M x 64

112MB

(1) 8M x 64

(1) 4M x 64

(1) 2M x 64

128MB

(1) 16M x 64

None

None

128MB

(1) 8M x 64

(1) 4M x 64

(1) 4M x 64

DIMM CONFIGURATION (CON'T)

Size

Bank 0

Bank 1

Bank 2

128MB

(1) 8M x 64

(1) 8M x 64

None

144MB

(1) 16M x 64

(1) 2M x 64

None

144MB

(1) 8M x 64

(1) 8M x 64

(1) 2M x 64

160MB

(1) 16M x 64

(1) 2M x 64

(1) 2M x 64

160MB

(1) 16M x 64

(1) 4M x 64

None

160MB

(1) 8M x 64

(1) 8M x 64

(1) 4M x 64

176MB

(1) 16M x 64

(1) 4M x 64

(1) 2M x 64

192MB

(1) 16M x 64

(1) 4M x 64

(1) 4M x 64

192MB

(1) 16M x 64

(1) 8M x 64

None

192MB

(1) 8M x 64

(1) 8M x 64

(1) 8M x 64

208MB

(1) 16M x 64

(1) 8M x 64

(1) 2M x 64

224MB

(1) 16M x 64

(1) 8M x 64

(1) 4M x 64

256MB

(1) 32M x 64

None

None

256MB

(1) 16M x 64

(1) 8M x 64

(1) 8M x 64

264MB

(1) 32M x 64

(1) 1M x 64

None

272MB

(1) 32M x 64

(1) 1M x 64

(1) 1M x 64

272MB

(1) 32M x 64

(1) 2M x 64

None

288MB

(1) 32M x 64

(1) 2M x 64

(1) 2M x 64

288MB

(1) 32M x 64

(1) 4M x 64

None

320MB

(1) 32M x 64

(1) 4M x 64

(1) 4M x 64

320MB

(1) 32M x 64

(1) 8M x 64

None

384MB

(1) 32M x 64

(1) 8M x 64

(1) 8M x 64

384MB

(1) 32M x 64

(1) 16M x 64

None

384MB

(1) 16M x 64

(1) 16M x 64

(1) 16M x 64

384MB

(1) 16M x 64

(1) 16M x 64

(1) 16M x 64

512MB

(1) 32M x 64

(1) 16M x 64

(1) 16M x 64

512MB

(1) 32M x 64

(1) 32M x 64

None

768MB

(1) 32M x 64

(1) 32M x 64

(1) 32M x 64

Note: Board accepts EDO & SDRAM memory. Maximum SDRAM is 384MB. Maximum EDO is 768MB.

CACHE CONFIGURATION

Note: 128KB cache is located on the Celeron 300A CPU.