LANNER ELECTRONICS, INC.

TF-586VM

Device Type

Mainboard

Processor

CX 6X86/CX 6X86L/CX MII/AM K5/AM K6/Pentium/Pentium MMX

Processor Speed

75/90/100/120/133/150/166/200/233MHz

Chip Set

Intel 430TX

Video Chip Set

S3

Maximum Onboard Memory

256MB

Maximum Video Memory

2MB

Cache

512KB

BIOS

Award

Dimensions

305mm x 230mm

I/O Options

32-bit PCI slots (2), floppy drive interface, green PC connector, IDE interfaces (2), parallel port, PS/2 mouse port, serial ports (2), VGA port, IR connector, USB connectors (2), ATX power connector

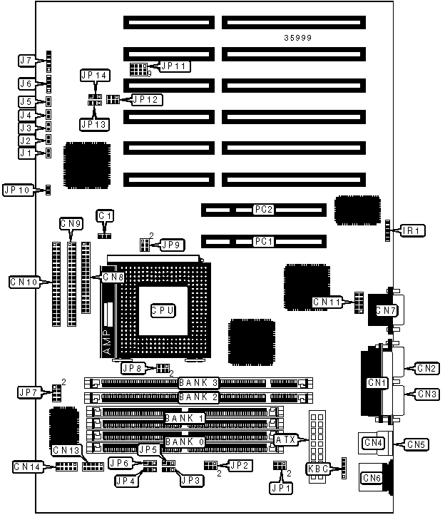
CONNECTIONS

Purpose

Location

Purpose

Location

ATX power connector

ATX

Serial port 4

CN13

CPU fan power

C1

Serial port 3

CN14

Parallel port

CN1

IR connector

IR1

Serial port 2

CN2

IDE interface LED

J1

Serial port 1

CN3

Green PC LED

J2

USB connector 1

CN4

Soft off power supply

J3

USB connector 2

CN5

Green PC connector

J4

PS/2 mouse port

CN6

Reset switch

J5

VGA port

CN7

Speaker

J6

Floppy drive interface

CN8

Power LED & keylock

J7

IDE interface 2

CN9

Auxiliary keyboard connector

KBC

IDE interface 1

CN10

32-bit PCI slots

PC1 – PC2

VGA interface

CN11

   

USER CONFIGURABLE SETTINGS

Function

Label

Position

»

Factory configured - do not alter

JP1

Unidentified

»

Factory configured - do not alter

JP10

Unidentified

»

CMOS memory normal operation

JP13

Pins 1 & 2 closed

 

CMOS memory clear

JP13

Pins 2 & 3 closed

SIMM CONFIGURATION

Size

Bank 0

Bank 1

8MB

(2) 1M x 36

None

16MB

(2) 2M x 36

None

16MB

(2) 1M x 36

(2) 1M x 36

24MB

(2) 2M x 36

(2) 1M x 36

32MB

(2) 4M x 36

None

32MB

(2) 2M x 36

(2) 2M x 36

40MB

(2) 4M x 36

(2) 1M x 36

48MB

(2) 4M x 36

(2) 2M x 36

64MB

(2) 8M x 36

None

64MB

(2) 4M x 36

(2) 4M x 36

72MB

(2) 8M x 36

(2) 1M x 36

80MB

(2) 8M x 36

(2) 2M x 36

96MB

(2) 8M x 36

(2) 4M x 36

128MB

(2) 8M x 36

(2) 8M x 36

128MB

(2) 16M x 36

None

144MB

(2) 16M x 36

(2) 2M x 36

160MB

(2) 16M x 36

(2) 4M x 36

192MB

(2) 16M x 36

(2) 8M x 36

256MB

(2) 16M x 36

(2) 16M x 36

DIMM CONFIGURATION

Size

Bank 2

Bank 3

8MB

(1) 1M x 64

None

16MB

(1) 2M x 64

None

16MB

(1) 1M x 64

(1) 1M x 64

24MB

(1) 2M x 64

(1) 1M x 64

32MB

(1) 4M x 64

None

32MB

(1) 2M x 64

(1) 2M x 64

40MB

(1) 4M x 64

(1) 1M x 64

48MB

(1) 4M x 64

(1) 2M x 64

64MB

(1) 8M x 64

None

64MB

(1) 4M x 64

(1) 4M x 64

72MB

(1) 8M x 64

(1) 1M x 64

80MB

(1) 8M x 64

(1) 2M x 64

96MB

(1) 8M x 64

(1) 4M x 64

128MB

(1) 16M x 64

None

128MB

(1) 8M x 64

(1) 8M x 64

136MB

(1) 16M x 64

(1) 1M x 64

144MB

(1) 16M x 64

(1) 2M x 64

160MB

(1) 16M x 64

(1) 4M x 64

192MB

(1) 16M x 64

(1) 8M x 64

256MB

(1) 16M x 64

(1) 16M x 64

CACHE CONFIGURATION

Note: The location of the cache is unidentified.

VIDEO MEMORY CONFIGURATION

Note: The location of the video memory is unidentified.

CPU SPEED SELECTION (CX 6X86)

CPU speed

Clock speed

Multiplier

JP8

JP9

120MHz

50MHz

2x

1 & 2

1 & 2, 3 & 4, 5 & 6

150MHz

60MHz

2x

1 & 2

1 & 2

166MHz

66MHz

2x

1 & 2

Open

Note: Pins designated should be in the closed position.

CPU SPEED SELECTION (CX MII)

CPU speed

Clock speed

Multiplier

JP8

JP9

200MHz

60MHz

3x

3 & 4

1 & 2

200MHz

66MHz

2.5x

1 & 2, 3 & 4

Open

233MHz

66MHz

3x

3 & 4

Open

233MHz

75MHz

2.5x

1 & 2, 3 & 4

3 & 4, 5 & 6

Note: Pins designated should be in the closed position.

CPU SPEED SELECTION (AM K5)

CPU speed

Clock speed

Multiplier

JP8

JP9

75MHz

50MHz

1.5x

Open

1 & 2, 3 & 4, 5 & 6

90MHz

60MHz

1.5x

Open

1 & 2

100MHz

66MHz

1.5x

Open

Open

120MHz

60MHz

2x

1 & 2

1 & 2

133MHz

66MHz

2x

1 & 2

Open

166MHz

66MHz

2.5x

1 & 2, 3 & 4

Open

Note: Pins designated should be in the closed position.

CPU SPEED SELECTION (AM K6)

CPU speed

Clock speed

Multiplier

JP8

JP9

166MHz

66MHz

2.5x

1 & 2, 3 & 4

Open

200MHz

66MHz

3x

3 & 4

Open

233MHz

66MHz

3.5x

Open

Open

Note: Pins designated should be in the closed position.

CPU SPEED SELECTION (INTEL)

CPU speed

Clock speed

Multiplier

JP8

JP9

75MHz

50MHz

1.5x

Open

1 & 2, 3 & 4, 5 & 6

90MHz

60MHz

1.5x

Open

1 & 2

100MHz

66MHz

1.5x

Open

Open

120MHz

60MHz

2x

1 & 2

1 & 2

133MHz

66MHz

2x

1 & 2

Open

150MHz

60MHz

2.5x

1 & 2, 3 & 4

1 & 2

166MHz

66MHz

2.5x

1 & 2, 3 & 4

Open

200MHz

66MHz

3x

3 & 4

Open

Note: Pins designated should be in the closed position.

CPU SPEED SELECTION (INTEL MMX)

CPU speed

Clock speed

Multiplier

JP8

JP9

166MHz

66MHz

2.5x

1 & 2, 3 & 4

Open

200MHz

66MHz

3x

3 & 4

Open

233MHz

66MHz

3.5x

Open

Open

Note: Pins designated should be in the closed position.

CPU VOLTAGE SELECTION

Voltage

JP7

 

1.24v

Open

 

2.1v

Pins 1 & 2 closed

 

2.2v

Pins 3 & 4 closed

 

2.3v

Pins 1 & 2, 3 & 4 closed

 

2.4v

Pins 5 & 6 closed

 

2.5v

Pins 1 & 2, 5 & 6 closed

 

2.6v

Pins 3 & 4, 5 & 6 closed

 

2.7v

Pins 1 & 2, 3 & 4, 5 & 6 closed

»

2.8v

Pins 7 & 8 closed

 

2.9v

Pins 1 & 2, 7 & 8 closed

 

3.0v

Pins 3 & 4, 7 & 8 closed

 

3.1v

Pins 1 & 2, 3 & 4, 7 & 8 closed

 

3.2v

Pins 5 & 6, 7 & 8 closed

 

3.3v

Pins 1 & 2, 5 & 6, 7 & 8 closed

 

3.4v

Pins 3 & 4, 5 & 6, 7 & 8 closed

 

3.5v

Pins 1 & 2, 3 & 4, 5 & 6, 7 & 8 closed

SERIAL PORT 4 SELECTION

Setting

JP2

JP3

JP4

JP5

JP6

»

RS-232

1 & 2

1 & 2

1 & 2

1 & 2

1 & 2

 

RS-422

3 & 4

2 & 3

2 & 3

2 & 3

2 & 3

 

RS-485

5 & 6

2 & 3

2 & 3

2 & 3

2 & 3

Note: Pins designated should be in the closed position.

WATCHDOG TIME OUT SELECTION

Seconds

JP2

.5

Pins 1 & 5 closed

1

Pins 2 & 6 closed

2

Pins 3 & 7 closed

4

Pins 4 & 8 closed

8

Pins 8 & 12 closed

16

Pins 7 & 11 closed

32

Pins 6 & 10 closed

64

Pins 5 & 9 closed

WATCHDOG SELECTION

Setting

JP14

»

Reset

Pins 1 & 2 closed

 

NMI system

Pins 2 & 3 closed

 

Disabled

Open

DISK ON CHIP ADDRESS SELECTION

Address

JP12

 

C8000

Pins 1 & 2 closed

 

D0000

Pins 3 & 4 closed

 

D8000

Pins 5 & 6 closed

»

Disabled

Pins 2 & 4 closed