KADATCO CO., LTD.

AM-432TX/ATX

Device Type

Mainboard

Processor

CX 6X86L/CX 686MX/AM K5/AM K6/Pentium

Processor Speed

100/120/133/150/166/180/200/233MHz

Chip Set

Intel

Video Chip Set

None

Maximum Onboard Memory

256MB (EDO & SDRAM supported)

Maximum Video Memory

None

Cache

512KB

BIOS

Award

Dimensions

305mm x 210mm

I/O Options

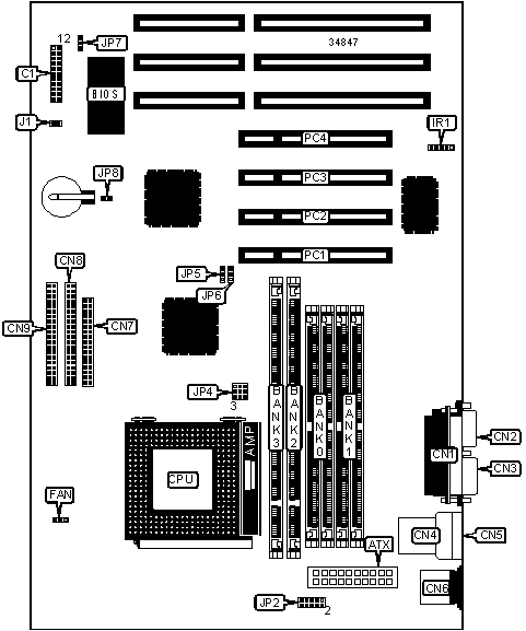
32-bit PCI slots (4), floppy drive interface, green PC connector, IDE interfaces (2), parallel port, PS/2 mouse port, serial ports (2), IR connector, USB connectors (2), ATX power connector

NPU Options

None

CONNECTIONS

Purpose

Location

Purpose

Location

ATX power connector

ATX

USB connector 1

CN4

Reset switch

C1/pins 1 & 2

USB connector 2

CN5

Green PC connector

C1/pins 4 & 5

PS/2 mouse port

CN6

Turbo LED

C1/pins 7 & 8

Floppy drive interface

CN7

IDE interface LED

C1/pins 10 & 11

IDE interface 2

CN8

Speaker

C1/pins 12 - 15

IDE interface 1

CN9

Power LED & keylock

C1/pins 17 - 21

Chassis fan power

FAN

Parallel port

CN1

IR connector

IR1

Serial port 2

CN2

Soft off power supply

J1

Serial port 1

CN3

32-bit PCI slots

PC1 – PC4

USER CONFIGURABLE SETTINGS

Function

Label

Position

»

Factory configured - do not alter

JP7

Unidentified

»

CMOS memory normal operation

JP8

Closed

 

CMOS memory clear

JP8

Open

SIMM CONFIGURATION

Size

Bank 0

Bank 1

8MB

(2) 1M x 36

None

16MB

(2) 2M x 36

None

16MB

(2) 1M x 36

(2) 1M x 36

24MB

(2) 2M x 36

(2) 1M x 36

32MB

(2) 4M x 36

None

32MB

(2) 2M x 36

(2) 2M x 36

40MB

(2) 4M x 36

(2) 1M x 36

48MB

(2) 4M x 36

(2) 2M x 36

64MB

(2) 8M x 36

None

64MB

(2) 4M x 36

(2) 4M x 36

72MB

(2) 8M x 36

(2) 1M x 36

80MB

(2) 8M x 36

(2) 2M x 36

96MB

(2) 8M x 36

(2) 4M x 36

128MB

(2) 8M x 36

(2) 8M x 36

128MB

(2) 16M x 36

None

SIMM CONFIGURATION (CON’T)

Size

Bank 0

Bank 1

136MB

(2) 16M x 36

(2) 1M x 36

144MB

(2) 16M x 36

(2) 2M x 36

160MB

(2) 16M x 36

(2) 4M x 36

192MB

(2) 16M x 36

(2) 8M x 36

256MB

(2) 16M x 36

(2) 16M x 36

Note: Board accepts EDO memory.

DIMM CONFIGURATION

Size

Bank 2

Bank 3

8MB

(1) 1M x 64

None

16MB

(1) 2M x 64

None

16MB

(1) 1M x 64

(1) 1M x 64

24MB

(1) 2M x 64

(1) 1M x 64

32MB

(1) 4M x 64

None

32MB

(1) 2M x 64

(1) 2M x 64

40MB

(1) 4M x 64

(1) 1M x 64

48MB

(1) 4M x 64

(1) 2M x 64

64MB

(1) 8M x 64

None

64MB

(1) 4M x 64

(1) 4M x 64

72MB

(1) 8M x 64

(1) 1M x 64

80MB

(1) 8M x 64

(1) 2M x 64

96MB

(1) 8M x 64

(1) 4M x 64

128MB

(1) 16M x 64

None

128MB

(1) 8M x 64

(1) 8M x 64

136MB

(1) 16M x 64

(1) 1M x 64

144MB

(1) 16M x 64

(1) 2M x 64

160MB

(1) 16M x 64

(1) 4M x 64

192MB

(1) 16M x 64

(1) 8M x 64

256MB

(1) 16M x 64

(1) 16M x 64

Note: Board accepts SDRAM memory.

CACHE CONFIGURATION

Note: 512KB cache is factory installed and is not configurable. The location is unidentified.

CPU SPEED SELECTION (CX 6X86L)

CPU speed

Clock speed

Multiplier

JP4

JP5

JP6

150MHz

60MHz

2x

2 & 3, 4 & 5

1 & 2

2 & 3

166MHz

66MHz

2x

2 & 3, 4 & 5

1 & 2

1 & 2

200MHz

75MHz

2x

2 & 3, 4 & 5

2 & 3

1 & 2

Note: Pins designated should be in the closed position.

CPU SPEED SELECTION (CX 6X86MX)

CPU speed

Clock speed

Multiplier

JP4

JP5

JP6

150MHz

60MHz

2x

2 & 3, 4 & 5

1 & 2

2 & 3

166MHz

66MHz

2x

2 & 3, 4 & 5

1 & 2

1 & 2

166MHz

60MHz

2.5x

2 & 3, 5 & 6

1 & 2

2 & 3

200MHz

66MHz

2.5x

2 & 3, 5 & 6

1 & 2

1 & 2

200MHz

75MHz

2x

2 & 3, 4 & 5

2 & 3

1 & 2

Note: Pins designated should be in the closed position.

CPU SPEED SELECTION (AM K5)

CPU speed

Clock speed

Multiplier

JP4

JP5

JP6

100MHz

66MHz

1.5x

1 & 2, 4 & 5

1 & 2

1 & 2

120MHz

60MHz

1.5x

1 & 2, 4 & 5

1 & 2

2 & 3

133MHz

66MHz

1.5x

1 & 2, 4 & 5

1 & 2

1 & 2

166MHz

66MHz

2.5x

2 & 3, 5 & 6

1 & 2

1 & 2

Note: Pins designated should be in the closed position.

CPU SPEED SELECTION (AM K6)

CPU speed

Clock speed

Multiplier

JP4

JP5

JP6

166MHz

66MHz

2.5x

2 & 3, 5 & 6

1 & 2

1 & 2

200MHz

66MHz

3x

1 & 2, 5 & 6

1 & 2

1 & 2

233MHz

66MHz

3.5x

1 & 2, 4 & 5

1 & 2

1 & 2

Note: Pins designated should be in the closed position.

CPU SPEED SELECTION (INTEL)

CPU speed

Clock speed

Multiplier

JP4

JP5

JP6

120MHz

60MHz

2x

2 & 3, 4 & 5

1 & 2

2 & 3

133MHz

66MHz

2x

2 & 3, 4 & 5

1 & 2

1 & 2

150MHz

60MHz

2.5x

2 & 3, 5 & 6

1 & 2

2 & 3

166MHz

66MHz

2.5x

2 & 3, 5 & 6

1 & 2

1 & 2

180MHz

60MHz

3x

1 & 2, 5 & 6

1 & 2

2 & 3

200MHz

66MHz

3x

1 & 2, 5 & 6

1 & 2

1 & 2

Note: Pins designated should be in the closed position.

CPU SPEED SELECTION (INTEL MMX)

CPU speed

Clock speed

Multiplier

JP4

JP5

JP6

166MHz

66MHz

2.5x

2 & 3, 5 & 6

1 & 2

1 & 2

200MHz

66MHz

3x

1 & 2, 5 & 6

1 & 2

1 & 2

233MHz

66MHz

3.5x

1 & 2, 4 & 5

1 & 2

1 & 2

Note: Pins designated should be in the closed position.

CPU TYPE SELECTION

Type

JP2

AM K5

Pins 1 & 2 closed

AM K6-166-200

Pins 7 & 8 closed

AM K6-233

Pins 5 & 6 closed

Cyrix 6X86L

Pins 9 & 10 closed

Cyrix 6X86

Pins 1 & 2 closed

Intel MMX

Pins 9 & 10 closed

Intel STD

Pins 3 & 4 closed

Intel VRE

Pins 1 & 2 closed