EURONE

MS-7070S

Device Type

Mainboard

Processor

Pentium II/Celeron

Processor Speed

233/266/300/333/350/400/450

Chip Set

Intel 440BX

Audio Chip Set

Yamaha

Maximum Onboard Memory

384MB (EDO & SDRAM supported)

Cache

0/128/256/512KB (located on the CPU)

BIOS

Award

Dimensions

305mm x 205mm

I/O Options

32-bit PCI slots (4), floppy drive interface, game/MIDI port, IDE interfaces (2), parallel port, PS/2 mouse port, serial ports (2), IR connector, USB connectors (2), ATX power connector, AGP slot, line in, line out, microphone in, audio in – CD-ROMs (2), SB link connector

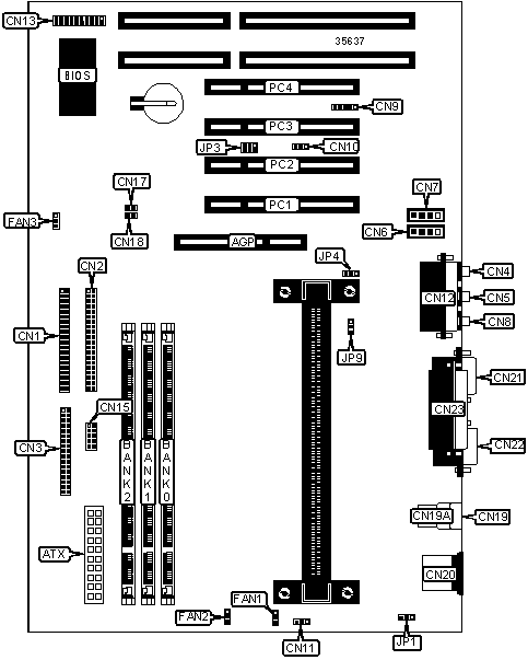
CONNECTIONS

Purpose

Location

Purpose

Location

AGP slot

AGP

IDE interface LED

CN13/pins 11 & 12

ATX power connector

ATX

Power LED & keylock

CN13/pins 13 - 17

IDE interface 1

CN1

Speaker

CN13/pins 19 - 22

IDE interface 2

CN2

Soft off power supply

CN13/pins 23 & 24

Floppy drive interface

CN3

Fan II connector

CN15

Line in

CN4

Volume down connector

CN17

Line out

CN5

Volume up connector

CN18

Audio in – CD-ROM (Sony)

CN6

USB connector 1

CN19A

Audio in – CD-ROM

CN7

USB connector 2

CN19

Microphone in

CN8

PS/2 mouse port

CN20

IR connector

CN9

Serial port 2

CN21

Wake on LAN connector

CN10

Serial port 1

CN22

Chassis intrusion connector

CN11

Parallel port

CN23

Game/MIDI port

CN12

CPU fan power

FAN1

Turbo switch

CN13/pins 1 & 2

CPU fan power

FAN2

Green PC connector

CN13/pins 4 & 5

Chassis fan power

FAN3

Green PC LED

CN13/pins 6 & 7

SB link connector`

JP3

Reset switch

CN13/pins 9 & 10

32-bit PCI slots

PC1 - PC4

USER CONFIGURABLE SETTINGS

Function

Label

Position

»

Power on by keyboard disabled

JP1

Pins 1 & 2 closed

 

Power on by keyboard enabled

JP1

Pins 2 & 3 closed

»

CMOS memory normal operation

JP4

Pins 1 & 2 closed

 

CMOS memory clear

JP4

Pins 2 & 3 closed

DIMM CONFIGURATION

Size

Bank 0

Bank 1

Bank 2

8MB

(1) 1M x 64

None

None

16MB

(1) 1M x 64

(1) 1M x 64

None

16MB

(1) 2M x 64

None

None

24MB

(1) 1M x 64

(1) 1M x 64

(1) 1M x 64

24MB

(1) 2M x 64

(1) 1M x 64

None

32MB

(1) 2M x 64

(1) 2M x 64

None

32MB

(1) 4M x 64

None

None

40MB

(1) 2M x 64

(1) 2M x 64

(1) 1M x 64

48MB

(1) 2M x 64

(1) 2M x 64

(1) 2M x 64

48MB

(1) 4M x 64

(1) 2M x 64

None

64MB

(1) 4M x 64

(1) 4M x 64

None

64MB

(1) 8M x 64

None

None

80MB

(1) 4M x 64

(1) 4M x 64

(1) 2M x 64

96MB

(1) 4M x 64

(1) 4M x 64

(1) 4M x 64

96MB

(1) 8M x 64

(1) 4M x 64

None

128MB

(1) 8M x 64

(1) 8M x 64

None

128MB

(1) 16M x 64

None

None

160MB

(1) 8M x 64

(1) 8M x 64

(1) 4M x 64

192MB

(1) 8M x 64

(1) 8M x 64

(1) 8M x 64

192MB

(1) 16M x 64

(1) 8M x 64

None

256MB

(1) 16M x 64

(1) 16M x 64

None

320MB

(1) 16M x 64

(1) 16M x 64

(1) 8M x 64

384MB

(1) 16M x 64

(1) 16M x 64

(1) 16M x 64

CACHE CONFIGURATION

The 256/512KB cache is located on the Pentium II CPU. The 128KB cache is located on the Celeron 300A & 333 CPU.

CPU FREQUENCY SELECTION

Frequency

JP9

»

Auto

Pins 2 & 3 closed

 

100MHz

Pins 1 & 2 closed