FLASH TECH, INC.

SL-66D

Device Type

Mainboard

Processor

Pentium II/Celeron

Processor Speed

233/266/300/333MHz

Chip Set

Intel 440EX

Maximum Onboard Memory

256MB (EDO & SDRAM supported)

Cache

256/512KB (on the Pentium II CPU)

BIOS

Award

I/O Options

32-bit PCI slots (4), floppy drive interface, IDE interfaces (2), parallel port, PS/2 mouse port, serial ports (2), AGP slot, USB ports (2), IR connector, green PC connector, ATX power connector

Dimensions

305mm x 170mm

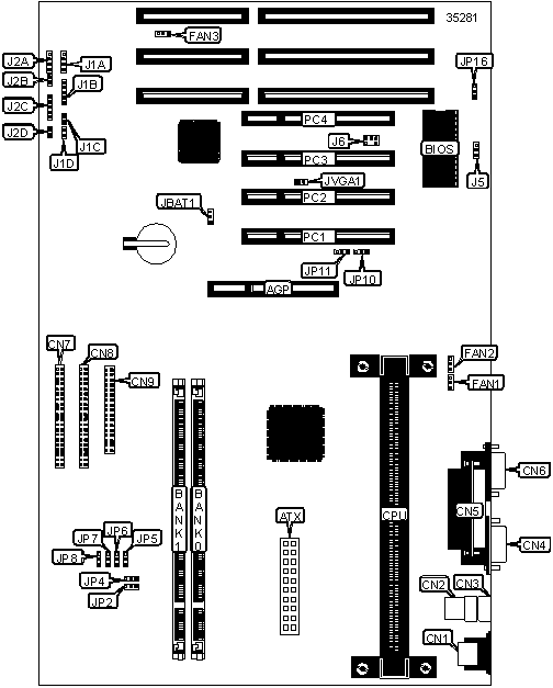
CONNECTIONS

Purpose

Location

Purpose

Location

AGP slot

AGP

Chassis fan

FAN3

ATX power connector

ATX

IDE interface LED

J1A

PS/2 mouse port

CN1

IR connector

J1B

USB connector 2

CN2

Power switch

J1C

USB connector 1

CN3

SMI switch

J1D

Serial port 1

CN4

Speaker

J2A

Parallel port

CN5

Reset switch

J2B

Serial port 2

CN6

Power LED & keylock

J2C

IDE interface 1

CN7

Turbo LED

J2D

IDE interface 2

CN8

Wake on LAN connector

J5

Floppy drive interface

CN9

SB Link

J6

CPU fan

FAN1

32-bit PCI slots

PC1 - PC4

Power fan

FAN2

   

USER CONFIGURABLE SETTINGS

Function

Label

Position

»

CMOS memory normal operation

JBAT1

Pins 1 & 2 closed

 

CMOS memory clear

JBAT1

Pins 2 & 3 closed

»

Normal VGA card enabled

JVGA1

Closed

 

Special VGA card enabled

JVGA1

Open

»

Power lost recovery normal

JP16

Pins 2 & 3 closed

 

Power lost recovery enabled

JP16

Pins 1 & 2 closed

USB PORT SELECTION

Function

JP10

JP11

»

Redirect USB1 to AGP port

Pins 1 & 2 closed

Pins 1 & 2 closed

 

Redirect all USB ports to USB connector

Pins 2 & 3 closed

Pins 2 & 3 closed

DRAM CONFIGURATION

Size

Bank 0

Bank 1

8MB

(1) 1MB x 64

None

16MB

(1) 1MB x 64

(1) 1MB x 64

16MB

(1) 2MB x 64

None

24MB

(1) 2MB x 64

(1) 1MB x 64

32MB

(1) 2MB x 64

(1) 2MB x 64

32MB

(1) 4MB x 64

None

40MB

(1) 4MB x 64

(1) 1MB x 64

48MB

(1) 4MB x 64

(1) 2MB x 64

64MB

(1) 4MB x 64

(1) 4MB x 64

64MB

(1) 8MB x 64

None

72MB

(1) 8MB x 64

(1) 1MB x 64

80MB

(1) 8MB x 64

(1) 2MB x 64

96MB

(1) 8MB x 64

(1) 4MB x 64

128MB

(1) 8MB x 64

(1) 8MB x 64

136MB

(1) 16MB x 64

None

144MB

(1) 16MB x 64

(1) 1MB x 64

160MB

(1) 16MB x 64

(1) 2MB x 64

192MB

(1) 16MB x 64

(1) 4MB x 64

224MB

(1) 16MB x 64

(1) 8MB x 64

256MB

(1) 16MB x 64

(1) 16MB x 64

Note: Board accepts both EDO and SDRAM.

CACHE CONFIGURATION

Note: 256/512KB cache is located on the Pentium II CPU.

CPU SPEED SELECTION

CPU Speed

Clock speed

Multiplier

JP2

JP4

JP5

JP6

JP7

JP8

233MHz

66MHz

3.5x

1 & 2

1 & 2

2 & 3

Open

Open

2 & 3

266MHz

66MHz

4x

1 & 2

1 & 2

Open

2 & 3

2 & 3

2 & 3

300MHz

66MHz

4.5x

1 & 2

1 & 2

Open

2 & 3

Open

2 & 3

333MHz

66MHz

5x

1 & 2

1 & 2

Open

Open

2 & 3

2 & 3

Note: Numbers designate pins that should be closed.