ELITEGROUP COMPUTER SYSTEMS, INC.

P6LX-A

Device Type

Mainboard

Processor

Pentium II

Processor Speed

233/266/300/333MHz

Chip Set

Intel

Video Chip Set

None

Maximum Onboard Memory

512MB

Maximum Video Memory

None

Cache

256/512KB (located on Pentium II CPU)

BIOS

Award

Dimensions

305mm x 244mm

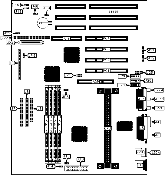
I/O Options

32-bit PCI slots (4), green PC connector, floppy drive interface, game port, IDE interfaces (2), SCSI interface, Ultra Wide SCSI interface, parallel port, PS/2 mouse port, serial ports (2), IR connectors (2), USB connectors (2), ATX power connector, AGP slot, line in, line out, microphone in, audio in – CD-ROMs (3), RAID slot

NPU Options

None

CONNECTIONS

Purpose

Location

Purpose

Location

AGP slot

AGP

CPU fan power

J14

ATX power connector

ATX

Chassis fan power

J15

PS/2 mouse port

J1

Intrusion detector

J16

Serial port 2

J3

USB connector 1

J20

Serial port 1

J4

USB connector 2

J20A

Parallel port

J5

Wake on modem connector

J21

Floppy drive interface

J6

Wide SCSI interface

J22

IDE interface 1

J7

Ultra Wide SCSI interface

J23

IDE interface 2

J8

MB-pro connector

J25

Power LED

J9/pins 1 - 3

Audio in – CD-ROM

J26

Green PC connector

J9/pins 4 & 5

Game port

J27

Green PC LED

J9/pins 6 - 8

Microphone in

J27A

Reset switch

J9/pins 9 & 10

Line in

J27B

Keylock

J9/pins 11 & 12

Line out

J27C

Speaker

J9/pins 13 - 16

Audio in – CD-ROM

J28

IDE interface LED

J9/pins 17 & 18

Audio in – CD-ROM

J29

Soft off power supply

J9/pins 19 & 20

Wake on LAN connector

J40

FIR connector

J11

32-bit PCI slots

PC1 – PC4

IR connector

J12

RAID slot

SL1

Power supply fan

J13

   

USER CONFIGURABLE SETTINGS

Function

Label

Position

»

CMOS memory normal operation

JP3

Pins 2 & 3 closed

 

CMOS memory clear

JP3

Pins 1 & 2 closed

 

SCSI hi byte enabled

JP5

Pins 2 & 3 closed

 

SCSI hi byte controlled through SCSI BIOS

JP5

Pins 1 & 2 closed

»

CPU clock select turbo

JP6

Pins 2 & 3 closed

 

CPU clock select normal

JP6

Pins 1 & 2 closed

DIMM CONFIGURATION

Size

Bank 0

Bank 1

Bank 2

Bank 3

8MB

(1) 1M x 64

None

None

None

16MB

(1) 2M x 64

None

None

None

16MB

(1) 1M x 64

(1) 1M x 64

None

None

24MB

(1) 2M x 64

(1) 1M x 64

None

None

24MB

(1) 1M x 64

(1) 1M x 64

(1) 1M x 64

None

32MB

(1) 4M x 64

None

None

None

32MB

(1) 2M x 64

(1) 2M x 64

None

None

32MB

(1) 1M x 64

(1) 1M x 64

(1) 1M x 64

(1) 1M x 64

40MB

(1) 4M x 64

(1) 1M x 64

None

None

48MB

(1) 4M x 64

(1) 2M x 64

None

None

48MB

(1) 2M x 64

(1) 2M x 64

(1) 2M x 64

None

64MB

(1) 2M x 64

(1) 2M x 64

(1) 2M x 64

(1) 2M x 64

64MB

(1) 8M x 64

None

None

None

64MB

(1) 4M x 64

(1) 4M x 64

None

None

72MB

(1) 8M x 64

(1) 1M x 64

None

None

80MB

(1) 8M x 64

(1) 2M x 64

None

None

96MB

(1) 8M x 64

(1) 4M x 64

None

None

96MB

(1) 4M x 64

(1) 4M x 64

(1) 4M x 64

None

128MB

(1) 16M x 64

None

None

None

128MB

(1) 8M x 64

(1) 8M x 64

None

None

128MB

(1) 4M x 64

(1) 4M x 64

(1) 4M x 64

(1) 4M x 64

136MB

(1) 16M x 64

(1) 1M x 64

None

None

144MB

(1) 16M x 64

(1) 2M x 64

None

None

152MB

(1) 16M x 64

(1) 1M x 64

(1) 1M x 64

(1) 1M x 64

160MB

(1) 16M x 64

(1) 4M x 64

None

None

176MB

(1) 16M x 64

(1) 2M x 64

(1) 2M x 64

(1) 2M x 64

192MB

(1) 16M x 64

(1) 8M x 64

None

None

192MB

(1) 8M x 64

(1) 8M x 64

(1) 8M x 64

None

224MB

(1) 16M x 64

(1) 4M x 64

(1) 4M x 64

(1) 4M x 64

256MB

(1) 16M x 64

(1) 16M x 64

None

None

256MB

(1) 8M x 64

(1) 8M x 64

(1) 8M x 64

(1) 8M x 64

DIMM CONFIGURATION (CON’T)

Size

Bank 0

Bank 1

Bank 2

Bank 3

272MB

(1) 16M x 64

(1) 16M x 64

(1) 1M x 64

(1) 1M x 64

288MB

(1) 16M x 64

(1) 16M x 64

(1) 2M x 64

(1) 2M x 64

320MB

(1) 16M x 64

(1) 16M x 64

(1) 4M x 64

(1) 4M x 64

320MB

(1) 16M x 64

(1) 8M x 64

(1) 8M x 64

(1) 8M x 64

384MB

(1) 16M x 64

(1) 16M x 64

(1) 16M x 64

None

512MB

(1) 16M x 64

(1) 16M x 64

(1) 16M x 64

(1) 16M x 64

Note: Board accepts SDRAM memory.

CACHE CONFIGURATION

Note: 256KB/512KB cache is located on the Pentium II CPU.

CPU SPEED SELECTION

CPU speed

Clock speed

Multiplier

JP1

233MHz

66MHz

3.5x

5 & 6, 7 & 8

266MHz

66MHz

4x

1 & 2, 3 & 4, 7 & 8

300MHz

66MHz

4.5x

3 & 4, 7 & 8

333MHz

66MHz

5x

1 & 2, 7 & 8

Note: Pins designated should be in the closed position.