GENOA SYSTEMS CORPORATION

PLATINUM 586TX

Processor

CX 6X86L/IBM 6X86L/AM K5/AM K6/Pentium

Processor Speed

90/100/120/133/150/166/200/233MHz

Chip Set

Intel

Video Chip Set

None

Maximum Onboard Memory

256MB (EDO supported)

Maximum Video Memory

None

Cache

256/512KB

BIOS

Award

Dimensions

305mm x 244mm

I/O Options

32-bit PCI slots (5), floppy drive interface, green PC connector, IDE interfaces (2), parallel port, PS/2 mouse port, serial ports (2), IR connector, USB connectors (2), ATX power connector

NPU Options

None

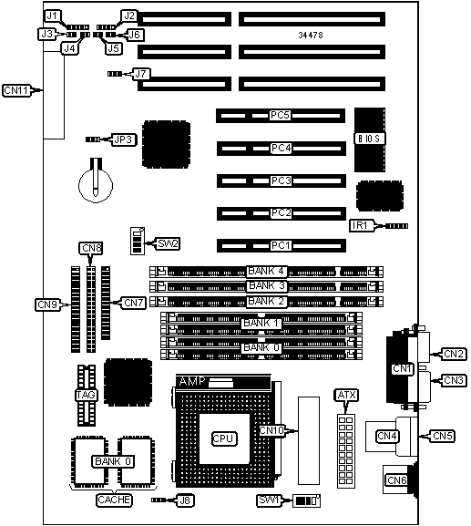
CONNECTIONS

Purpose

Location

Purpose

Location

ATX power connector

ATX

LM78 module socket

CN11

Parallel port

CN1

IR connector

IR1

Serial port 2

CN2

Power LED & keylock

J1

Serial port 1

CN3

Speaker

J2

USB connector 1

CN4

Power switch

J3

USB connector 2

CN5

Reset switch

J4

PS/2 mouse port

CN6

Green PC LED

J5

Floppy drive interface

CN7

Turbo switch

J6

IDE interface

CN8

Chassis fan power

J7

IDE interface

CN9

CPU fan power

J8

Switching regulator

CN10

32-bit PCI slots

PC1 – PC5

USER CONFIGURABLE SETTINGS

Function

Label

Position

»

CMOS memory normal operation

JP3

Open

 

CMOS memory clear

JP3

Pins 2 & 3 closed

DRAM CONFIGURATION

Size

Bank 0

Bank 1

8MB

(2) 1M x 36

None

16MB

(2) 2M x 36

None

16MB

(2) 1M x 36

(2) 1M x 36

24MB

(2) 2M x 36

(2) 1M x 36

32MB

(2) 4M x 36

None

32MB

(2) 2M x 36

(2) 2M x 36

40MB

(2) 4M x 36

(2) 1M x 36

48MB

(2) 4M x 36

(2) 2M x 36

64MB

(2) 8M x 36

None

64MB

(2) 4M x 36

(2) 4M x 36

72MB

(2) 8M x 36

(2) 1M x 36

80MB

(2) 8M x 36

(2) 2M x 36

96MB

(2) 8M x 36

(2) 4M x 36

128MB

(2) 8M x 36

(2) 8M x 36

128MB

(2) 16M x 36

None

136MB

(2) 16M x 36

(2) 1M x 36

144MB

(2) 16M x 36

(2) 2M x 36

160MB

(2) 16M x 36

(2) 4M x 36

192MB

(2) 16M x 36

(2) 8M x 36

256MB

(2) 16M x 36

(2) 16M x 36

Note: Board accepts EDO memory.

DIMM CONFIGURATION

Size

Bank 2

Bank 3

Bank 4

8MB

(1) 1M x 64

None

None

16MB

(1) 1M x 64

(1) 1M x 64

None

16MB

(1) 2M x 64

None

None

24MB

(1) 1M x 64

(1) 1M x 64

(1) 1M x 64

32MB

(1) 2M x 64

(1) 2M x 64

None

32MB

(1) 4M x 64

None

None

48MB

(1) 2M x 64

(1) 2M x 64

(1) 2M x 64

64MB

(1) 4M x 64

(1) 4M x 64

None

64MB

(1) 8M x 64

None

None

96MB

(1) 4M x 64

(1) 4M x 64

(1) 4M x 64

128MB

(1) 16M x 64

None

None

192MB

(1) 8M x 64

(1) 8M x 64

(1) 8M x 64

256MB

(1) 16M x 64

(1) 16M x 64

(1) 16M x 64

DIMM/DRAM CONFIGURATION

Size

Bank 0

Bank 1

Bank 2

Bank 3

Bank 4

16MB

None

(2) 1M x 36

(1) 1M x 64

None

None

16MB

None

(2) 1M x 36

None

(1) 1M x 64

None

24MB

(2) 1M x 36

(2) 1M x 36

(1) 1M x 64

None

None

24MB

(2) 1M x 36

None

(1) 1M x 64

None

(1) 1M x 64

32MB

(2) 1M x 36

(2) 1M x 36

(1) 2M x 64

None

None

32MB

None

(2) 2M x 36

(1) 2M x 64

None

None

32MB

None

(2) 2M x 36

None

(1) 2M x 64

None

40MB

(2) 2M x 36

(2) 2M x 36

(1) 1M x 64

None

None

40MB

(2) 2M x 36

None

(1) 2M x 64

None

(1) 1M x 64

48MB

(2) 2M x 36

(2) 2M x 36

(1) 2M x 64

None

None

48MB

(2) 1M x 36

(2) 1M x 36

(1) 4M x 64

None

None

64MB

(2) 2M x 36

(2) 2M x 36

(1) 4M x 64

None

None

64MB

None

(2) 4M x 36

(1) 4M x 64

None

None

64MB

None

(2) 4M x 36

None

(1) 4M x 64

None

72MB

(2) 4M x 36

(2) 4M x 36

(1) 1M x 64

None

None

72MB

(2) 4M x 36

None

(1) 4M x 64

None

(1) 1M x 64

80MB

(2) 4M x 36

(2) 4M x 36

(1) 2M x 64

None

None

96MB

(2) 4M x 36

(2) 4M x 36

(1) 4M x 64

None

None

128MB

None

(2) 8M x 36

None

(1) 8M x 64

None

128MB

None

(2) 8M x 36

(1) 8M x 64

None

None

136MB

(2) 8M x 36

(2) 8M x 36

(1) 1M x 64

None

None

136MB

(2) 8M x 36

None

(1) 8M x 64

None

(1) 1M x 64

160MB

(2) 8M x 36

(2) 8M x 36

(1) 4M x 64

None

None

256MB

None

(2) 16M x 36

None

(1) 16M x 64

None

256MB

None

(2) 16M x 36

(1) 16M x 64

None

None

CACHE CONFIGURATION

Size

Bank 0

TAG

256KB

(2) 32K x 32

Unidentified

512KB

(2) 64K x 32

Unidentified

CPU SPEED SELECTION (CYRIX)

CPU speed

Clock speed

Multiplier

SW2/1

SW2/2

SW2/3

SW2/4

133MHz

55MHz

2x

On

Off

On

On

150MHz

60MHz

2x

On

Off

On

Off

166MHz

66MHz

2x

On

Off

Off

Off

CPU SPEED SELECTION (IBM)

CPU speed

Clock speed

Multiplier

SW2/1

SW2/2

SW2/3

SW2/4

133MHz

55MHz

2x

On

Off

On

On

150MHz

60MHz

2x

On

Off

On

Off

166MHz

66MHz

2x

On

Off

Off

Off

CPU SPEED SELECTION (AM K5)

CPU speed

Clock speed

Multiplier

SW2/1

SW2/2

SW2/3

SW2/4

90MHz

60MHz

1.5x

Off

Off

On

Off

100MHz

66MHz

1.5x

Off

Off

Off

Off

120MHz

60MHz

1.5x

Off

Off

On

Off

133MHz

66MHz

1.5x

On

Off

Off

Off

150MHz

60MHz

1.75x

On

On

On

Off

166MHz

66MHz

1.75x

On

On

Off

Off

CPU SPEED SELECTION (AM K6)

CPU speed

Clock speed

Multiplier

SW2/1

SW2/2

SW2/3

SW2/4

166MHz

66MHz

2.5x

On

On

Off

Off

200MHz

66MHz

3x

Off

On

Off

Off

233MHz

66MHz

3.5x

Off

Off

Off

Off

CPU SPEED SELECTION (INTEL)

CPU speed

Clock speed

Multiplier

SW2/1

SW2/2

SW2/3

SW2/4

90MHz

60MHz

1.5x

Off

Off

On

Off

100MHz

66MHz

1.5x

Off

Off

Off

Off

120MHz

60MHz

2x

On

Off

On

Off

133MHz

66MHz

2x

On

Off

Off

Off

150MHz

60MHz

2.5x

On

On

On

Off

166MHz

66MHz

2.5x

On

On

Off

Off

200MHz

66MHz

3x

Off

On

Off

Off

233MHz

66MHz

3.5x

Off

Off

Off

Off

CPU VOLTAGE SELECTION

Voltage

SW1/1

SW1/2

SW1/3

SW1/4

2.5v

On

Off

Off

Off

2.8v

Off

On

Off

Off

2.9v

Off

Off

On

Off

3.2v

Off

Off

Off

On

3.3v

N/A

N/A

N/A

N/A

3.5v

N/A

N/A

N/A

N/A