EVEREX SYSTEMS, INC.
TEMPO LX (NOTEBOOK)
|
Processor |
80386SX |
|
Processor Speed |
16/20/25MHZ |
|
Chip Set |
C & T |
|
Max. Onboard DRAM |
5MB |
|
Cache |
None |
|
BIOS |
Phoenix |
|
Dimensions |
355mm x 304mm |
|
I/O Options |
Floppy drive interface, IDE interface, modem card, parallel port, serial port, VGA port |
|
NPU Options |
80387SX |
|
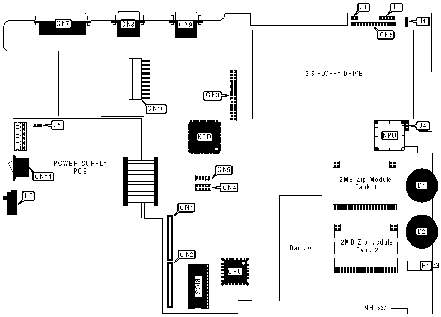
CONNECTIONS | |||
|
Purpose |
Location |
Purpose |
Location |
|
IDE interface |
CN1 & CN2 |
Modem (COM2) |
CN10 |
|
Floppy drive interface |
CN3 |
Power switch |
CN11 |
|
Keyboard connector |
CN4 & CN5 |
Contrast dial |
D1 |
|
LCD display |
CN6 |
Brightness dial |
D2 |
|
Parallel port |
CN7 |
Reset switch |
R1 |
|
Serial port (COM1) |
CN8 |
Circuit breaker reset switch |
R2 |
|
VGA port |
CN9 | ||
|
USER CONFIGURABLE SETTINGS | |||
|
Function |
Jumper |
Position | |
| » |
Factory configured - do not alter |
J1 |
N/A |
| » |
Factory configured - do not alter |
J2 |
N/A |
| » |
Factory configured - do not alter |
J3 |
N/A |
| » |
Factory configured - do not alter |
J4 |
N/A |
| » |
Factory configured - do not alter |
J5 |
N/A |
|
DRAM CONFIGURATION | |||
|
SIze |
Bank 0 |
Bank 1 |
Bank 2 |
|
1MB |
1MB |
1MB |
1MB |
|
3MB |
NONE |
2MB ZIP Module |
2MB ZIP Module |
|
5MB |
NONE |
NONE |
2MB ZIP Module |
|
Note:1MB DRAM is soldered to the system board, 2MB ZIP modules can be installed the additional memory will be detected via the system BIOS. | |||
|
CONNECTIONS | |||
|
Purpose |
Location |
Purpose |
Location |
|
Speaker |
CN1 |
RJ11 |
CN2 |
|
MODEM CONFIGURATION | |||
|
Function |
SW1/switch 1 |
SW1/switch 3 |
SW1/switch 4 |
|
MNP enabled |
On |
On |
On |
|
MNP disabled |
Off |
On |
On |
|
Normal |
On |
On |
On |
|
Self test |
On |
Off |
On |
|
Relay test |
On |
On |
Off |
|
Note:Switch #2 is factory configured and should not be altered. | |||