COMPULINK RESEARCH, INC.
INFINITY PT2-DAX
|
Device Type |
Mainboard |
|
Processor |
Pentium II |
|
Processor Speed |
233/266/300/333/366MHz |
|
Chip Set |
Intel 440LX |
|
Audio Chip Set |
Unidentified |
|
Maximum Onboard Memory |
384MB (EDO & SDRAM supported) |
|
Maximum Audio Memory |
Unidentified |
|
Cache |
256/512KB (located on the Pentium II CPU) |
|
BIOS |
Intel/Phoenix |
|
Dimensions |
330mm x 218mm |
|
I/O Options |
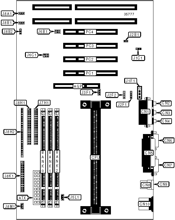
32-bit PCI slots (4), floppy drive interface, game/MIDI port, IDE interfaces (2), parallel port, PS/2 mouse port, serial ports (2), IR connector, USB connectors (2), ATX power connector, AGP slot, line in, line out, microphone in, wavetable connector, audio in - CD-ROMs (2) |

|
CONNECTIONS |
|||
|
Purpose |
Location |
Purpose |
Location |
|
AGP slot |
AGP |
Chassis fan power |
J3F1 |
|
ATX power connector |
ATX |
CPU fan power |
J5L1 |
|
Game/MIDI port |
CN1 |
Wavetable connector |
J6B1 |
|
Microphone in |
CN2 |
IDE interface 2 |
J7H1 |
|
Line in |
CN3 |
Wake on ring header |
J8A1 |
|
Line out |
CN4 |
SCSI LED |
J8B1 |
|
Parallel port |
CN5 |
IDE interface 1 |
J8H1 |
|
Serial port 2 |
CN6 |
Power switch |
J8H2/pins 1 & 2 |
|
Serial port 1 |
CN7 |
Green PC connector |
J8H2/Pins 3 & 4 |
|
USB connector 2 |
CN8 |
IR connector |
J8H2/Pins 6 - 11 |
|
USB connector 1 |
CN9 |
IDE interface LED |
J8H2/Pins 13 - 16 |
|
PS/2 mouse port |
CN10 |
Power LED |
J8H2/Pins 18 - 21 |
|
Wake on LAN connector |
J1C1 |
Reset switch |
J8H2/Pins 22 & 23 |
|
Audio in - CD-ROM |
J1F1 |
Speaker |
J8H2/Pins 24 - 27 |
|
Chassis Security Header |
J2B1 |
Floppy drive interface |
J8K1 |
|
ATAPI telephony connector |
J2F1 |
Chassis fan power |
J8M1 |
|
Line in |
J2F2 |
32-bit PCI slots |
PC1 - PC4 |
|
USER CONFIGURABLE SETTINGS |
|||
|
Function |
Label |
Position |
|
|
» |
CMOS memory normal operation |
J8B2 |
Pins 1 & 2 closed |
|
CMOS memory clear |
J8B2 |
Pins 2 & 3 closed |
|
|
BIOS recovery mode |
J8B2 |
Open |
|
|
DIMM CONFIGURATION (NEEDING 256MB) |
|||
|
Size |
Bank 0 |
Bank 1 |
Bank 2 |
|
8MB |
(1) 1MB x 64 |
|
|
|
16MB |
(1) 1MB x 64 |
(1) 1MB x 64 |
|
|
24MB |
(1) 1MB x 64 |
(1) 1MB x 64 |
(1) 1MB x 64 |
|
16MB |
(1) 2MB x 64 |
|
|
|
32MB |
(1) 2MB x 64 |
(1) 2MB x 64 |
|
|
48MB |
(1) 2MB x 64 |
(1) 2MB x 64 |
(1) 2MB x 64 |
|
32MB |
(1) 4MB x 64 |
|
|
|
64MB |
(1) 4MB x 64 |
(1) 4MB x 64 |
|
|
96MB |
(1) 4MB x 64 |
(1) 4MB x 64 |
(1) 4MB x 64 |
|
64MB |
(1) 8MB x 64 |
|
|
|
128MB |
(1) 8MB x 64 |
(1) 8MB x 64 |
|
|
192MB |
(1) 8MB x 64 |
(1) 8MB x 64 |
(1) 8MB x 64 |
|
128MB |
(1) 16MB x 64 |
|
|
|
256MB |
(1) 16MB x 64 |
(1) 16MB x 64 |
|
|
384MB |
(1) 16MB x 64 |
(1) 16MB x 64 |
(1) 16MB x 64 |
|
40MB |
(1) 2MB x 64 |
(1) 2MB x 64 |
(1) 1MB x 64 |
|
80MB |
(1) 4MB x 64 |
(1) 4MB x 64 |
(1) 2MB x 64 |
|
160MB |
(1) 8MB x 64 |
(1) 8MB x 64 |
(1) 4MB x 64 |
|
320MB |
(1) 16MB x 64 |
(1) 16MB x 64 |
(1) 8MB x 64 |
|
CACHE CONFIGURATION |
|
Note: The 256/512KB cache is located on the Pentium II CPU. |