BIOSTAR MICROTECH INTERNATIONAL CORPORATION

M5ALA

Device Type

Mainboard

Processor

CX 6X86/CX 6X86L/CX MII/AM K5/AM K6/AM K6-2/

IDT C6/Pentium/Pentium MMX

Processor Speed

120/133/150/166/180/200/233/250/266/300/333MHz

Chip Set

ALI Aladdin 5

Maximum Onboard Memory

128MB (EDO & SDRAM supported)

Cache

512KB

BIOS

Award

Dimensions

300mm x 200mm

I/O Options

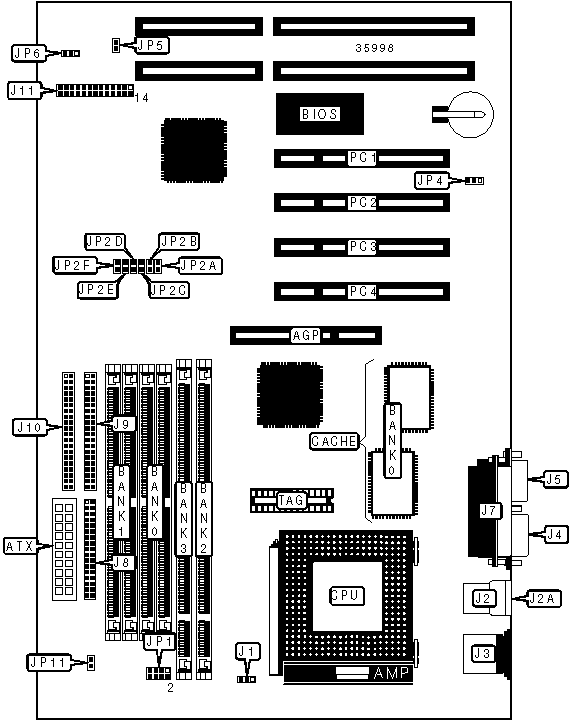
32-bit PCI slots (4), floppy drive interface, green PC connector, IDE interfaces (2), parallel port, PS/2 mouse port, serial ports (2), IR connector, USB connectors (2), ATX power connector, AGP slot, wake on LAN connector

CONNECTIONS

Purpose

Location

Purpose

Location

AGP slot

AGP

IDE interface 2

J9

ATX power connector

ATX

IDE interface 1

J10

CPU fan power

J1

Speaker

J11/pins 1 – 4

USB connector 1

J2

Power LED & keylock

J11/pins 5 - 10

USB connector 2

J2A

Soft off power supply

J11/pins 10 & 11

PS/2 mouse port

J3

Reset switch

J11/pins 12 & 13

Serial port 1

J4

5V ground

J11/pins 14 & 15

Serial port 2

J5

Green PC connector

J11/pins 17 & 18

Wake on LAN connector

J6

IDE interface LED

J11/pins 20 & 21

Parallel port

J7

IR connector

J11/pins 22 - 26

Floppy drive interface

J8

32-bit PCI slots

PC1 – PC4

Note: The location of J6 is unidentified.

USER CONFIGURABLE SETTINGS

Function

Label

Position

»

CMOS memory normal operation

JP4

Pins 1 & 2 closed

 

CMOS memory clear

JP4

Pins 2 & 3 closed

 

On board battery disabled

JP4

Open

»

Factory configured - do not alter

JP5

Unidentified

»

Factory configured - do not alter

JP6

Unidentified

SIMM CONFIGURATION

Size

Bank 0

Bank 1

8MB

(2) 1M x 36

None

16MB

(2) 2M x 36

None

16MB

(2) 1M x 36

(2) 1M x 36

24MB

(2) 2M x 36

(2) 1M x 36

32MB

(2) 4M x 36

None

32MB

(2) 2M x 36

(2) 2M x 36

40MB

(2) 4M x 36

(2) 1M x 36

48MB

(2) 4M x 36

(2) 2M x 36

64MB

(2) 8M x 36

None

64MB

(2) 4M x 36

(2) 4M x 36

72MB

(2) 8M x 36

(2) 1M x 36

80MB

(2) 8M x 36

(2) 2M x 36

96MB

(2) 8M x 36

(2) 4M x 36

128MB

(2) 8M x 36

(2) 8M x 36

DIMM CONFIGURATION

Size

Bank 2

Bank 3

8MB

(1) 1M x 64

None

16MB

(1) 2M x 64

None

16MB

(1) 1M x 64

(1) 1M x 64

24MB

(1) 2M x 64

(1) 1M x 64

32MB

(1) 4M x 64

None

32MB

(1) 2M x 64

(1) 2M x 64

40MB

(1) 4M x 64

(1) 1M x 64

48MB

(1) 4M x 64

(1) 2M x 64

64MB

(1) 8M x 64

None

64MB

(1) 4M x 64

(1) 4M x 64

72MB

(1) 8M x 64

(1) 1M x 64

80MB

(1) 8M x 64

(1) 2M x 64

96MB

(1) 8M x 64

(1) 4M x 64

128MB

(1) 8M x 64

(1) 8M x 64

Note: Board accepts SDRAM memory.

CACHE CONFIGURATION

Size

Bank 0

TAG

512KB

(2) 64K x 32

Unidentified

CPU SPEED SELECTION (CX 6X86)

CPU speed

Clock speed

Multiplier

JP2A

JP2B

JP2C

JP2D

JP2E

JP2F

150MHz

60MHz

2x

Closed

Closed

Closed

Closed

Open

Open

166MHz

66MHz

2x

Open

Closed

Closed

Closed

Open

Open

200MHz

75MHz

2x

Closed

Closed

Open

Closed

Open

Open

CPU SPEED SELECTION (CX 6X86L)

CPU speed

Clock speed

Multiplier

JP2A

JP2B

JP2C

JP2D

JP2E

JP2F

150MHz

60MHz

2x

Closed

Closed

Closed

Closed

Open

Open

166MHz

66MHz

2x

Open

Closed

Closed

Closed

Open

Open

200MHz

75MHz

2x

Closed

Closed

Open

Closed

Open

Open

CPU SPEED SELECTION (CX MII)

CPU speed

Clock speed

Multiplier

JP2A

JP2B

JP2C

JP2D

JP2E

JP2F

150MHz

60MHz

2x

Closed

Closed

Closed

Closed

Open

Open

166MHz

66MHz

2x

Open

Closed

Closed

Closed

Open

Open

166MHz

60MHz

2.5x

Closed

Closed

Closed

Closed

Closed

Open

200MHz

75MHz

2x

Closed

Closed

Open

Closed

Open

Open

200MHz

66MHz

2.5x

Open

Closed

Closed

Closed

Closed

Open

233MHz

83MHz

2x

Open

Closed

Open

Closed

Open

Open

200MHz

60MHz

3x

Closed

Closed

Closed

Open

Closed

Open

233MHz

75MHz

2.5x

Closed

Closed

Open

Closed

Closed

Open

233MHz

66MHz

3x

Open

Closed

Closed

Open

Closed

Open

266MHz

83MHz

2.5x

Open

Closed

Open

Closed

Closed

Open

300MHz

75MHz

3x

Closed

Closed

Open

Open

Closed

Open

300MHz

66MHz

3.5x

Open

Closed

Closed

Open

Open

Open

333MHz

75MHz

3.5x

Closed

Closed

Open

Open

Open

Open

CPU SPEED SELECTION (IDT C6)

CPU speed

Clock speed

Multiplier

JP2A

JP2B

JP2C

JP2D

JP2E

JP2F

180MHz

60MHz

3x

Closed

Closed

Closed

Open

Closed

Open

200MHz

66MHz

3x

Open

Closed

Closed

Open

Closed

Open

CPU SPEED SELECTION (AM K5)

CPU speed

Clock speed

Multiplier

JP2A

JP2B

JP2C

JP2D

JP2E

JP2F

120MHz

60MHz

2x

Closed

Closed

Closed

Closed

Open

Open

133MHz

66MHz

2x

Open

Closed

Closed

Closed

Open

Open

166MHz

66MHz

2x

Open

Closed

Closed

Closed

Open

Open

200MHz

66MHz

3x

Open

Closed

Closed

Open

Closed

Open

CPU SPEED SELECTION (AM K6)

CPU speed

Clock speed

Multiplier

JP2A

JP2B

JP2C

JP2D

JP2E

JP2F

166MHz

66MHz

2.5x

Open

Closed

Closed

Closed

Closed

Open

200MHz

66MHz

3x

Open

Closed

Closed

Open

Closed

Open

233MHz

66MHz

3.5x

Open

Closed

Closed

Open

Open

Open

266MHz

66MHz

4x

Open

Closed

Closed

Closed

Open

Closed

300MHz

66MHz

4.5x

Open

Closed

Closed

Closed

Closed

Closed

CPU SPEED SELECTION (AM K6-2)

CPU speed

Clock speed

Multiplier

JP2A

JP2B

JP2C

JP2D

JP2E

JP2F

250MHz

100MHz

2.5x

Open

Open

Open

Closed

Closed

Open

300MHz

100MHz

3x

Open

Open

Open

Open

Closed

Open

333MHz

95MHz

3.5x

Closed

Open

Open

Open

Open

Open

CPU SPEED SELECTION (INTEL)

CPU speed

Clock speed

Multiplier

JP2A

JP2B

JP2C

JP2D

JP2E

JP2F

120MHz

60MHz

2x

Closed

Closed

Closed

Closed

Open

Open

133MHz

66MHz

2x

Open

Closed

Closed

Closed

Open

Open

150MHz

60MHz

2.5x

Closed

Closed

Closed

Closed

Closed

Open

166MHz

66MHz

2.5x

Open

Closed

Closed

Closed

Closed

Open

200MHz

66MHz

3x

Open

Closed

Closed

Open

Closed

Open

CPU SPEED SELECTION (INTEL MMX)

CPU speed

Clock speed

Multiplier

JP2A

JP2B

JP2C

JP2D

JP2E

JP2F

166MHz

66MHz

2.5x

Open

Closed

Closed

Closed

Closed

Open

200MHz

66MHz

3x

Open

Closed

Closed

Open

Closed

Open

233MHz

66MHz

3.5x

Open

Closed

Closed

Open

Open

Open

CPU VOLTAGE SELECTION (SINGLE)

Voltage

JP1

JP11

3.5v

Pins 1 & 2, 3 & 4, 5 & 6, 7 & 8 closed

Open

CPU VOLTAGE SELECTION (DUAL)

Voltage

V core

JP1

JP11

3.3v

2.1v

Pins 1 & 2 closed

Open

3.3v

2.2v

Pins 3 & 4 closed

Open

3.3v

2.8v

Pins 7 & 8 closed

Open

3.3v

2.9v

Pins 1 & 2 closed

Open

3.3v

3.2v

Pins 5 & 6, 7 & 8 closed

Open

3.3v

3.3v

Pins 1 & 2, 5 & 6, 7 & 8 closed

Open

3.45v

2.2v

Pins 3 & 4 closed

Open