ACER, INC.

MX58 PLUS

Device Type

Mainboard

Processor

CX 6X86/CX 6X86L/CX 686MX/CX MII/IDT C6/AM K5/

AM K6/Pentium/Pentium MMX

Processor Speed

75/90/100/120/133/150/166/180/200/233/266/300MHz

Chip Set

SIS 5598

Video Chip Set

Unidentified

Maximum Onboard Memory

256MB (EDO & SDRAM supported)

Maximum Video Memory

Unidentified

Audio Chip Set

Unidentified

Cache

512KB

BIOS

Award

Dimensions

245mm x 245mm

I/O Options

32-bit PCI slots (3), floppy drive interface, game/MIDI port, IDE interfaces (2), parallel port, PS/2 mouse port, serial ports (2), VGA port, USB connectors (2), ATX power connector, AGP slot, line in, line out, microphone in, audio in - CD-ROM

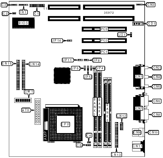
CONNECTIONS

Purpose

Location

Purpose

Location

ATX power connector

ATX

Line in

CN4

Keylock

C1/pins 1 & 2

Line out

CN5

ACPI LED

C1/pins 3 - 5

VGA port

CN6

Speaker

C1/pins 7 - 10

Parallel port

CN7

Reset switch

C1/pins 19 & 20

Serial port 1

CN8

IDE interface LED

C2

USB connector 1

CN9

Soft off power supply

C3

USB connector 2

CN10

CPU fan power

C4

PS/2 mouse port

CN11

CPU fan power

C5

Serial port 2

CN12

Audio in - CD-ROM

CD1

Floppy drive interface

CN13

Game/MIDI port

CN1

IDE interface 2

CN14

Microphone in

CN2

IDE interface 1

CN15

Mono in

CN3/pins 1 & 2

IR connector

IR1

Microphone out

CN3/pins 3 & 4

32-bit PCI slots

PC1 - PC3

USER CONFIGURABLE SETTINGS

Function

Label

Position

»

PCI CLK select synchronous

JP8

Pins 1 & 2 closed

 

PCI CLK select asynchronous

JP8

Pins 2 & 3 closed

»

On board video enabled

JP11

Pins 1 & 2 closed

 

On board video disabled

JP11

Pins 2 & 3 closed

»

CMOS memory normal operation

JP14

Pins 1 & 2 closed

 

CMOS memory clear

JP14

Pins 2 & 3 closed

»

On board sound enabled

JS1

Pins 1 & 2 closed

 

On board sound disabled

JS1

Pins 2 & 3 closed

SIMM CONFIGURATION

Size

Bank 0

8MB

(2) 1M x 36

16MB

(2) 2M x 36

32MB

(2) 4M x 36

64MB

(2) 8M x 36

128MB

(2) 16M x 36

256MB

(2) 32M x 36

Note: Board accepts EDO memory.

DIMM CONFIGURATION

Size

Bank 0

Bank 1

8MB

(1) 1M x 64

None

16MB

(1) 2M x 64

None

16MB

(1) 1M x 64

(1) 1M x 64

24MB

(1) 2M x 64

(1) 1M x 64

32MB

(1) 4M x 64

None

32MB

(1) 2M x 64

(1) 2M x 64

40MB

(1) 4M x 64

(1) 1M x 64

48MB

(1) 4M x 64

(1) 2M x 64

64MB

(1) 8M x 64

None

64MB

(1) 4M x 64

(1) 4M x 64

72MB

(1) 8M x 64

(1) 1M x 64

80MB

(1) 8M x 64

(1) 2M x 64

96MB

(1) 8M x 64

(1) 4M x 64

128MB

(1) 16M x 64

None

128MB

(1) 8M x 64

(1) 8M x 64

136MB

(1) 16M x 64

(1) 1M x 64

144MB

(1) 16M x 64

(1) 2M x 64

160MB

(1) 16M x 64

(1) 4M x 64

192MB

(1) 16M x 64

(1) 8M x 64

256MB

(1) 16M x 64

(1) 16M x 64

Note: Board accepts SDRAM memory.

CACHE CONFIGURATION

Note: The location of the cache is unidentified.

VIDEO MEMORY CONFIGURATION

Note: The location of the video memory is unidentified.

CPU SPEED SELECTION (CX 6X86)

CPU speed

Clock speed

Multiplier

JP4

JP5

JP6

SW1/1

SW1/2

SW1/3

120MHz

50MHz

2x

2 & 3

2 & 3

1 & 2

On

Off

Off

133MHz

55MHz

2x

2 & 3

2 & 3

2 & 3

On

Off

Off

150MHz

60MHz

2x

1 & 2

2 & 3

1 & 2

On

Off

Off

166MHz

66MHz

2x

2 & 3

1 & 2

1 & 2

On

Off

Off

200MHz

75MHz

2x

1 & 2

2 & 3

2 & 3

On

Off

Off

Note: Pins designated should be in the closed position.

CPU SPEED SELECTION (CX 6X86L)

CPU speed

Clock speed

Multiplier

JP4

JP5

JP6

SW1/1

SW1/2

SW1/3

120MHz

50MHz

2x

2 & 3

2 & 3

1 & 2

On

Off

Off

133MHz

55MHz

2x

2 & 3

2 & 3

2 & 3

On

Off

Off

150MHz

60MHz

2x

1 & 2

2 & 3

1 & 2

On

Off

Off

166MHz

66MHz

2x

2 & 3

1 & 2

1 & 2

On

Off

Off

200MHz

75MHz

2x

1 & 2

2 & 3

2 & 3

On

Off

Off

Note: Pins designated should be in the closed position.

CPU SPEED SELECTION (CX MII)

CPU speed

Clock speed

Multiplier

JP4

JP5

JP6

SW1/1

SW1/2

SW1/3

166MHz

60MHz

2.5x

1 & 2

2 & 3

1 & 2

On

On

Off

200MHz

66MHz

2.5x

2 & 3

1 & 2

1 & 2

On

On

Off

200MHz

75MHz

2x

1 & 2

2 & 3

2 & 3

On

Off

Off

233MHz

66MHz

3x

2 & 3

1 & 2

1 & 2

Off

On

Off

233MHz

83MHz

2x

2 & 3

1 & 2

2 & 3

On

Off

Off

266MHz

66MHz

3.5x

2 & 3

1 & 2

1 & 2

Off

Off

Off

300MHz

75MHz

3x

1 & 2

2 & 3

2 & 3

Off

On

Off

300MHz

66MHz

3.5x

2 & 3

1 & 2

1 & 2

Off

Off

Off

300MHz

60MHz

4x

1 & 2

2 & 3

1 & 2

On

Off

On

CPU SPEED SELECTION (AM K5)

CPU speed

Clock speed

Multiplier

JP4

JP5

JP6

SW1/1

SW1/2

SW1/3

75MHz

50MHz

1.5x

2 & 3

2 & 3

1 & 2

Off

Off

Off

90MHz

60MHz

1.5x

1 & 2

2 & 3

1 & 2

Off

Off

Off

100MHz

66MHz

1.5x

2 & 3

1 & 2

1 & 2

Off

Off

Off

120MHz

60MHz

1.5x

1 & 2

2 & 3

1 & 2

Off

Off

Off

133MHz

66MHz

1.5x

2 & 3

1 & 2

1 & 2

Off

Off

Off

166MHz

66MHz

1.75x

2 & 3

1 & 2

1 & 2

On

On

Off

Note: Pins designated should be in the closed position.

CPU SPEED SELECTION (AM K6)

CPU speed

Clock speed

Multiplier

JP4

JP5

JP6

SW1/1

SW1/2

SW1/3

166MHz

66MHz

2.5x

2 & 3

1 & 2

1 & 2

On

On

Off

200MHz

66MHz

3x

2 & 3

1 & 2

1 & 2

Off

On

Off

233MHz

66MHz

3.5x

2 & 3

1 & 2

1 & 2

Off

Off

Off

266MHz

66MHz

4x

2 & 3

1 & 2

1 & 2

On

Off

On

300MHz

66MHz

4.5x

2 & 3

1 & 2

1 & 2

On

On

On

Note: Pins designated should be in the closed position.

CPU SPEED SELECTION (IDT C6)

CPU speed

Clock speed

Multiplier

JP4

JP5

JP6

SW1/1

SW1/2

SW1/3

150MHz

75MHz

2x

1 & 2

2 & 3

2 & 3

On

Off

Off

180MHz

60MHz

3x

1 & 2

2 & 3

1 & 2

Off

On

Off

200MHz

66MHz

3x

2 & 3

1 & 2

1 & 2

Off

On

Off

Note: Pins designated should be in the closed position.

CPU SPEED SELECTION (INTEL)

CPU speed

Clock speed

Multiplier

JP4

JP5

JP6

SW1/1

SW1/2

SW1/3

75MHz

50MHz

1.5x

2 & 3

2 & 3

1 & 2

Off

Off

Off

90MHz

60MHz

1.5x

1 & 2

2 & 3

1 & 2

Off

Off

Off

100MHz

66MHz

1.5x

2 & 3

1 & 2

1 & 2

Off

Off

Off

120MHz

60MHz

2x

1 & 2

2 & 3

1 & 2

On

Off

Off

133MHz

66MHz

2x

2 & 3

1 & 2

1 & 2

On

Off

Off

150MHz

60MHz

2.5x

1 & 2

2 & 3

1 & 2

On

On

Off

166MHz

66MHz

2.5x

2 & 3

1 & 2

1 & 2

On

On

Off

200MHz

66MHz

3x

2 & 3

1 & 2

1 & 2

Off

On

Off

Note: Pins designated should be in the closed position.

CPU SPEED SELECTION (INTEL MMX)

CPU speed

Clock speed

Multiplier

JP4

JP5

JP6

SW1/1

SW1/2

SW1/3

150MHz

60MHz

2.5x

1 & 2

2 & 3

1 & 2

On

On

Off

166MHz

66MHz

2.5x

2 & 3

1 & 2

1 & 2

On

On

Off

200MHz

66MHz

3x

2 & 3

1 & 2

1 & 2

Off

On

Off

233MHz

66MHz

3.5x

2 & 3

1 & 2

1 & 2

Off

Off

Off

Note: Pins designated should be in the closed position.

CPU VOLTAGE SELECTION (SINGLE)

Voltage

SW1/4

SW1/5

SW1/6

SW1/7

SW1/8

3.3v

On

Off

On

On

Off

3.45v

Off

On

On

On

Off

3.52v

On

On

On

On

Off

CPU VOLTAGE SELECTION (DUAL)

Voltage

SW1/4

SW1/5

SW1/6

SW1/7

SW1/8

1.30v

Off

Off

Off

Off

On

1.35v

On

Off

Off

Off

On

1.40v

Off

On

Off

Off

On

1.45v

On

On

Off

Off

On

1.50v

Off

Off

On

Off

On

1.55v

On

Off

On

Off

On

1.60v

Off

On

On

Off

On

1.65v

On

On

On

Off

On

1.70v

Off

Off

Off

On

On

1.75v

On

Off

Off

On

On

1.80v

Off

On

Off

On

On

1.85v

On

On

Off

On

On

1.90v

Off

Off

On

On

On

1.95v

On

Off

On

On

On

2.0v

Off

On

On

On

On

2.05v

On

On

On

On

On

2.1v

On

Off

Off

Off

Off

2.2v

Off

On

Off

Off

Off

2.3v

On

On

Off

Off

Off

2.4v

Off

Off

On

Off

Off

2.5v

On

Off

On

Off

Off

2.6v

Off

On

On

Off

Off

2.7v

On

On

On

Off

Off

2.8v

Off

Off

Off

On

Off

2.9v

On

Off

Off

On

Off

3.0v

Off

On

Off

On

Off

3.1v

On

On

Off

On

Off

3.2v

Off

Off

On

On

Off

3.3v

On

Off

On

On

Off

3.4v

Off

On

On

On

Off

3.5v

On

On

On

On

Off