ACER, INC.

AX59 PRO

Device Type

Mainboard

Processor

CX 6X86/CX 6X86L/CX MII/AM K5/AM K6/AM K6-2/Pentium/

Pentium MMX

Processor Speed

90/100/120/133/150/166/180/200/233/266/300MHz

Chip Set

VIA MVP3

Maximum Onboard Memory

1GB (EDO & SDRAM supported)

Cache

512/1024KB

BIOS

Award

Dimensions

305mm x 202mm

I/O Options

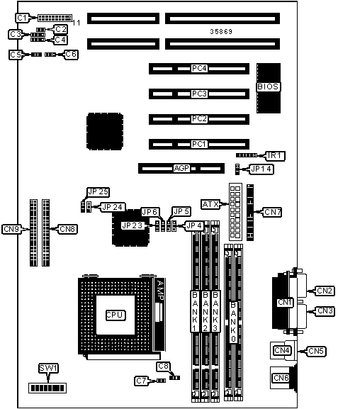
32-bit PCI slots (4), floppy drive interface, IDE interfaces (2), parallel port, PS/2 mouse port, serial ports (2), IR connector, USB connectors (2), ATX power connector, AGP slot, wake on LAN connector, wake on modem connector

CONNECTIONS

Purpose

Location

Purpose

Location

AGP slot

AGP

Parallel port

CN1

ATX power connector

ATX

Serial port 2

CN2

Power LED & keylock

C1/pins 1 - 5

Serial port 1

CN3

Speaker

C1/pins 7 - 10

USB connector 1

CN4

Reset switch

C1/pins 19 & 20

USB connector 2

CN5

Soft off power supply

C2

PS/2 mouse port

CN6

Wake on modem connector

C3

Floppy drive interface

CN7

IDE interface LED

C4

IDE interface 2

CN8

Chassis fan power

C5

IDE interface 1

CN9

Wake on LAN connector

C6

IR connector

IR1

CPU fan power

C7

32-bit PCI slots

PC1 - PC4

CPU fan power

C8

   

USER CONFIGURABLE SETTINGS

Function

Label

Position

»

CMOS memory normal operation

JP14

Pins 1 & 2 closed

 

CMOS memory clear

JP14

Pins 2 & 3 closed

SIMM CONFIGURATION

Size

Bank 0

8MB

(2) 1M x 36

16MB

(2) 2M x 36

32MB

(2) 4M x 36

64MB

(2) 8M x 36

128MB

(2) 16M x 36

256MB

(2) 32M x 36

Note: Board accepts EDO memory.

DIMM CONFIGURATION

Size

Bank 1

Bank 2

Bank 3

8MB

(1) 1M x 64

None

None

16MB

(1) 1M x 64

(1) 1M x 64

None

16MB

(1) 2M x 64

None

None

24MB

(1) 1M x 64

(1) 1M x 64

(1) 1M x 64

DIMM CONFIGURATION (CON'T)

Size

Bank 0

Bank 1

Bank 2

32MB

(1) 2M x 64

(1) 2M x 64

None

32MB

(1) 4M x 64

None

None

48MB

(1) 2M x 64

(1) 2M x 64

(1) 2M x 64

64MB

(1) 4M x 64

(1) 4M x 64

None

64MB

(1) 8M x 64

None

None

96MB

(1) 4M x 64

(1) 4M x 64

(1) 4M x 64

128MB

(1) 8M x 64

(1) 8M x 64

None

128MB

(1) 16M x 64

None

None

164MB

(1) 16M x 64

(1) 1M x 64

None

144MB

(1) 16M x 64

(1) 1M x 64

(1) 1M x 64

144MB

(1) 16M x 64

(1) 2M x 64

None

160MB

(1) 16M x 64

(1) 2M x 64

(1) 2M x 64

160MB

(1) 16M x 64

(1) 4M x 64

None

192MB

(1) 16M x 64

(1) 4M x 64

(1) 4M x 64

192MB

(1) 16M x 64

(1) 8M x 64

None

192MB

(1) 8M x 64

(1) 8M x 64

(1) 8M x 64

256MB

(1) 16M x 64

(1) 8M x 64

(1) 8M x 64

256MB

(1) 16M x 64

(1) 16M x 64

None

256MB

(1) 32M x 64

None

None

264MB

(1) 32M x 64

(1) 1M x 64

None

272MB

(1) 32M x 64

(1) 1M x 64

(1) 1M x 64

272MB

(1) 32M x 64

(1) 2M x 64

None

288MB

(1) 32M x 64

(1) 2M x 64

(1) 2M x 64

288MB

(1) 32M x 64

(1) 4M x 64

None

320MB

(1) 32M x 64

(1) 4M x 64

(1) 4M x 64

320MB

(1) 32M x 64

(1) 8M x 64

None

384MB

(1) 32M x 64

(1) 8M x 64

(1) 8M x 64

384MB

(1) 32M x 64

(1) 16M x 64

None

384MB

(1) 16M x 64

(1) 16M x 64

(1) 16M x 64

512MB

(1) 32M x 64

(1) 16M x 64

(1) 16M x 64

512MB

(1) 32M x 64

(1) 32M x 64

None

768MB

(1) 32M x 64

(1) 32M x 64

(1) 32M x 64

Note: Board accepts SDRAM memory.

CACHE CONFIGURATION

Note: The location of the cache is unidentified.

CPU SPEED SELECTION (CX 6X86)

CPU speed

Clock speed

Multiplier

SW1/1

SW1/2

SW1/3

150MHz

60MHz

2x

On

Off

Off

166MHz

66MHz

2x

On

Off

Off

200MHz

75MHz

2x

On

Off

Off

CPU SPEED SELECTION (CX 6X86, CON'T)

CPU speed

Clock speed

Multiplier

JP4

JP5

JP6

JP25

150MHz

60MHz

2x

2 & 3

1 & 2

1 & 2

1 & 2

166MHz

66MHz

2x

1 & 2

1 & 2

1 & 2

1 & 2

200MHz

75MHz

2x

1 & 2

2 & 3

1 & 2

1 & 2

Note: Pins designated should be in the closed position.

CPU SPEED SELECTION (CX 6X86L)

CPU speed

Clock speed

Multiplier

SW1/1

SW1/2

SW1/3

150MHz

60MHz

2x

On

Off

Off

166MHz

66MHz

2x

On

Off

Off

200MHz

75MHz

2x

On

Off

Off

CPU SPEED SELECTION (CX 6X86L, CON'T)

CPU speed

Clock speed

Multiplier

JP4

JP5

JP6

JP25

150MHz

60MHz

2x

2 & 3

1 & 2

1 & 2

1 & 2

166MHz

66MHz

2x

1 & 2

1 & 2

1 & 2

1 & 2

200MHz

75MHz

2x

1 & 2

2 & 3

1 & 2

1 & 2

Note: Pins designated should be in the closed position.

CPU SPEED SELECTION (CX MII)

CPU speed

Clock speed

Multiplier

SW1/1

SW1/2

SW1/3

166MHz

60MHz

2.5x

On

On

Off

200MHz

66MHz

2.5x

On

On

Off

200MHz

75MHz

2x

On

Off

Off

233MHz

66MHz

3x

Off

On

Off

233MHz

83MHz

2x

On

Off

Off

266MHz

66MHz

3.5x

Off

Off

Off

CPU SPEED SELECTION (CX MII, CON'T)

CPU speed

Clock speed

Multiplier

JP4

JP5

JP6

JP25

166MHz

60MHz

2.5x

2 & 3

1 & 2

1 & 2

1 & 2

200MHz

66MHz

2.5x

1 & 2

1 & 2

1 & 2

1 & 2

200MHz

75MHz

2x

1 & 2

2 & 3

1 & 2

1 & 2

233MHz

66MHz

3x

1 & 2

1 & 2

1 & 2

1 & 2

233MHz

83MHz

2x

2 & 3

2 & 3

1 & 2

2 & 3

266MHz

66MHz

3.5x

1 & 2

1 & 2

1 & 2

1 & 2

Note: Pins designated should be in the closed position.

CPU SPEED SELECTION (IDT C6)

CPU speed

Clock speed

Multiplier

SW1/1

SW1/2

SW1/3

150MHz

60MHz

2.5x

On

Off

Off

180MHz

60MHz

3x

Off

On

Off

200MHz

66MHz

3x

Off

On

Off

CPU SPEED SELECTION (IDT C6, CON'T)

CPU speed

Clock speed

Multiplier

JP4

JP5

JP6

JP25

150MHz

60MHz

2.5x

1 & 2

2 & 3

1 & 2

1 & 2

180MHz

60MHz

3x

2 & 3

1 & 2

1 & 2

1 & 2

200MHz

66MHz

3x

1 & 2

1 & 2

1 & 2

1 & 2

CPU SPEED SELECTION (AM K5)

CPU speed

Clock speed

Multiplier

SW1/1

SW1/2

SW1/3

90MHz

60MHz

1.5x

Off

Off

Off

100MHz

66MHz

1.5x

Off

Off

Off

120MHz

60MHz

1.5x

Off

Off

Off

133MHz

66MHz

1.5x

Off

Off

Off

166MHz

66MHz

1.75x

On

On

Off

CPU SPEED SELECTION (AM K5, CON'T)

CPU speed

Clock speed

Multiplier

JP4

JP5

JP6

JP25

90MHz

60MHz

1.5x

2 & 3

1 & 2

1 & 2

1 & 2

100MHz

66MHz

1.5x

1 & 2

1 & 2

1 & 2

1 & 2

120MHz

60MHz

1.5x

2 & 3

1 & 2

1 & 2

1 & 2

133MHz

66MHz

1.5x

1 & 2

1 & 2

1 & 2

1 & 2

166MHz

66MHz

1.75x

1 & 2

1 & 2

1 & 2

1 & 2

Note: Pins designated should be in the closed position.

CPU SPEED SELECTION (AM K6)

CPU speed

Clock speed

Multiplier

SW1/1

SW1/2

SW1/3

166MHz

66MHz

2.5x

On

On

Off

200MHz

66MHz

3x

Off

On

Off

233MHz

66MHz

3.5x

Off

Off

Off

266MHz

66MHz

4x

On

Off

On

300MHz

66MHz

4.5x

On

On

On

CPU SPEED SELECTION (AM K6, CON'T)

CPU speed

Clock speed

Multiplier

JP4

JP5

JP6

JP25

166MHz

66MHz

2.5x

1 & 2

1 & 2

1 & 2

1 & 2

200MHz

66MHz

3x

1 & 2

1 & 2

1 & 2

1 & 2

233MHz

66MHz

3.5x

1 & 2

1 & 2

1 & 2

1 & 2

266MHz

66MHz

4x

1 & 2

1 & 2

1 & 2

1 & 2

300MHz

66MHz

4.5x

1 & 2

1 & 2

1 & 2

1 & 2

Note: Pins designated should be in the closed position.

CPU SPEED SELECTION (AM K6-2)

CPU speed

Clock speed

Multiplier

SW1/1

SW1/2

SW1/3

300MHz

100MHz

3x

Off

On

Off

CPU SPEED SELECTION (AM K6-2, CON'T)

CPU speed

Clock speed

Multiplier

JP4

JP5

JP6

JP25

300MHz

100MHz

3x

1 & 2

1 & 2

2 & 3

2 & 3

CPU SPEED SELECTION (INTEL)

CPU speed

Clock speed

Multiplier

SW1/1

SW1/2

SW1/3

90MHz

60MHz

1.5x

Off

Off

Off

100MHz

66MHz

1.5x

Off

Off

Off

120MHz

60MHz

2x

On

Off

Off

133MHz

66MHz

2x

On

Off

Off

150MHz

60MHz

2.5x

On

On

Off

166MHz

66MHz

2.5x

On

On

Off

200MHz

66MHz

3x

Off

On

Off

CPU SPEED SELECTION (INTEL, CON'T)

CPU speed

Clock speed

Multiplier

JP4

JP5

JP6

JP25

90MHz

60MHz

1.5x

2 & 3

1 & 2

1 & 2

1 & 2

100MHz

66MHz

1.5x

1 & 2

1 & 2

1 & 2

1 & 2

120MHz

60MHz

2x

2 & 3

1 & 2

1 & 2

1 & 2

133MHz

66MHz

2x

1 & 2

1 & 2

1 & 2

1 & 2

150MHz

60MHz

2.5x

2 & 3

1 & 2

1 & 2

1 & 2

166MHz

66MHz

2.5x

1 & 2

1 & 2

1 & 2

1 & 2

200MHz

66MHz

3x

1 & 2

1 & 2

1 & 2

1 & 2

Note: Pins designated should be in the closed position.

CPU SPEED SELECTION (INTEL MMX)

CPU speed

Clock speed

Multiplier

SW1/1

SW1/2

SW1/3

150MHz

60MHz

2.5x

On

On

Off

166MHz

66MHz

2.5x

On

On

Off

200MHz

66MHz

3x

Off

On

Off

233MHz

66MHz

3.5x

Off

Off

Off

CPU SPEED SELECTION (INTEL MMX, CON'T)

CPU speed

Clock speed

Multiplier

JP4

JP5

JP6

JP25

150MHz

60MHz

2.5x

2 & 3

1 & 2

1 & 2

1 & 2

166MHz

66MHz

2.5x

1 & 2

1 & 2

1 & 2

1 & 2

200MHz

66MHz

3x

1 & 2

1 & 2

1 & 2

1 & 2

233MHz

66MHz

3.5x

1 & 2

1 & 2

1 & 2

1 & 2

Note: Pins designated should be in the closed position.

CPU VOLTAGE SELECTION

Voltage

SW1/4

SW1/5

SW1/6

SW1/7

SW1/8

1.30v

Off

Off

Off

Off

On

1.35v

On

Off

Off

Off

On

1.40v

Off

On

Off

Off

On

1.45v

On

On

Off

Off

On

1.50v

Off

Off

On

Off

On

1.55v

On

Off

On

Off

On

1.60v

Off

On

On

Off

On

1.65v

On

On

On

Off

On

1.70v

Off

Off

Off

On

On

1.75v

On

Off

Off

On

On

1.80v

Off

On

Off

On

On

1.85v

On

On

Off

On

On

1.90v

Off

Off

On

On

On

1.95v

On

Off

On

On

On

2.00v

Off

On

On

On

On

2.05v

On

On

On

On

On

2.1v

On

Off

Off

Off

Off

2.2v

Off

On

Off

Off

Off

2.3v

On

On

Off

Off

Off

2.4v

Off

Off

On

Off

Off

2.5v

On

Off

On

Off

Off

2.6v

Off

On

On

Off

Off

2.7v

On

On

On

Off

Off

2.8v

Off

Off

Off

On

Off

2.9v

On

Off

Off

On

Off

3.0v

Off

On

Off

On

Off

3.1v

On

On

Off

On

Off

3.2v

Off

Off

On

On

Off

3.3v

On

Off

On

On

Off

3.4v

Off

On

On

On

Off

3.5v

On

On

On

On

Off

DRAM CLOCK SELECTION

Setting

JP23

JP24

DRAM CLK = CPU CLK

Pins 1 & 2 closed

Pins 1 & 2 closed

DRAM CLK = AGP CLK

Pins 2 & 3 closed

Pins 2 & 3 closed