ADVANCED INTEGRATION RESEARCH, INC.

P6BXI

Device Type

Mainboard

Processor

Pentium II

Processor Speed

233/266/300/350/400MHz

Chip Set

Intel 440BX

Video Chip Set

None

Maximum Onboard Memory

1GB (EDO & SDRAM supported)

Maximum Video Memory

None

Cache

256/512/1024KB (located on Pentium II CPU)

BIOS

Award

Dimensions

355mm x 305mm

I/O Options

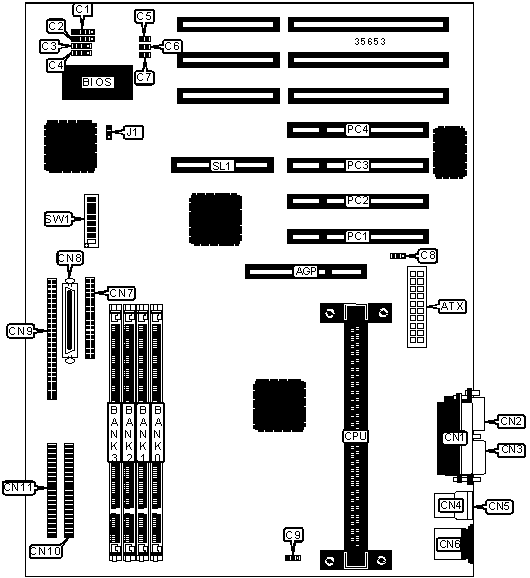
32-bit PCI slots (4), green PC connector, floppy drive interface, IDE interfaces (2), SCSI interface, Wide Ultra SCSI interface, parallel port, PS/2 mouse port, serial ports (2), IR connector, USB connectors (2), ATX power connector, AGP slot, RAID slot

CONNECTIONS

Purpose

Location

Purpose

Location

AGP slot

AGP

Serial port 2

CN2

ATX power connector

ATX

Serial port 1

CN3

Power LED & keylock

C1

USB connector 1

CN4

IR connector

C2

USB connector 2

CN5

IDE interface LED

C3

PS/2 mouse port

CN6

Speaker

C4

Floppy drive interface

CN7

Reset switch

C5

Ultra Wide SCSI interface

CN8

Green PC connector

C6

SCSI interface

CN9

Soft off power supply

C7

IDE interface 2

CN10

Chassis fan power

C8

IDE interface 1

CN11

Chassis fan power

C9

32-bit PCI slots

PC1 - PC4

Parallel port

CN1

RAID slot

SL1

USER CONFIGURABLE SETTINGS

Function

Label

Position

»

CMOS memory normal operation

J1

Pins 1 & 2 closed

 

CMOS memory clear

J1

Pins 2 & 3 closed

 

SCSI termination always enabled

SW1/8

Off

 

SCSI termination high/low byte enabled

SW1/8

On

DIMM CONFIGURATION

Size

Bank 0

Bank 1

Bank 2

Bank 3

8MB

(1) 1M x 64

None

None

None

16MB

(1) 2M x 64

None

None

None

16MB

(1) 1M x 64

(1) 1M x 64

None

None

24MB

(1) 2M x 64

(1) 1M x 64

None

None

24MB

(1) 1M x 64

(1) 1M x 64

(1) 1M x 64

None

32MB

(1) 4M x 64

None

None

None

32MB

(1) 2M x 64

(1) 2M x 64

None

None

32MB

(1) 1M x 64

(1) 1M x 64

(1) 1M x 64

(1) 1M x 64

40MB

(1) 4M x 64

(1) 1M x 64

None

None

48MB

(1) 4M x 64

(1) 2M x 64

None

None

48MB

(1) 2M x 64

(1) 2M x 64

(1) 2M x 64

None

64MB

(1) 2M x 64

(1) 2M x 64

(1) 2M x 64

(1) 2M x 64

DIMM CONFIGURATION (CON'T)

Size

Bank 0

Bank 1

Bank 2

Bank 3

64MB

(1) 8M x 64

None

None

None

64MB

(1) 4M x 64

(1) 4M x 64

None

None

72MB

(1) 8M x 64

(1) 1M x 64

None

None

80MB

(1) 8M x 64

(1) 2M x 64

None

None

96MB

(1) 8M x 64

(1) 4M x 64

None

None

96MB

(1) 4M x 64

(1) 4M x 64

(1) 4M x 64

None

128MB

(1) 16M x 64

None

None

None

128MB

(1) 8M x 64

(1) 8M x 64

None

None

128MB

(1) 4M x 64

(1) 4M x 64

(1) 4M x 64

(1) 4M x 64

136MB

(1) 16M x 64

(1) 1M x 64

None

None

144MB

(1) 16M x 64

(1) 2M x 64

None

None

152MB

(1) 16M x 64

(1) 1M x 64

(1) 1M x 64

(1) 1M x 64

160MB

(1) 16M x 64

(1) 4M x 64

None

None

176MB

(1) 16M x 64

(1) 2M x 64

(1) 2M x 64

(1) 2M x 64

192MB

(1) 16M x 64

(1) 8M x 64

None

None

192MB

(1) 8M x 64

(1) 8M x 64

(1) 8M x 64

None

224MB

(1) 16M x 64

(1) 4M x 64

(1) 4M x 64

(1) 4M x 64

256MB

(1) 32M x 64

None

None

None

256MB

(1) 16M x 64

(1) 16M x 64

None

None

256MB

(1) 8M x 64

(1) 8M x 64

(1) 8M x 64

(1) 8M x 64

272MB

(1) 16M x 64

(1) 16M x 64

(1) 1M x 64

(1) 1M x 64

280MB

(1) 32M x 64

(1) 1M x 64

(1) 1M x 64

(1) 1M x 64

288MB

(1) 16M x 64

(1) 16M x 64

(1) 2M x 64

(1) 2M x 64

304MB

(1) 32M x 64

(1) 2M x 64

(1) 2M x 64

(1) 2M x 64

320MB

(1) 16M x 64

(1) 16M x 64

(1) 4M x 64

(1) 4M x 64

320MB

(1) 16M x 64

(1) 8M x 64

(1) 8M x 64

(1) 8M x 64

352MB

(1) 32M x 64

(1) 4M x 64

(1) 4M x 64

(1) 4M x 64

384MB

(1) 16M x 64

(1) 16M x 64

(1) 16M x 64

None

448MB

(1) 32M x 64

(1) 8M x 64

(1) 8M x 64

(1) 8M x 64

512MB

(1) 32M x 64

(1) 32M x 64

None

None

512MB

(1) 16M x 64

(1) 16M x 64

(1) 16M x 64

(1) 16M x 64

640MB

(1) 32M x 64

(1) 16M x 64

(1) 16M x 64

(1) 16M x 64

768MB

(1) 32M x 64

(1) 32M x 64

(1) 32M x 64

None

1024MB

(1) 32M x 64

(1) 32M x 64

(1) 32M x 64

(1) 32M x 64

Note: Board accepts SDRAM memory.

CACHE CONFIGURATION

Note: 256/512/1024KB cache is located on the Pentium II CPU.

CPU SPEED SELECTION

CPU speed

Clock speed

Multiplier

SW1/1

SW1/2

SW1/3

233MHz

66MHz

3.5x

Off

Off

Off

266MHz

66MHz

4x

Off

Off

Off

300MHz

66MHz

4.5x

Off

Off

Off

300MHz

100MHz

3x

Off

Off

Off

350MHz

100MHz

3.5x

Off

Off

Off

400MHz

100MHz

4x

Off

Off

Off

CPU SPEED SELECTION (CON'T)

CPU speed

Clock speed

Multiplier

SW1/4

SW1/5

SW1/6

SW1/7

233MHz

66MHz

3.5x

Off

Off

On

On

266MHz

66MHz

4x

On

On

Off

On

300MHz

66MHz

4.5x

Off

On

Off

On

300MHz

100MHz

3x

On

Off

On

On

350MHz

100MHz

3.5x

Off

Off

On

On

400MHz

100MHz

4x

On

On

Off

On