BCM ADVANCED RESEARCH, INC.

SQ596

Processor

CX M1/Pentium

Processor Speed

75/90/100/120/133/150/166/180/200MHz

Chip Set

Intel

Video Chip Set

None

Maximum Onboard Memory

256MB (EDO supported)

Maximum Video Memory

None

Cache

256/512KB

BIOS

Award

Dimensions

285mm x 210mm

I/O Options

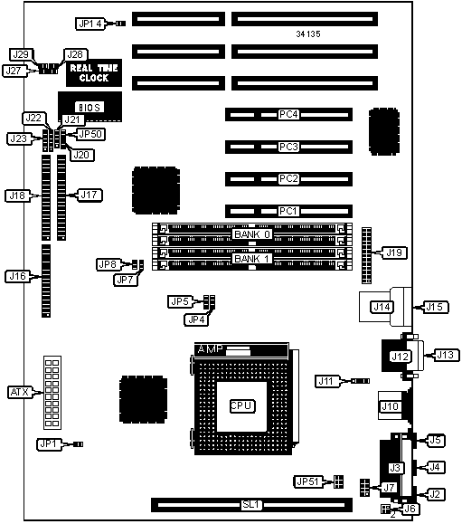
32-bit PCI slots (4), floppy drive interface, green PC connector, IDE interfaces (2), parallel port, PS/2 mouse port, serial ports (2), cache slot, IR connector, USB connectors (2), ATX power connector, line in connector, line out connector, microphone in connector, MIDI/joystick port, CD-ROM audio in connector, wavetable connector

NPU Options

None

CONNECTIONS

Purpose

Location

Purpose

Location

ATX power connector

ATX

IDE interface 2

J17

Line out connector

J2

IDE interface 1

J18

MIDI/joystick port

J3

Parallel port

J19

Microphone connector

J4

ATX power supply LED

J20

Line in connector

J5

IDE interface LED

J21

Speaker in connector

J6 pins 1 & 2

Power LED & keylock

J22

Wavetable connector

J7

IR connector

J23

PS/2 mouse port

J10

Speaker

J27

CD-ROM audio in connector

J11

Green PC connector

J28

Serial port 1

J12

Reset switch

J29

Serial port 2

J13

ATX power supply switch

JP50

USB connector 1

J14

32-bit PCI slots

PC1 – PC4

USB connector 2

J15

Cache slot

SL1

Floppy drive interface

J16

   

USER CONFIGURABLE SETTINGS

Function

Label

Position

»

CMOS memory normal operation

JP14

Open

 

CMOS memory clear

JP14

Closed

DRAM CONFIGURATION

Size

Bank 0

Bank 1

8MB

(2) 1M x 36

None

16MB

(2) 2M x 36

None

16MB

(2) 1M x 36

(2) 1M x 36

24MB

(2) 2M x 36

(2) 1M x 36

32MB

(2) 4M x 36

None

32MB

(2) 2M x 36

(2) 2M x 36

40MB

(2) 4M x 36

(2) 1M x 36

48MB

(2) 4M x 36

(2) 2M x 36

64MB

(2) 8M x 36

None

64MB

(2) 4M x 36

(2) 4M x 36

72MB

(2) 8M x 36

(2) 1M x 36

80MB

(2) 8M x 36

(2) 2M x 36

96MB

(2) 8M x 36

(2) 4M x 36

128MB

(2) 8M x 36

(2) 8M x 36

256MB

(2) 16M x 36

(2) 16M x 36

Note: Board accepts EDO memory.

CACHE CONFIGURATION

Size

SL1

256KB

256KB module installed

512KB

512KB module installed

CPU SPEED SELECTION (CYRIX)

CPU speed

Clock speed

Multiplier

JP4

JP5

JP7

JP8

120MHz

50MHz

2x

2 & 3

1 & 2

Closed

Closed

133MHz

55MHz

2x

2 & 3

1 & 2

Open

Open

150MHz

60MHz

2x

2 & 3

1 & 2

Closed

Open

166MHz

66MHz

2x

2 & 3

1 & 2

Open

Closed

Note: Pins designated should be in the closed position.

CPU SPEED SELECTION (INTEL)

CPU speed

Clock speed

Multiplier

JP4

JP5

JP7

JP8

75MHz

50MHz

1.5x

1 & 2

1 & 2

Closed

Closed

90MHz

60MHz

1.5x

1 & 2

1 & 2

Closed

Open

100MHz

66MHz

1.5x

1 & 2

1 & 2

Open

Closed

120MHz

60MHz

2x

2 & 3

1 & 2

Closed

Open

133MHz

66MHz

2x

2 & 3

1 & 2

Open

Closed

150MHz

60MHz

2.5x

2 & 3

2 & 3

Closed

Open

166MHz

66MHz

2.5x

2 & 3

2 & 3

Open

Closed

180MHz

60MHz

3x

1 & 2

2 & 3

Closed

Open

200MHz

66MHz

3x

1 & 2

2 & 3

Open

Closed

Note: Pins designated should be in the closed position.

CPU VOLTAGE SELECTION

Voltage

JP1

JP51

JP52

2.5v (P55C)

Closed

Open

Closed

3.135v – 3.6v (P54C STD)

Closed

1 & 2, 3 & 4, 5 & 6

Open

3.4v – 3.6v (P54C VRE)

Open

1 & 2, 3 & 4, 5 & 6

Open

Note: Pins designated should be in the closed position. The location of JP52 is unidentified.