TOPTEK MULTIMEDIA, INC.

GOLDEN SOUND CD-ROM 4-IN-1

Card Type

Sound card/CD-ROM

Chipset Controller

TMC 4720A

I/O Options

Line in, line out, CD-ROM interfaces (4), CD audio in (3)

Maximum DRAM

N/A

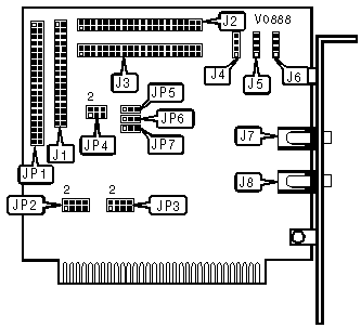
CONNECTIONS

Purpose

Location

Purpose

Location

Sony/Wearnes CD-ROM interface

J1

CD audio in

J6

Mitsumi CD-ROM interface

J2

Line in

J7

Panasonic CD-ROM interface

J3

Line out

J8

CD audio in

J4

Philips CD-ROM interface

JP1

CD audio in

J5

   

CD-ROM INTERFACE INTERRUPT SELECTION

IRQ

JP2

3

Pins 1 & 2 closed

4

Pins 3 & 4 closed

5

Pins 5 & 6 closed

9

Pins 7 & 8 closed

CD-ROM INTERFACE 8-BIT DMA SELECTION

Channel

JP3

1

Pins 1 & 3, 2 & 4 closed

3

Pins 5 & 7, 6 & 8 closed

CD-ROM INTERFACE ADDRESS SELECTION

Address

JP5

JP6

JP7

200h

Pins 2 & 3 closed

Pins 2 & 3 closed

Pins 2 & 3 closed

220h

Pins 1 & 2 closed

Pins 2 & 3 closed

Pins 2 & 3 closed

240h

Pins 2 & 3 closed

Pins 1 & 2 closed

Pins 2 & 3 closed

260h

Pins 1 & 2 closed

Pins 1 & 2 closed

Pins 2 & 3 closed

300h

Pins 2 & 3 closed

Pins 2 & 3 closed

Pins 1 & 2 closed

320h

Pins 1 & 2 closed

Pins 2 & 3 closed

Pins 1 & 2 closed

340h

Pins 2 & 3 closed

Pins 1 & 2 closed

Pins 1 & 2 closed

360h

Pins 1 & 2 closed

Pins 1 & 2 closed

Pins 1 & 2 closed

CD-ROM INTERFACE TYPE SELECTION

Type

JP4

Mitsumi

Pins 3 & 5, 4 & 6 closed

Panasonic

Pins 2 & 4, 3 & 5 closed

Philips

Pins 1 & 3, 4 & 6 closed

Sony

Pins 1 & 3, 4 & 6 closed

Wearnes

Pins 1 & 3, 4 & 6 closed

CD-ROM AUDIO INTERFACE PIN-OUT TABLE

Connector

Diagram

J4

J5

J6