MAGNITRONICS

B232 MINI 2S1P

Card Type

Multi-I/O card

Chip Set

Unidentified

Maximum Onboard Memory

Unidentified

I/O Options

Serial ports (2 RS-232), Parallel port

Hard Drives supported

None

Floppy drives supported

None

Data Bus

8-bit ISA

Card Size

Half-length

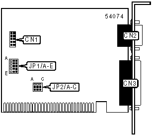
CONNECTIONS

Function

Label

Function

Label

Serial port 1

CN1

25-pin parallel port

CN3

Serial port 2

CN2

   

PARALLEL PORT ADDRESS SELECTION

Setting

JP1/E

LPT2 (378h)

Pins 2 & 3 closed

LPT3 (278h)

Pins 1 & 2 closed

Disabled

Open

SERIAL PORT 1 ADDRESS SELECTION

Setting

JP1/A

JP1/B

JP!/C

JP1/D

COM1 (3F8h)

Pins 1 & 2 closed

Open

Open

Open

COM2 (2F8h)

Open

Pins 1 & 2 closed

Open

Open

COM3 (3E8h)

Open

Open

Pins 1 & 2 closed

Open

COM4 (2E8h)

Open

Open

Open

Pins 1 & 2 closed

Disabled

Open

Open

Open

Open

SERIAL PORT 2 ADDRESS SELECTION

Setting

JP1/A

JP1/B

JP!/C

JP1/D

COM1 (3F8h)

Pins 2 & 3 closed

Open

Open

Open

COM2 (2F8h)

Open

Pins 2 & 3 closed

Open

Open

COM3 (3E8h)

Open

Open

Pins 2 & 3 closed

Open

COM4 (2E8h)

Open

Open

Open

Pins 2 & 3 closed

Disabled

Open

Open

Open

Open

SERIAL PORT 1 INTERRUPT SELECTION

IRQ

JP2/A

IRQ4

Pins 2 & 3 closed

IRQ3

Pins 1 & 2 closed

SERIAL PORT 2 INTERRUPT SELECTION

IRQ

JP2/B

IRQ3

Pins 1 & 2 closed

IRQ4

Pins 2 & 3 closed

PARALLEL PORT INTERRUPT SELECTION

IRQ

JP2/C

IRQ7

Pins 1 & 2 closed

IRQ5

Pins 2 & 3 closed