B & B ELECTRONICS

3PXCC1A, 3PXCC1B, 3PXCC2A, 3PXCC2B

Card Type

Serial

Chipset

16550A (3PXCC1A, 3PXCC2A)

16750 (3PXCC1B, 3PXCC2B)

I/O Options

Serial ports (2 on 3PXCC2A, 3PXCC2B only)

Data Bus

8/16 bit ISA

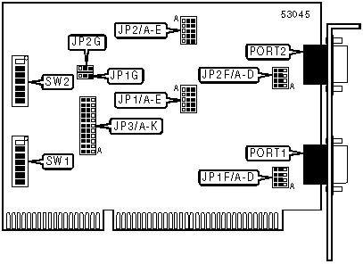
CONNECTIONS

Function

Label

Function

Label

RS-232, RS-422, or RS-485 serial port 1

PORT1

RS-232, RS-422, or RS-485 serial port 2

PORT2

Note:PORT2 has no function on models 3PXCC1A and 3PXCC1B.

USER CONFIGURABLE SETTINGS

Setting

Label

Position

»

RS-485 receiver disabled when transmitting on port 1

JP1/C

Pins 1 & 2 closed

 

RS-485 receiver always enabled on port 1

JP1/C

Pins 2 & 3 closed

 

RS-485 port 1 transmitter enabled on high RTS only

JP1/D

Pins 2 & 3 closed

 

RS-485 port 1 transmitter enabled whenever transmission is attempted

JP1/D

Pins 1 & 2 closed

 

RS-422/485 termination enabled on port 1

JP1/E

Pins 2 & 3 closed

 

RS-422/485 termination disabled on port 1

JP1/E

Pins 1 & 2 closed

»

Serial port 1 clock speed normal

JP1G

Pins 2 & 3 closed

 

Serial port 1 clock speed multiplied by 4

JP1G

Pins 1 & 2 closed

»

RS-485 receiver disabled when transmitting on port 2

JP2/C

Pins 1 & 2 closed

 

RS-485 receiver always enabled on port 2

JP2/C

Pins 2 & 3 closed

 

RS-485 port 2 transmitter enabled on high RTS only

JP2/D

Pins 2 & 3 closed

 

RS-485 port 2 transmitter enabled whenever transmission is attempted

JP2/D

Pins 1 & 2 closed

 

RS-422/485 termination enabled on port 2

JP2/E

Pins 2 & 3 closed

 

RS-422/485 termination disabled on port 2

JP2/E

Pins 1 & 2 closed

»

Serial port 2 clock speed normal

JP2G

Pins 2 & 3 closed

 

Serial port 2 clock speed multiplied by 4

JP2G

Pins 1 & 2 closed

SERIAL PORT 1 CONFIGURATION

Setting

JP1/A

JP1/B

JP1/C

JP1F/A

JP1F/B

JP1F/C

JP1F/D

RS-232

Pins 1 & 2

N/A

N/A

Pins 2 & 3

Pins 2 & 3

Pins 2 & 3

Pins 2 & 3

RS-422

Pins 2 & 3

Pins 2 & 3

Pins 2 & 3

Pins 1 & 2

Pins 1 & 2

Pins 1 & 2

Pins 1 & 2

RS-485

Pins 2 & 3

Pins 1 & 2

See note

Pins 1 & 2

Pins 1 & 2

Pins 1 & 2

Pins 1 & 2

Note:For correct settings of JP1/C for RS-485 mode, see its entry in the User Configurable Settings table.

Pins designated are in the closed position.

SERIAL PORT 2 CONFIGURATION

Setting

JP2/A

JP2/B

JP2/C

JP2F/A

JP2F/B

JP2F/C

JP2F/D

RS-232

Pins 1 & 2

N/A

N/A

Pins 2 & 3

Pins 2 & 3

Pins 2 & 3

Pins 2 & 3

RS-422

Pins 2 & 3

Pins 2 & 3

Pins 2 & 3

Pins 1 & 2

Pins 1 & 2

Pins 1 & 2

Pins 1 & 2

RS-485

Pins 2 & 3

Pins 1 & 2

See note

Pins 1 & 2

Pins 1 & 2

Pins 1 & 2

Pins 1 & 2

Note:For correct settings of JP2/C for RS-485 mode, see its entry in the User Configurable Settings table.

Pins designated are in the closed position.

SERIAL PORT 1 INTERRUPT SELECTION

Setting

JP3/A

JP3/B

JP3/C

JP3/D

JP3/E

JP3/F

 

IR/FONT>

Pins 1 & 2

Open

Open

Open

Open

Open

 

IRQ3

Open

Pins 1 & 2

Open

Open

Open

Open

»

IRQ4

Open

Open

Pins 1 & 2

Open

Open

Open

 

IRQ5

Open

Open

Open

Pins 1 & 2

Open

Open

 

IRQ6

Open

Open

Open

Open

Pins 1 & 2

Open

 

IRQ7

Open

Open

Open

Open

Open

Pins 1 & 2

 

IRQ10

Open

Open

Open

Open

Open

Open

 

IRQ11

Open

Open

Open

Open

Open

Open

 

IRQ12

Open

Open

Open

Open

Open

Open

 

IRQ14

Open

Open

Open

Open

Open

Open

 

IRQ15

Open

Open

Open

Open

Open

Open

SERIAL PORT 1 INTERRUPT SELECTION (CON’T)

Setting

JP3/G

JP3/H

JP3/I

JP3/J

JP3/K

 

IR/FONT>

Open

Open

Open

Open

Open

 

IRQ3

Open

Open

Open

Open

Open

»

IRQ4

Open

Open

Open

Open

Open

 

IRQ5

Open

Open

Open

Open

Open

 

IRQ6

Open

Open

Open

Open

Open

 

IRQ7

Open

Open

Open

Open

Open

 

IRQ10

Pins 1 & 2

Open

Open

Open

Open

 

IRQ11

Open

Pins 1 & 2

Open

Open

Open

 

IRQ12

Open

Open

Pins 1 & 2

Open

Open

 

IRQ14

Open

Open

Open

Pins 1 & 2

Open

 

IRQ15

Open

Open

Open

Open

Pins 1 & 2

Note:Pins designated are in the closed position.

SERIAL PORT 2 INTERRUPT SELECTION

Setting

JP3/A

JP3/B

JP3/C

JP3/D

JP3/E

JP3/F

 

IR/FONT>

Pins 2 & 3

Open

Open

Open

Open

Open

 

IRQ3

Open

Pins 2 & 3

Open

Open

Open

Open

»

IRQ4

Open

Open

Pins 2 & 3

Open

Open

Open

 

IRQ5

Open

Open

Open

Pins 2 & 3

Open

Open

 

IRQ6

Open

Open

Open

Open

Pins 2 & 3

Open

 

IRQ7

Open

Open

Open

Open

Open

Pins 2 & 3

 

IRQ10

Open

Open

Open

Open

Open

Open

 

IRQ11

Open

Open

Open

Open

Open

Open

 

IRQ12

Open

Open

Open

Open

Open

Open

 

IRQ14

Open

Open

Open

Open

Open

Open

 

IRQ15

Open

Open

Open

Open

Open

Open

SERIAL PORT 2 INTERRUPT SELECTION (CON’T)

Setting

JP3/G

JP3/H

JP3/I

JP3/J

JP3/K

 

IR/FONT>

Open

Open

Open

Open

Open

 

IRQ3

Open

Open

Open

Open

Open

»

IRQ4

Open

Open

Open

Open

Open

 

IRQ5

Open

Open

Open

Open

Open

 

IRQ6

Open

Open

Open

Open

Open

 

IRQ7

Open

Open

Open

Open

Open

 

IRQ10

Pins 2 & 3

Open

Open

Open

Open

 

IRQ11

Open

Pins 2 & 3

Open

Open

Open

 

IRQ12

Open

Open

Pins 2 & 3

Open

Open

 

IRQ14

Open

Open

Open

Pins 2 & 3

Open

 

IRQ15

Open

Open

Open

Open

Pins 2 & 3

Note:Pins designated are in the closed position.

SERIAL PORT 1 ADDRESS SELECTION

Setting

SW1/1

SW1/2

SW1/3

SW1/4

SW1/5

SW1/6

SW1/7

 

000h

On

On

On

On

On

On

On

 

008h

Off

On

On

On

On

On

On

 

010h

On

Off

On

On

On

On

On

 

018h

Off

Off

On

On

On

On

On

 

020h

On

On

Off

On

On

On

On

 

2E8h (COM4:)

Off

On

Off

Off

Off

On

Off

 

2F8h (COM2:)

Off

Off

Off

Off

Off

On

Off

 

3D8h

Off

Off

On

Off

Off

Off

Off

 

3E0h

On

On

Off

Off

Off

Off

Off

 

3E8h (COM3:)

Off

On

Off

Off

Off

Off

Off

 

3F0h

On

Off

Off

Off

Off

Off

Off

»

3F8h (COM1:)

Off

Off

Off

Off

Off

Off

Off

Note: A total of 128 base address settings are available. The switches are a binary representation of the decimal memory addresses. SW1/7 is the Most Significant Bit and switch SW1/1 is the Least Significant Bit. The switches have the following decimal values: SW1/7=512, SW1/6=256, SW1/5=128, SW1/4=64, SW1/3=32, SW1/2=16, SW1/1=8. Turn off the switches and add the values of the switches that are off to obtain the correct memory address. (Off=1, On=0)

SERIAL PORT 2 ADDRESS SELECTION

Setting

SW2/1

SW2/2

SW2/3

SW2/4

SW2/5

SW2/6

SW2/7

 

000h

On

On

On

On

On

On

On

 

008h

Off

On

On

On

On

On

On

 

010h

On

Off

On

On

On

On

On

 

018h

Off

Off

On

On

On

On

On

 

020h

On

On

Off

On

On

On

On

 

2E8h (COM4:)

Off

On

Off

Off

Off

On

Off

»

2F8h (COM2:)

Off

Off

Off

Off

Off

On

Off

 

3D8h

Off

Off

On

Off

Off

Off

Off

 

3E0h

On

On

Off

Off

Off

Off

Off

 

3E8h (COM3:)

Off

On

Off

Off

Off

Off

Off

 

3F0h

On

Off

Off

Off

Off

Off

Off

 

3F8h (COM1:)

Off

Off

Off

Off

Off

Off

Off

Note: A total of 128 base address settings are available. The switches are a binary representation of the decimal memory addresses. SW2/7 is the Most Significant Bit and switch SW2/1 is the Least Significant Bit. The switches have the following decimal values: SW2/7=512, SW2/6=256, SW2/5=128, SW2/4=64, SW2/3=32, SW2/2=16, SW2/1=8. Turn off the switches and add the values of the switches that are off to obtain the correct memory address. (Off=1, On=0)