ACQUTEK CORPORATION

XO-SRA4, XO-SRD4

Card Type

Data acquisition

Chipset

Unidentified

I/O Options

Relay outputs (4)

Data Bus

XDI module

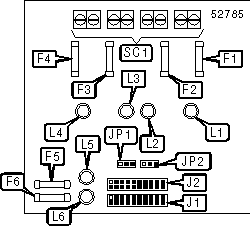
CONNECTIONS

Function

Label

Function

Label

XDI to second XO-SRA4 or XO-SRD4 card

J1

Bit 4 fuse

F4

XDI header input

J2

Test/storage fuse

F5

Bit 1 fuse

F1

Test/storage fuse

F6

Bit 2 fuse

F2

Signal outputs (see pinout below)

SC1

Bit 3 fuse

F3

   

SC1 PINOUT

Function

Screw

Function

Screw

Bit 1 output

1

Bit 3 output

5

Bit 1 output

2

Bit 3 output

6

Bit 2 output

3

Bit 4 output

7

Bit 2 output

4

Bit 4 output

8

USER CONFIGURABLE SETTINGS

Setting

Label

Position

Card is Least Significant Nibble

JP1

Pins 2 & 3 closed

Card is Most Significant Nibble

JP1

Pins 1 & 2 closed

Output channels initialized to low state

JP2

Pins 1 & 2 closed

Output channels initialized to high state

JP2

Pins 2 & 3 closed

Note:When a second XO-SRx4 card is connected via J1, one card must be set to the Most Significant Nibble and the other to the Least Significant Nibble.

DIAGNOSTIC LED(S)

LED

Color

Status

Condition

L1

Unidentified

On

Bit 1 is high

L1

Unidentified

Off

Bit 1 is low

L2

Unidentified

On

Bit 2 is high

L2

Unidentified

Off

Bit 2 is low

L3

Unidentified

On

Bit 3 is high

L3

Unidentified

Off

Bit 3 is low

L4

Unidentified

On

Bit 4 is high

L4

Unidentified

Off

Bit 4 is low

L5

Unidentified

On

Fuse in F5 is good

L5

Unidentified

Off

Fuse in F5 is bad

L6

Unidentified

On

Fuse in F6 is good

L6

Unidentified

Off

Fuse in F6 is bad

MISCELLANEOUS TECHNICAL NOTES

This card is an expansion module for Acqutek Corporation’s data acquisition cards. See other documents from this manufacturer for more information.