ARNET CORPORATION

SYNC/570I

Card Type

Serial

Chip Set

Hitachi

Maximum Onboard Memory

128KB RAM

I/O Options

Serial ports (4)

Data Bus

16-bit ISA

CONNECTIONS

Function

Label

Function

Label

Four-port daughterboard header

J1

Two-port daughterboard header

J2

USER CONFIGURABLE SETTINGS

Setting

Label

Position

»

Fast Select enabled

JP1

Pins 2 & 3 closed

 

Fast Select disabled

JP1

Pins 1 & 2 closed

BASE I/O ADDRESS

Setting

SW1/1

SW1/2

SW1/3

SW1/4

SW1/5

SW1/6

 

000h

On

On

On

On

On

On

 

010h

Off

On

On

On

On

On

 

020h

On

Off

On

On

On

On

 

030h

Off

Off

On

On

On

On

 

040h

On

On

Off

On

On

On

»

300h

On

On

On

On

Off

Off

 

3B0h

Off

Off

On

Off

Off

Off

 

3C0h

On

On

Off

Off

Off

Off

 

3D0h

Off

On

Off

Off

Off

Off

 

3E0h

On

Off

Off

Off

Off

Off

 

3F0h

Off

Off

Off

Off

Off

Off

Note: A total of 127 memory address settings are available. The switches are a binary representation of the hexadecimal memory addresses. SW1/7 is the Most Significant Bit and switch SW1/1 is the Least Significant Bit. The switches have the following hexadecimal values: SW1/6=200h, SW1/5=100h, SW1/4=80h, SW1/3=40h, SW1/2=20h, SW1/1=10h. Turn off the switches and add the values of the switches that are off to obtain the correct memory address. (Off=1, On=0)

CONNECTIONS

Function

Label

Function

Label

V.35 or V.24 serial ports via DB-37

CN1

Daughterboard header

J1

Note: Serial ports are provided via included adapter cable.

PORT 1 TYPE

Setting

JP1

JP2

JP3

JP4

JP5

V.35

1 & 2

1 & 2

1 & 2

1 & 2

1 & 2

V.24

2 & 3

2 & 3

2 & 3

2 & 3

2 & 3

Note: Pins designated are in the closed position.

PORT 2 TYPE

Setting

JP6

JP7

JP8

JP9

JP10

V.35

1 & 2

1 & 2

1 & 2

1 & 2

1 & 2

V.24

2 & 3

2 & 3

2 & 3

2 & 3

2 & 3

Note: Pins designated are in the closed position.

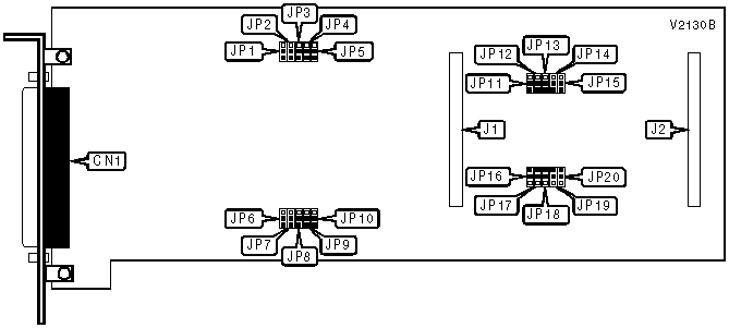
CONNECTIONS

Function

Label

Function

Label

V.35 or V.24 serial ports via DB-62

CN1

Daughterboard header

J2

Daughterboard header

J1

   

Note: Serial ports are provided via included adapter cable.

PORT 1 TYPE

Setting

JP1

JP2

JP3

JP4

JP5

V.35

1 & 2

1 & 2

1 & 2

1 & 2

1 & 2

V.24

2 & 3

2 & 3

2 & 3

2 & 3

2 & 3

Note: Pins designated are in the closed position.

PORT 2 TYPE

Setting

JP6

JP7

JP8

JP9

JP10

V.35

1 & 2

1 & 2

1 & 2

1 & 2

1 & 2

V.24

2 & 3

2 & 3

2 & 3

2 & 3

2 & 3

Note: Pins designated are in the closed position.

PORT 3 TYPE

Setting

JP11

JP12

JP13

JP14

JP15

V.35

1 & 2

1 & 2

1 & 2

1 & 2

1 & 2

V.24

2 & 3

2 & 3

2 & 3

2 & 3

2 & 3

Note: Pins designated are in the closed position.

PORT 4 TYPE

Setting

JP16

JP17

JP18

JP19

JP20

V.35

1 & 2

1 & 2

1 & 2

1 & 2

1 & 2

V.24

2 & 3

2 & 3

2 & 3

2 & 3

2 & 3

Note: Pins designated are in the closed position.

CONNECTIONS

Function

Label

Function

Label

X.21 serial ports via DB-44

CN1

Daughterboard header

J1

Note: Serial ports are provided via included adapter cable.