3COM CORPORATION

3COMIMPACT IQ (3C882)

Card Type

ISDN TA

Chipset

Unidentified

Error Correction/Compression

STAC

ISDN Transfer Rate

56Kbps x 2/64Kbps x 2

ISDN Protocol

V.120, PPP

Switch Type

5ESS, DMS100, EWSD, NI-1

Data Bus

Serial

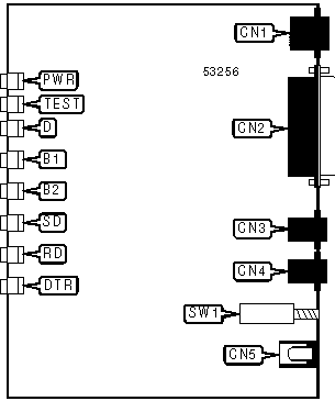
CONNECTIONS

Function

Label

Function

Label

ISDN U interface

CN1

Analog adapter 2

CN4

Serial port

CN2

9V DC power in

CN5

Analog adapter 1

CN3

Reset switch

SW1

DIAGNOSTIC LED(S)

LED

Color

Status

Condition

PWR

Green

On

Power is on

PWR

Green

Off

Power is off

TEST

Green

On

TA failed last test

TEST

Green

Blinking

TA is executing test

TEST

Green

Off

TA is not executing test

D

Green

On

Signal is not synchronized or ISDN is not connected

D

Green

Blinking

Signal is synchronized but D-channel protocols not established

D

Green

Off

Signal is synchronized

B1

Green

On

Data call connected on B1 channel

B1

Amber

On

Voice call connected on B1 channel

B1

Green

Blinking

TA is dialing data call on B1 channel

B1

Amber

Blinking

TA is dialing voice call on B1 channel

B1

N/A

Off

B1 channel is not connected

DIAGNOSTIC LED(S) (CON’T)

LED

Color

Status

Condition

B2

Green

On

Data call connected on B2 channel

B2

Amber

On

Voice call connected on B2 channel

B2

Green

Blinking

TA is dialing data call on B2 channel

B2

Amber

Blinking

TA is dialing voice call on B2 channel

B2

N/A

Off

B2 channel is not connected

SD

Green

On

TA is transmitting data

SD

Green

Off

TA is not transmitting data

RD

Green

On

TA is receiving data

RD

Green

Off

TA is not receiving data

TR

Green

On

DTR signal is high

TR

Green

Off

DTR signal is low

SUPPORTED STANDARD COMMANDS

Basic AT Commands

+++

A, E, H, O, Q, V, W, Z

&C, &D, &F, &W

Extended AT Commands

\Q, \T

S-Registers

S0

Note:See MHI help file for complete information.

Proprietary AT Command Set

ANALOG ADAPTER CALL ROUTING

Format:

AT [cmds] S63= n [cmds]

 

Default:

15

 

Range:

0 - 15

 

Description:

Selects which analog adapters may answer which calls.

 

Bit

Value

Function

 

0

0

1

Calls to analog adapter 1 may not be answered by analog adapter 1.

Calls to analog adapter 1 may be answered by analog adapter 1.

 

1

0

1

Calls to analog adapter 1 may not be answered by analog adapter 2.

Calls to analog adapter 1 may be answered by analog adapter 2.

 

2

0

1

Calls to analog adapter 2 may not be answered by analog adapter 1.

Calls to analog adapter 2 may be answered by analog adapter 1.

 

3

0

1

Calls to analog adapter 2 may not be answered by analog adapter 2.

Calls to analog adapter 2 may be answered by analog adapter 2.

ANSWER DELAY

Type:

Register

 

Format:

AT [cmds] S75= n [cmds]

 

Description:

Selects whether the TA waits to answer an incoming call.

 

Command

Function

»

S75=0

TA does not wait to answer an incoming call.

 

S75=1

TA waits two seconds to answer an incoming call.

CALL TYPE

Type:

Register

 

Format:

AT [cmds] S61= n [cmds]

 

Description:

Selects whether the TA will force a particular call type.

 

Command

Function

»

S61=0

D command dials in standard mode and DD command dials in 56Kbps permissive mode.

 

S61=1

Both commands dial in 56Kbps permissive mode.

 

S61=2

Both commands dial in standard mode.

CALLER ID - ANALOG ADAPTER 1

Type:

Register (read-only)

Format:

AT [cmds] S65? [cmds]

Description:

Displays the Caller ID information for analog adapter 1.

CALLER ID - ANALOG ADAPTER 2

Type:

Register (read-only)

Format:

AT [cmds] S66? [cmds]

Description:

Displays the Caller ID information for analog adapter 1.

CALLER ID - ISDN

Type:

Register (read-only)

Format:

AT [cmds] S67? [cmds]

Description:

Displays the Caller ID information for the ISDN line.

CHALLENGE HANDSHAKE AUTHENTICATION PROTOCOL

Type:

Register

 

Format:

AT [cmds] S84= n [cmds]

 

Description:

Selects whether the TA will attempt to use CHAP.

 

Command

Function

 

S84=0

CHAP negotiation enabled.

»

S84=1

CHAP negotiation disabled.

COMPRESSION

Type:

Configuration

Format:

AT [cmds] %C n [cmds]

Description:

Selects whether the TA will use data compression.

Command

Function

%C0

Data compression disabled.

%C2

Data compression enabled.

DIAL - STANDARD

Type:

Immediate

Format:

AT [cmds] D <#> [cmds]

Description:

Dials the number indicated to make a standard ISDN connection.

DIAL - PERMISSIVE

Type:

Immediate

Format:

AT [cmds] DD <#> [cmds]

Description:

Dials the number indicated to make a 56Kbps permissive connection.

DISPLAY CONFIGURATION AND STATISTICS

Type:

Immediate

Format:

AT [cmds] \S [cmds]

Description:

Displays the settings of all commands and statistics about the current connection.

DISPLAY FIRMWARE VERSION

Type:

Immediate

Format:

AT [cmds] %V [cmds]

Description:

Displays the current firmware version.

DISPLAY INFORMATION

Type:

Immediate

Format:

AT [cmds] I n [cmds]

Description:

Displays information requested about the TA.

Command

Function

I0

Displays model number.

I1

Displays ROM checksum.

I2

Tests and reports ROM checksum.

I3

Displays model and version.

DISPLAY REGISTERS

Type:

Immediate

Format:

AT [cmds] %R n [cmds]

Description:

Displays the settings of all status registers.

DISPLAY SERIAL NUMBER

Type:

Immediate

Format:

AT [cmds] %S n [cmds]

Description:

Displays the serial number of the TA.

DYNAMIC BANDWIDTH ALLOCATION

Type:

Register

 

Format:

AT [cmds] S70= n [cmds]

 

Description:

Selects whether dynamic bandwidth allocation will be used to allow simultaneous data and voice calls.

 

Command

Function

 

S70=0

Dynamic bandwidth allocation disabled.

»

S70=1

Dynamic bandwidth allocation enabled.

ENDPOINT DISCRIMINATOR

Type:

Register

Format:

AT [cmds] S83= nnnn [cmds]

Description:

Sets the endpoint discriminator address for multipoint PPP systems. Up to twenty numbers may be specified.

ENDPOINT DISCRIMINATOR CLASS

Type:

Configuration

 

Format:

AT [cmds] S82= n [cmds]

 

Description:

Sets the endpoint discriminator class for multipoint PPP systems.

 

Command

Function

 

S82=1

User-defined address.

 

S82=2

IP address.

 

S82=3

802.1 MAC address.

 

S82=4

PPP magic number block.

»

S82=5

Public Switched Network Directory number.

LOCAL SERIAL PORT SPEED

Type:

Configuration

 

Format:

AT [cmds] $B n [cmds]

 

Description:

Sets the speed that the TA will communicate with the DTE.

 

Command

Function

»

$B0

Auto-detects current serial port speed.

 

$B1200

Sets the serial port to 1200bps.

 

$B2400

Sets the serial port to 2400bps.

 

$B4800

Sets the serial port to 4800bps.

 

$B9600

Sets the serial port to 9600bps.

 

$B19200

Sets the serial port to 19.2Kbps.

 

$B38400

Sets the serial port to 38.4Kbps.

 

$B57600

Sets the serial port to 57.6Kbps.

 

$B115200

Sets the serial port to 115.2Kbps.

 

$B230400

Sets the serial port to 230.4Kbps.

LINE SPEED

Type:

Register

 

Format:

AT [cmds] S60= n [cmds]

 

Description:

Selects the line speed that the TA will attempt to connect at.

 

Command

Function

»

S60=56

TA will attempt to connect at 56Kbps.

 

S60=64

TA will attempt to connect at 64Kbps.

MULTILINK PPP

Type:

Register

 

Format:

AT [cmds] S80= n [cmds]

 

Description:

Selects whether the TA will use Multilink PPP.

 

Command

Function

 

S80=0

Multilink PPP disabled.

»

S80=1

Multilink PPP enabled.

PHONE NUMBER 1

Type:

Register

Format:

AT [cmds] S51= <#> [cmds]

Description:

Sets the TA’s first phone number.

PHONE NUMBER 2

Type:

Register

Format:

AT [cmds] S53= <#> [cmds]

Description:

Sets the TA’s first phone number.

PROTOCOL - B-CHANNEL

Type:

Register

 

Format:

AT [cmds] S71= n [cmds]

 

Description:

Selects the protocol the TA will use on the B channels.

 

Command

Function

»

S71=0

Auto-select common protocol.

 

S71=1

TA will use PPP conversion.

 

S71=2

TA will use V.120

SERVICE PROFILE IDENTIFIER 1

Type:

Register

Format:

AT [cmds] S52= <#> [cmds]

Description:

Sets the TA’s first SPID.

SERVICE PROFILE IDENTIFIER 2

Type:

Register

Format:

AT [cmds] S54= <#> [cmds]

Description:

Sets the TA’s second SPID.

SWITCH TYPE

Type:

Register

 

Format:

AT [cmds] S50= n [cmds]

 

Description:

Selects the type of IDSN switch the TA is connected to.

 

Command

Function

»

0

Unknown switch type

 

1

AT&T 5ESS custom switch type.

 

3

NI-1/AT&T 5ESS switch type.

 

6

NI-1/National Telecom NI-1 or Siemens EWSD switch type.

TERMINAL ENDPOINT IDENTIFIER 1

Type:

Register (read-only)

Format:

AT [cmds] S55? [cmds]

Description:

Displays the first TEI assigned by the ISDN switch. A value of 255 indicated that the switch did not assign a TEI.

TERMINAL ENDPOINT IDENTIFIER 1 STATUS

Type:

Register (read-only)

Format:

AT [cmds] S57? [cmds]

Description:

Returns a value indicating the status of the first TEI.

Value

Meaning

0

TA has not attempted to initialize with SPID 1.

1

TA succeeded in initializing with SPID 1.

2

TA failed in initializing with SPID 1.

TERMINAL ENDPOINT IDENTIFIER 2

Type:

Register (read-only)

Format:

AT [cmds] S56? [cmds]

Description:

Displays the second TEI assigned by the ISDN switch. A value of 255 indicated that the switch did not assign a TEI.

TERMINAL ENDPOINT IDENTIFIER 2 STATUS

Type:

Register (read-only)

Format:

AT [cmds] S58? [cmds]

Description:

Returns a value indicating the status of the second TEI.

Value

Meaning

0

TA has not attempted to initialize with SPID 2.

1

TA succeeded in initializing with SPID 2.

2

TA failed in initializing with SPID 2.

U INTERFACE STATUS

Type:

Register (read-only)

Format:

AT [cmds] S59? [cmds]

Description:

Returns a value indicating the status of the U interface.

Command

Function

0

U interface is not synchronized.

1

U interface is synchronized.

V.120 FRAME TYPE

Type:

Register

 

Format:

AT [cmds] S73= n [cmds]

 

Description:

Selects the frame type that the TA will use when in V.120 mode.

 

Command

Function

»

S73=0

TA will use I frames.

 

S73=1

TA will use UI frames.

V.120 MAXIMUM FRAME SIZE

Type:

Register

Format:

AT [cmds] S74= n [cmds]

Default:

256

Range:

240 - 256

Unit:

1 byte

Description:

Selects the maximum frame size used for V.120 mode.

Note:

Adtran ISDN uses a maximum frame size of 253 bytes.